53cm Super Recycler Lawn Mower
Product Information
- Model number: 21690
- Serial number: 400000000 - 410999999
- Product Type: Walk Behind Mowers
Loading...
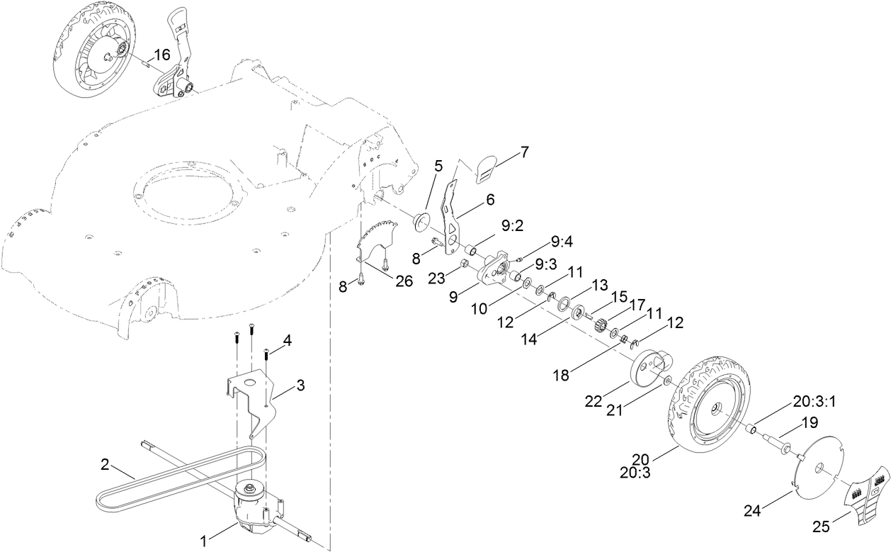
Assembly Drawings
Search for a part within assembly drawings:
-
Operator's Manual
-
Parts Catalogue
-
Product Warranty
-
EU Declaration of Conformity
OIL - SYNTHETIC, ALL SEASON (Part number 117-0066)
4-CYCLE FUEL, SNOW AND LAWN, 32OZ CAN (Part number 131-3823)
TRACTION ASSIST HANDLE KIT (Part number 131-4590)
Toro Premium Fuel Treatment (Part number 131-6572)
TORO 4-CYCLE SAE 30 OIL (32OZ BOTTLE) (Part number 38903)
Summer Oil, Case of 24 20-Ounce Bottles (Part number 38916)
TORO SMALL WALK BEHIND BAG (Part number 490-7318)
Toro Walk Mower Cover (Part number 490-7462)
-
Model number
21690 -
Serial number
400000000 - 410999999 -
Product Name
53cm Super Recycler Lawn Mower -
Product Brand
Toro -
Product Type
Walk Behind Mowers -
Product Series
53cm Cast Deck -
Chassis Type
Walk Behind -
Swath
53cm -
Discharge
Recycler & Side and Rear Discharge & Rear Bag -
Engine/Motor Manufacturer
Briggs & Stratton -
Engine/Motor Size
163cc -
Engine/Motor Type
4 Cycle -
Engine Starter
Recoil -
Traction Type
Rear WD
-
Engine: Engine Speed
2900±100 RPM -
Chassis: Height of Cut Range
1.25-4.25", 1/2" increments -
Engine: Engine Oil Type
15 oz. (.44L) SAE 30 or SAE 10W-30 / API SJ or higher







