TX 1000 Wide Track Compact Tool Carrier
Productinformatie
- Modelnr.: 22328
- Serienr.: 411840000 - 412438202
- Producttype: Compact Utility Loaders
Laden...
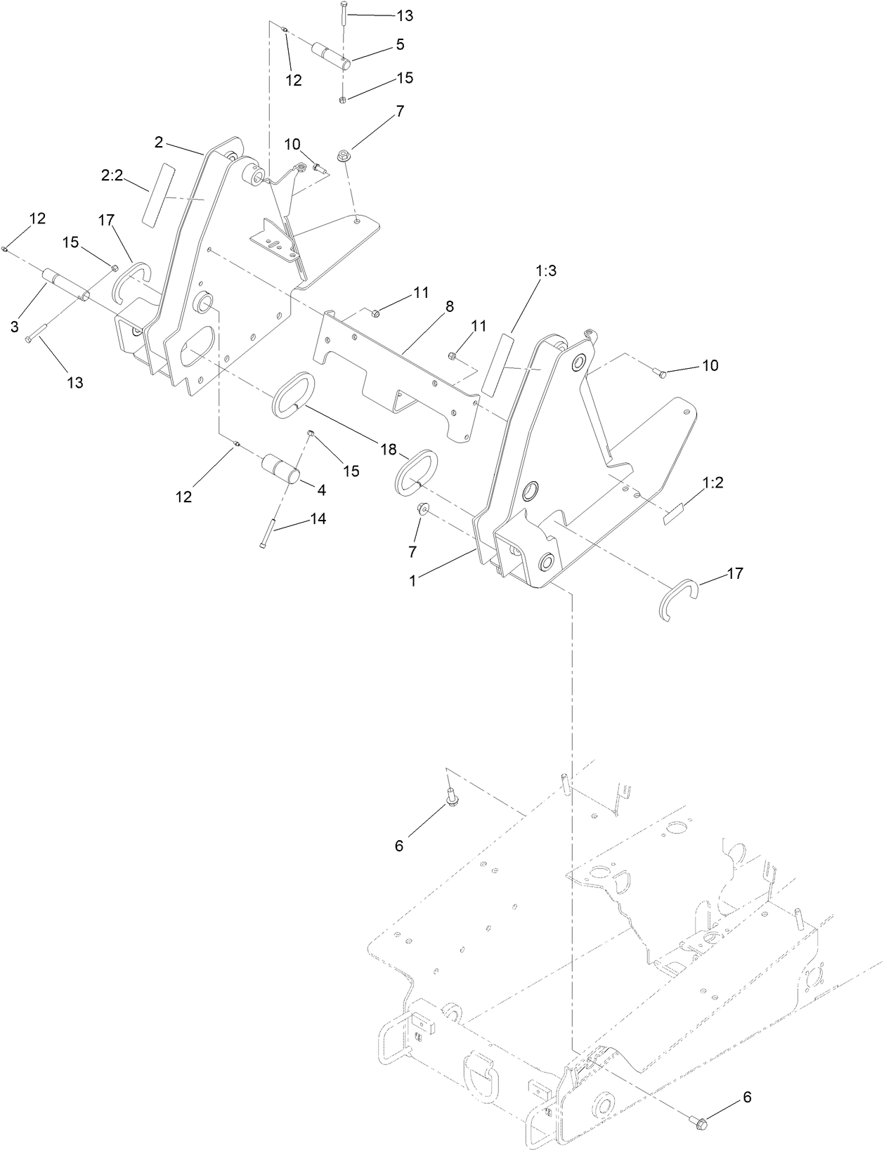
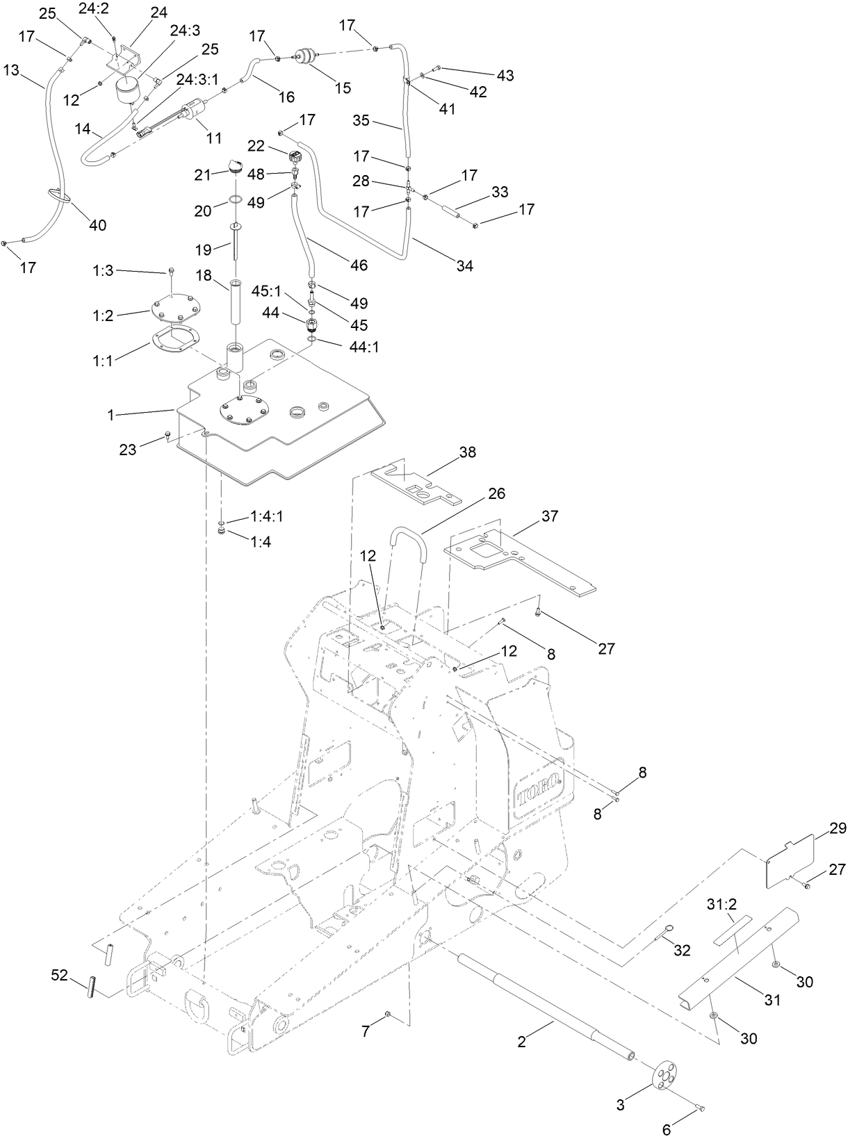
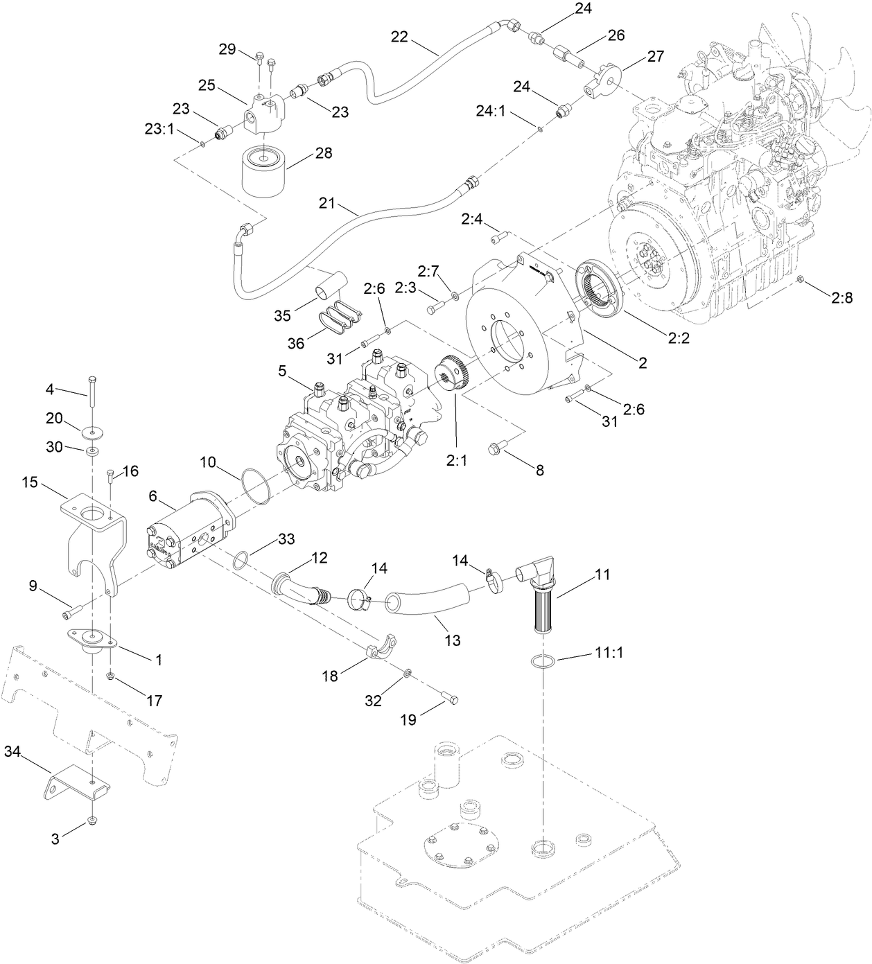
Montagetekeningen
Zoek een onderdeel in de montagetekeningen:
-
Gebruikershandleiding
-
Onderdelencatalogus
-
Prodictgarantie
-
Schematische tekening - elektrisch
-
Schematische tekening - hydraulisch
-
EU/VK-conformiteitsverklaring
LIGHT KIT ASM, TX1000 (Onderdeelnr 144-7100)
KIT ROAD WHEEL, 5-PACK (Onderdeelnr 144-7392)
KIT ROAD WHEEL, 5-PACK (Onderdeelnr 144-7393)
DECAL KIT - HERC (Onderdeelnr 145-6943)
Bakwerktuig voor lader 0,11 m³ (Onderdeelnr 22340)
Gebruik de standaard bak om stenen, vuil, zand of ander materiaal af te voeren van of uit de omgeving van de werklocatie. De snijrand van gehard staal zorgt ervoor dat u beter hak- en graafwerkzaamheden in zware graafomstandigheden kunt uitvoeren, en is van superieure kwaliteit. Capaciteit = 1 m³
Adjustable Forks, TX 1000 Compact Utility Loaders (Onderdeelnr 22341)
Bakwerktuig voor lader 0,25 m³ (Onderdeelnr 22342)
Ontworpen voor Dingo® TX 1000, volume = 0,25 m³. Deze bak met groot volume voor de lader is uitermate geschikt om stenen, vuil, zand of andere materialen af te voeren van de werklocatie. Ideaal voor klussen waarbij veel materiaal moet worden verplaatst.
Bakwerktuig voor lader, voor licht materiaal (Onderdeelnr 22410)
Bedoeld voor licht materiaal zoals boomschors, mulch, sneeuw en leem. De grotere bak (0,2 m³) is perfect voor het vervoeren van grotere ladingen licht materiaal. De snijrand van gehard staal zorgt ervoor dat u beter hak- en graafwerkzaamheden in zware graafomstandigheden kunt uitvoeren, en is van superieure kwaliteit.
Multifunctioneel meswerktuig (Onderdeelnr 22414)
Het Toro Dingo hydraulische blad verhoogt de veelzijdigheid van uw Dingo-systeem op enorme wijze. Dit ongelooflijk veelzijdige werktuig kan worden gebruikt om grond op allerlei manieren te bewerken of sneeuw te ruimen. U kunt dit werktuig gebruiken om sleuven te vullen waarin bomen zijn geplant of beregeningsbuizen zijn gelegd. Benut uw hydraulische schuif ook in de winter door de sneeuw in één werkgang van voetpaden te vegen.
Aandrijfkop voor boorwerktuig (Onderdeelnr 22420)
Met de Toro® Dingo® boor kunt u onder voetpaden en oprijlanen werken om de installatie van beregeningssystemen en kabels te vereenvoudigen. Korte stangen en de mogelijkheid om de boorkop onder grondniveau te brengen maken het mogelijk om zowel in krappe als open ruimtes te werken, wat de productiviteit ten goede komt.
Boorstang en ruimer, set (Onderdeelnr 22421)
Gemakkelijk onder opritten en stoepen boren om het aanbrengen van beregeningssystemen en kabels te vergemakkelijken. Gebruiken met aandrijfkop voor boorwerktuigmodel 22420. Werkdiepte: 48 cm. Bits en ruimers met een diameter tot wel 3,5" (89 mm).
Multi-Purpose Tool, Dingo (Onderdeelnr 22423)
Harkmachinewerktuig (Onderdeelnr 22426)
De Toro harkmachine is het perfecte werktuig om zaaibedden en zodenbedden klaar te maken. De ronddraaiende trommel op de harkmachine verpulvert zware aarde, egaliseert hogere stukken en vult lagere stukken in één werkgang, en verwijdert stenen en rommel. Pure hardmetalen tanden zorgen voor de perfect ingezaaide ondergrond, wat superieur vochtbehoud en snelle ontkieming in de hand werkt.
Stronkenfreeswerktuig (Onderdeelnr 22429)
De Toro® Dingo® stronkenfrees kan eenvoudig worden gekoppeld aan de Dingo of Dingo TX compacte multifunctionele laders. Sneller en productiever stronken frezen met het stronkenfreeswerktuig voor uw Toro Dingo.
Boomvorkwerktuig (Onderdeelnr 22438)
Met de Toro Dingo hydraulische boomvorken kunt u bomen en grote struiken snel en moeiteloos planten en allerlei materiaal in uw tuincentrum of kwekerij verplaatsen. De Dingo compacte multifunctionele lader is vooral gemakkelijk wendbaar, zodat u probleemloos bomen of struiken kunt vervoeren en precies op de gewenste plaats kunt planten.
Cementmolenwerktuig (Onderdeelnr 22442)
In dit unieke werktuig mengt en giet u tot 90,7 kg droog cement. De speciaal ontworpen schroef in de cementbak zorgt ervoor dat het cement tijdens het mengen in de bak blijft. Hetzelfde ontwerp maakt het mogelijk cement in gaten voor hekpalen te storten terwijl de palen zijn geplaatst.
Grondfreeswerktuig (Onderdeelnr 22445)
De Toro Dingo grondfrees zorgt voor een aanzienlijke verbetering van de productiviteit en de prestaties van uw Dingo-systeem. Breek harde grond open tot wel 15,2 cm diep. De grondfrees raakt niet verstopt doordat u met een eenvoudige hendel de richting van de frees kunt omkeren en zo stenen en vuil verwijdert.
Verkruimelaar voor sleuvengraver (Onderdeelnr 22464)
Veerontwerp, accessoire van sleuvengraver om te helpen sleuven schoon te maken
Trench Filler, Compact Utility Loader (Onderdeelnr 22472)
Sleuvengraverwerktuig met hoog koppel (Onderdeelnr 22473)
Sleuvengraver met hoog koppel met heavy-duty aandrijvingssysteem garandeert prestaties in de meest veeleisende omstandigheden, van steen tot caliche. Geulen graven tot 127 cm diep in de grond. De sterke neusrollager en omkeerbare slijtbestendige boom zorgen voor jarenlange betrouwbare prestaties.
Sleuvengraverwerktuig met hoge snelheid (Onderdeelnr 22474)
Ideaal om snel en efficiënt sleuven te graven in de meeste bodemomstandigheden. Zeer geschikt voor kabel-, leiding- of irrigatie-installaties.
4-in-1 bakwerktuig voor lader (Onderdeelnr 22478)
Ontworpen voor gebruik op de Dingo 323, 320-D, e-Dingo, TX 427, TX 525 en TX 1000 modellen: dit werktuig combineert de veelzijdigheid van 4 werktuigen in één. Te gebruiken als standaardbak, nivelleerder, grijper en schuif.
Laderwerktuig voor smalle bak (Onderdeelnr 22520)
Bouw- en herstellingswerken worden eenvoudig: de machine kan probleemloos door doorgangen van 91,4 cm. Met deze 88 cm brede bak kunt u zonder probleem door smalle doorgangen als poorten en deuren. Verwijder stenen, rommel, zand of ander materiaal op de werklocatie. Ideaal voor gebruik op elk Dingo®-model dat is uitgerust met smalle wielen en banden.
Standard Bucket with Spacer (Onderdeelnr 22522)
Grijperwerktuig (Onderdeelnr 22577)
Met de Toro grijper kunt u materiaal eenvoudig vastpakken, slepen, opheffen en neerleggen. De grijper heeft twee zwaar uitgevoerde cilinders die een klemkracht van 1361 kg op de uiteinden van de tanden kunnen overbrengen, zodat u kunt ‘grijpen’ en niet meer loslaten.
DINGO SNOW CANOPY (Onderdeelnr 22584)
DINGO SNOW THROWER (Onderdeelnr 22585)
Grondboorwerktuig met hoog koppel (Onderdeelnr 22805)
In elke aandrijfkop is een wisselwerking tussen koppel (vermogen) en boorsnelheid (omwentelingen per minuut). De kop met hoog koppel geeft de grondboor een hoog koppel bij een lagere snelheid. Het hoge koppel vertaalt zich in de mogelijkheid van de Dingo om gaten van 76,2 cm te boren tot 1,8 m diep in klei, grind, zandsteen en vele andere omstandigheden waar koppen met een lager koppel vast komen te zitten.
Grondboorwerktuig voor lader met rupsbanden (Onderdeelnr 22806)
Dit werktuig zwenkt naar alle richtingen om loodrechte gaten in oneffen terrein te maken. De hogere snelheid van deze aandrijfkop is ideaal voor grondboren met een diameter tot 61 cm. Wissel snel tussen verschillende boormaten om gaten voor hekpalen, fundamenten, sproeiers en veel meer te maken.
Grondboor 46 cm (Onderdeelnr 22814)
Grondboor 46 cm, werkend over volle lengte - vereist boorkop werktuig 22805 of 22806
Grondboor 61 cm (Onderdeelnr 22815)
Grondboor 61 cm, werkend over volle lengte - vereist boorkop werktuig 22805 of 22806
Grondboor 76 cm (Onderdeelnr 22816)
Grondboor 76 cm, werkend over volle lengte - vereist boorkop werktuig 22805.
Verlenging van 30,5 cm voor grondboor (Onderdeelnr 22818)
Voeg een verlenging toe aan elke boor om de diepte te vergroten.
Verlenging van 61 cm voor grondboor (Onderdeelnr 22819)
Voeg een verlenging toe aan elke boor om de diepte te vergroten.
Grondboor 15 cm, werkend over volle lengte (Onderdeelnr 22820)
Grondboor 15 cm, werkend over volle lengte - vereist boorkop werktuig 22805 of 22806
Grondboor 23 cm, werkend over volle lengte (Onderdeelnr 22821)
Grondboor 23 cm, werkend over volle lengte - vereist boorkop werktuig 22805 of 22806
Grondboor 30,5 cm, werkend over volle lengte (Onderdeelnr 22822)
Grondboor 30,5 cm, werkend over volle lengte - vereist boorkop werktuig 22805 of 22806
Grondboor 38 cm, werkend over volle lengte (Onderdeelnr 22823)
Grondboor 38 cm, werkend over volle lengte - vereist boorkop werktuig 22805 of 22806
Trilploegwerktuig (Onderdeelnr 22911)
De Toro® Dingo® trilploeg zorgt ervoor dat een beregeningsinstallateur aanzienlijk minder tijd hoeft te besteden aan de installatie van beregeningsystemen en kabels. De trilploeg, die Toro speciaal heeft ontworpen en geconstrueerd voor gebruik op de Dingo, zorgt ervoor dat de buizen zo goed mogelijk worden gelegd en de schade aan de grasmat tijdens de installatie tot het minimum wordt beperkt. U kunt de schuif met afvoer en spoeldrager gebruiken om draad of kabel te leggen.
Bodemcultivatorwerktuig (Onderdeelnr 23102)
De bodemcultivator is het ultieme werktuig om grond te bewerken! Dit ongelooflijk veelzijdige werktuig kan worden gebruikt om grond te bewerken en te nivelleren en beplantingsmateriaal, compost en kunstmest te mengen. Dit werktuig kan ook worden gebruikt om rommel zoals stenen, aardkluiten en gras te begraven. Hiermee transformeert u oneffen terrein in één werkgang tot een perfect zaaibed.
BACKHOE w/ 12IN BUCKET, DINGO CUL (Onderdeelnr 23106)
BACKHOE FIT-UP KIT, DINGO TX 1000 (Onderdeelnr 23126)
Low Flow Auxiliary Kit, TX 1000 Compact Utility Loader (Onderdeelnr 23134)
Concrete Breaker, Dingo Compact Utility Loaders (Onderdeelnr 23135)
Nivelleerwerktuig (Onderdeelnr 23165)
Dit veelzijdige en zeer productieve werktuig mag op geen enkele werklocatie ontbreken. U kunt hiermee egaliseren, afwerken, beplantingsmateriaal verspreiden, sleuven vullen en de grasmat openbreken. Ook perfect voor het dragen en transporteren van materiaal op het werkterrein.
Double Detent Valve (Onderdeelnr 23171)
Stump Grinder Fit-Up Kit, TX 1000 Compact Tool Carrier (Onderdeelnr 23172)
Red Paint - Gallon Can (Onderdeelnr 361-11)
PAINT-AEROSOL, DARK METALLIC GRAY (Onderdeelnr 361-12)
PAINT-SPRAY, TORO SEMI-GLOSS BLACK (Onderdeelnr 361-9)
Red Paint - Quart Can (Onderdeelnr 5340)
Spark Arrestor (Meets USDA Forest Service Standard 5100-1A) (Onderdeelnr 98-9099)
-
Modelnr.
22328 -
Serienr.
411840000 - 412438202 -
Productnaam
TX 1000 Wide Track Compact Tool Carrier -
Productmerk
Toro -
Producttype
Compact Utility Loaders



























































