Professional 4000 Series MyRIDE® HDX Petrol Z Master® 132 cm 74053TE
Product Information
- Model number: 74053TE
- Serial number: 420000000 - 999999999
- Product Type: Riding Products
Loading...
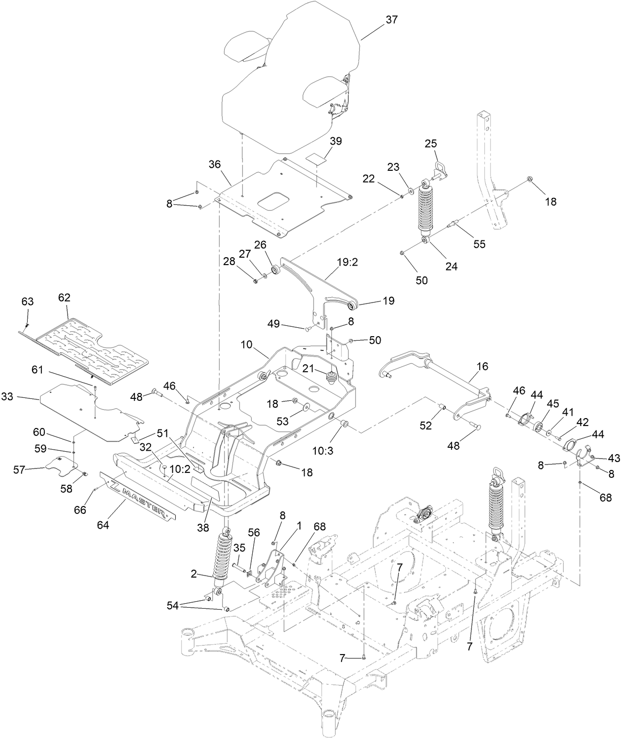
Assembly Drawings
Search for a part within assembly drawings:
-
Service Manual
-
Operator's Manual
-
Parts Catalogue
-
Product Warranty
-
Setup Instructions
-
EU/UK Declaration of Conformity
Road Lights Kit (Part number 02936)
HYPR-OIL 500 -QUART (Part number 114-4713)
HYPR-OIL 500-GALLON (Part number 114-4714)
HYPR-OIL 500-5 GALLON (Part number 114-4715)
Jack Kit With Adapter, Zero-Turn-Radius Side-Discharge or Rear-Dischar (Part number 126-7282)
Jack Kit Adapter, Zero-Turn-Radius Side-Discharge or Rear-Discharge Ri (Part number 126-7283)
Striper Kit (Part number 126-7882)
Jack Kit, Zero-Turn-Radius Side-Discharge or Rear-Discharge Riding Mow (Part number 127-6666)
Single Side Mirror Kit (Part number 134-8275)
SHOCK/SPRING ASM (Part number 136-8993)
RECYCLER KIT-G3/GRANDSTAND, 52 (Part number 139-6653)
BLADE-FLOW, HIGH (Part number 140-1242)
BLADE-18.00 MEDIUM FLOW (Part number 140-4856)
BLADE-18.00 LOW FLOW (Part number 140-4857)
BLADE-18.00 ATOMIC (Part number 140-4858)
BLADE-18.00 RECYCLER (Part number 140-4859)
6 PACK-BLADE, 18.00 HIGH FLOW (Part number 140-4882)
6 PACK-BLADE, 18.00 MED FLOW (Part number 140-4883)
6 PACK-BLADE, 18.00 LOW FLOW (Part number 140-4884)
6 PACK-BLADE, 18.00 ATOMIC (Part number 140-4885)
6 PACK-BLADE, 18.00 RECYCLER (Part number 140-4886)
SCREEN-SPARK ARRESTOR (Part number 142-7683)
TRIMMER MOUNT (Part number 144-2665)
KIT, JACK MOUNT (Part number 144-2676)
HARDTOP SUN CANOPY (Part number 144-3719)
52" CHUTE GATE KIT [4000] (Part number 144-6571)
52 CE COMPLIANCE KIT [4000] (Part number 145-1262)
ASM-SEMI PNEUMATIC 15X6.50-6 (Part number 145-1919)
HANDLE EXTENSION KIT (Part number 145-3615)
TWEEL-TURF (Part number 147-4600)
BLADE-18.00 HIGH FLOW (Part number 147-6251)
6 PACK-BLADE, 18.00 HIGH FLOW (Part number 147-6255)
15INX6N6 CASTER TWEEL ASM (Part number 147-6337)
Bucket Mount Kit, Z Master 2000 or 4000 Series Riding Mower (Part number 147-6345)
Universal Mount Kit, Z Master 2000 or 4000 Series Riding Mower (Part number 147-6346)
KIT-BAFFLE, TURBO FORCE (Part number 147-7361)
KIT-2IN RECIEVER HITCH (Part number 161-2810)
Fuel Pickup with Screen, Kit (Part number 161-6806)
BAGGER KIT, Z MASTER 2000 / 4000 (Part number 78439)
Z 4000 52IN COMPLETION KIT (Part number 78465)
-
Model number
74053TE -
Serial number
420000000 - 999999999 -
Product Name
Professional 4000 Series MyRIDE® HDX Petrol Z Master® 132 cm 74053TE -
Product Brand
Toro -
Product Type
Riding Products -
Product Series
Zero Radius Turn, Commercial 4000 Series -
Chassis Type
ZRT - LCE -
Swath
52 inch / 132 cm -
Discharge
Side Discharge -
Engine/Motor Manufacturer
Kawasaki -
Engine/Motor Size
25.5 hp -
Engine/Motor Type
4 Cycle -
Engine Starter
Electric -
Transmission Type
Hand Push -
Traction Type
Rear WD
-
Engine: Battery
12V 300CCA -
Engine: Spark Plug
NGK BPR4ES -
Engine: Spark Plug Gap
.030"/ .76mm -
Chassis: Tire Pressure
13 psi / 90 kPa -
Drive System: Ground Speed
0-10 mph / 0-16kph -
Chassis: Height of Cut Range
1.5" - 5.5" (38-140mm) -
Engine: Engine Speed
3400±100 RPM -
Engine: Engine Oil Type
77 oz. (2.3L) with filter change SAE 10w30/10w40 -
Engine: Ignition Coil Air Gap
0.011in (0.3mm) -
Drive System: Gearbox Lubricant
HYPR-OIL 500 / 20w-50 Synthetic Motor Oil


























