Tondeuse Recycler® S46O de 46 cm 20944
Informations produit
- Nº Modèle : 20944
- Nº Série : 320000001 - 320999999
- Type de produit : Walk Behind Mowers
Chargement...
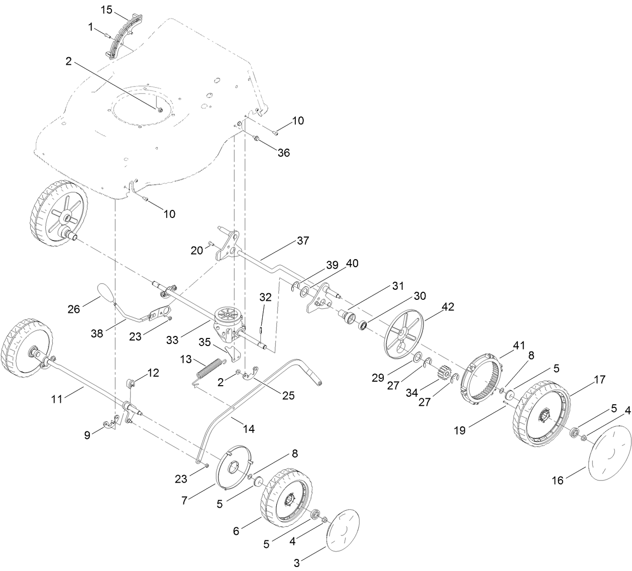
Schémas d’assemblage
Rechercher une pièce dans des schémas d'assemblage :
-
Manuel de l'utilisateur
-
Catalogue de pièces haute
-
Garantie produit
-
Déclaration de conformité UE / RU
-
Nº Modèle
20944 -
Nº Série
320000001 - 320999999 -
Nom du produit
Tondeuse Recycler® S46O de 46 cm 20944 -
Marque du produit
Toro -
Type de produit
Walk Behind Mowers



