Lawnmower
Product Information
- Model #: 20106
- Serial #: 1000001 - 1999999
- Product Type: Walk Behind Mowers
Loading...
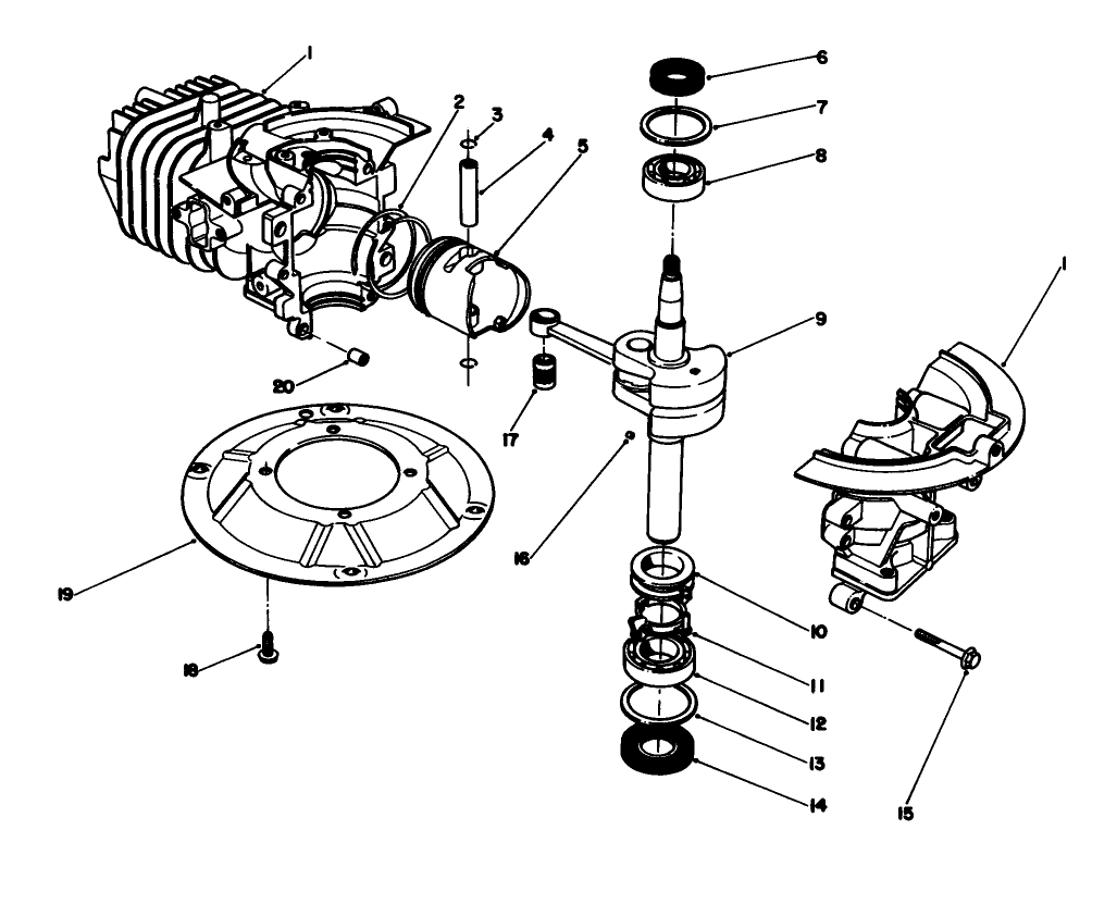
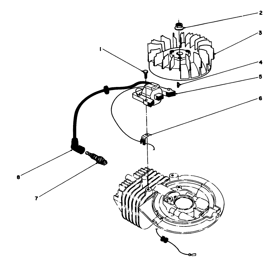
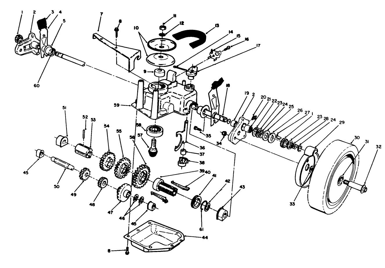
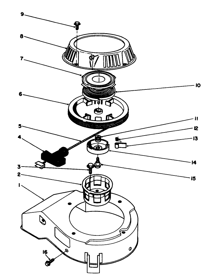
Assembly Drawings
Search for a part within assembly drawings:
-
Service Manual
-
Operator's Manual
-
Parts Catalog
-
Addendum
Leaf Shredder (Part # 59157)
Side Discharge Chute (Part # 59168)
21" Recycler Kit (Part # 59173)
Bagger Kit (Part # 59174)
Side Discharge Chute (Part # 59189)
Bag Only (Part # 77-5200)
-
Model #
20106 -
Serial #
1000001 - 1999999 -
Product Name
Lawnmower -
Product Brand
Toro -
Product Type
Walk Behind Mowers -
Product Series
21" (53cm) 3 in 1 / Recycler -
Chassis Type
Cast Deck WPM -
Swath
21 inch -
Discharge
Recycler -
Engine/Motor Manufacturer
Suzuki -
Engine/Motor Size
4.5 hp -
Engine/Motor Type
2 Cycle -
Engine Starter
Recoil -
Transmission Type
Gear
-
Chassis: Height of Cut Range
1-3"; 1/2" increments -
Drive System: Gearbox Lubricant
#2 Lithium grease -
Drive System: Ground Speed
1.8 / 2.7 / 3.8 mph -
Engine: Engine Oil Type
Toro 2 cycle / NMMA-TCW3 -
Engine: Engine Speed
3000±150 RPM -
Engine: Ignition Coil Air Gap
.015-.020" / .4-.5mm -
Engine: Mix Ratio
50:1 (2.6 oz./gal.) -
Engine: Spark Plug
NGK BPMR6A -
Engine: Spark Plug Gap
.032"/ .8mm
















