Lawnmower
Product Information
- Model #: 20107
- Serial #: 2000001 - 2999999
- Product Type: Walk Behind Mowers
Loading...
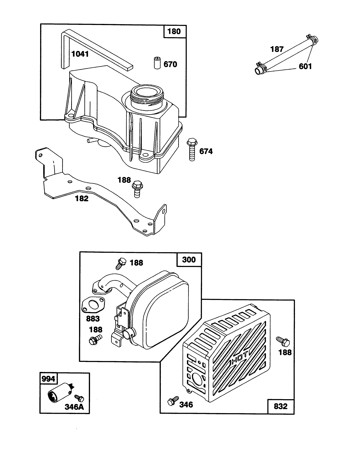
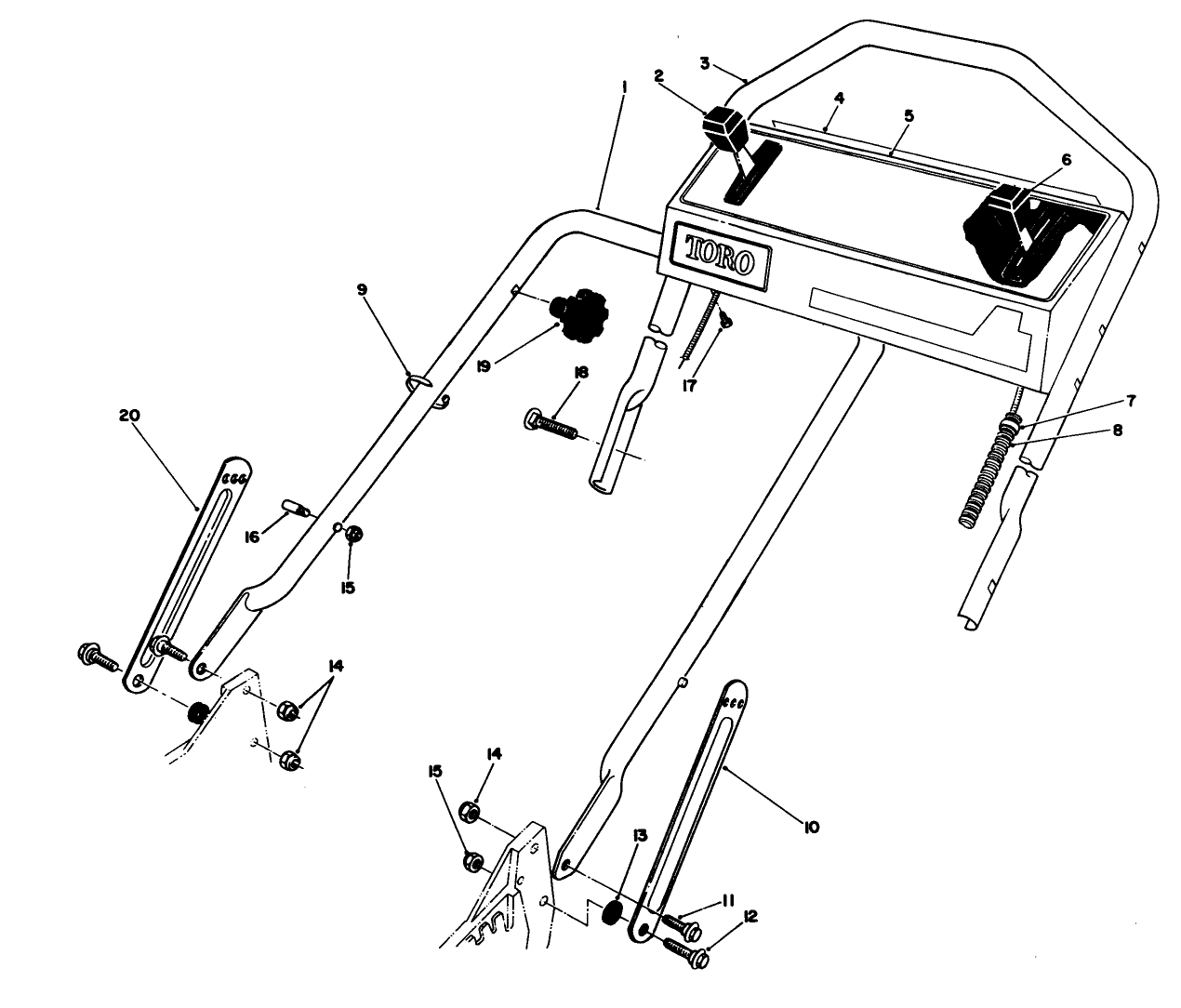
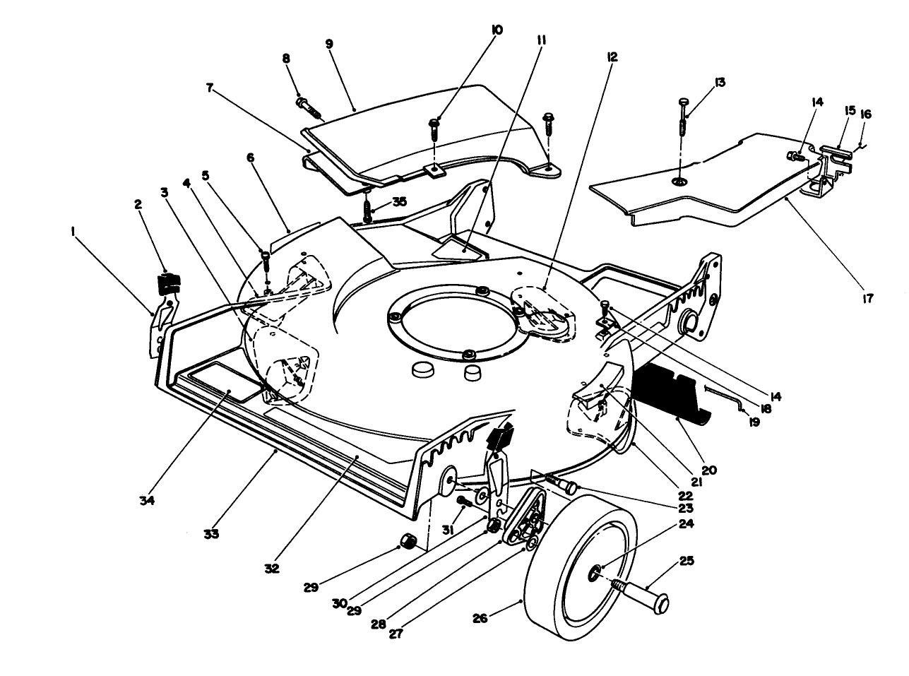
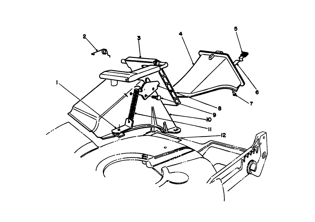
Assembly Drawings
Search for a part within assembly drawings:
-
Service Manual
-
Operator's Manual
-
Parts Catalog
Grass Bag (Part # 44-0522)
Genuine OEM Part
Leaf Shredder (Part # 59157)
Side Discharge Chute (Part # 59168)
21" Recycler Kit (Part # 59173)
Bagger Kit (Part # 59174)
Side Discharge Chute (Part # 59189)
-
Model #
20107 -
Serial #
2000001 - 2999999 -
Product Name
Lawnmower -
Product Brand
Toro -
Product Type
Walk Behind Mowers -
Product Series
21" (53cm) 3 in 1 / Recycler -
Chassis Type
Cast Deck WPM -
Swath
21 inch -
Discharge
Recycler -
Engine/Motor Manufacturer
Toro/Briggs & Stratton -
Engine/Motor Size
5.5 hp -
Engine/Motor Type
4 Cycle -
Engine Starter
Recoil -
Transmission Type
Gear
-
Chassis: Height of Cut Range
1-3"; 1/2" increments -
Engine: Engine Oil Type
25 oz. (.74l) 30w or 10w-30 / API SH or higher -
Engine: Engine Speed
3000±150 RPM -
Engine: Ignition Coil Air Gap
.008-.012" / .2-.3mm -
Engine: Spark Plug
Champion RC12YC -
Engine: Spark Plug Gap
.030"/ .76mm















