11-Blade Single Point Adjustment Reel Mower, Greensmaster 3000 Series
Product Information
- Model #: 04450
- Serial #: 10001 - 11342
- Product Type: Attachments
Loading...
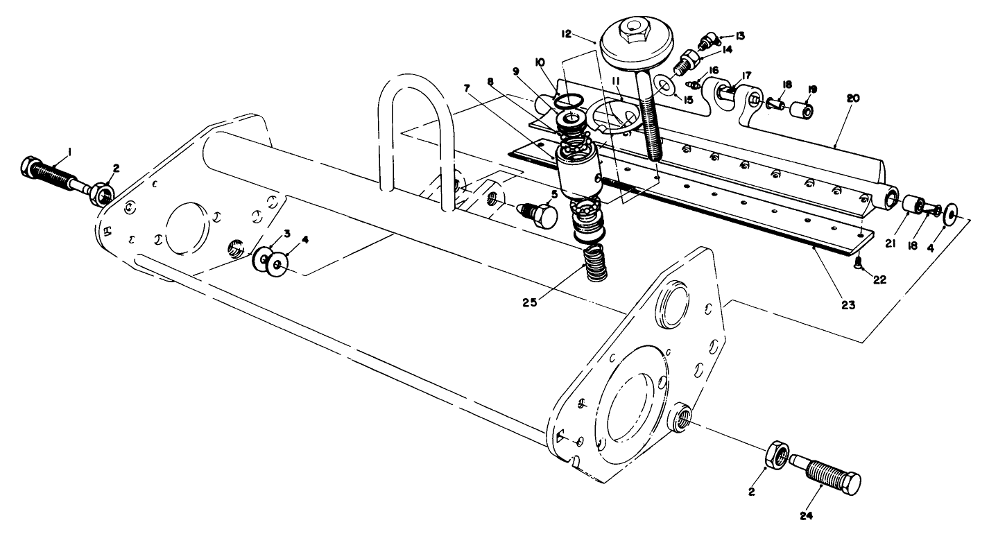
Assembly Drawings
Search for a part within assembly drawings:
-
Operator's Manual
-
Parts Catalog
-
Service Bulletin
-
Model #
04450 -
Serial #
10001 - 11342 -
Product Name
11-Blade Single Point Adjustment Reel Mower, Greensmaster 3000 Series -
Product Brand
Toro -
Product Type
Attachments -
Product Series
GR 3000 Series Accessories




