Lawnmower
Product Information
- Model #: 20611
- Serial #: 9000001 - 9999999
- Product Type: Walk Behind Mowers
Loading...
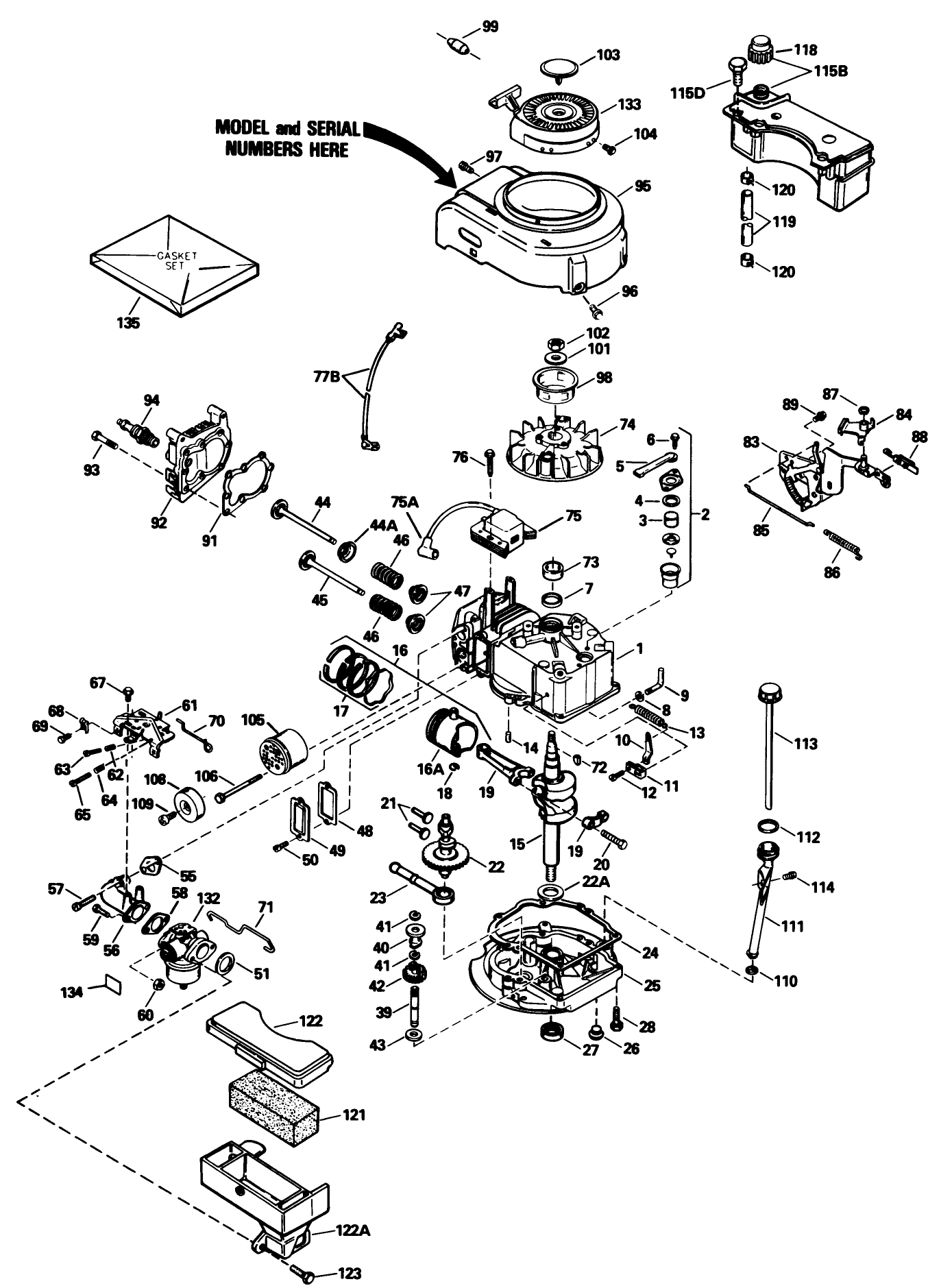
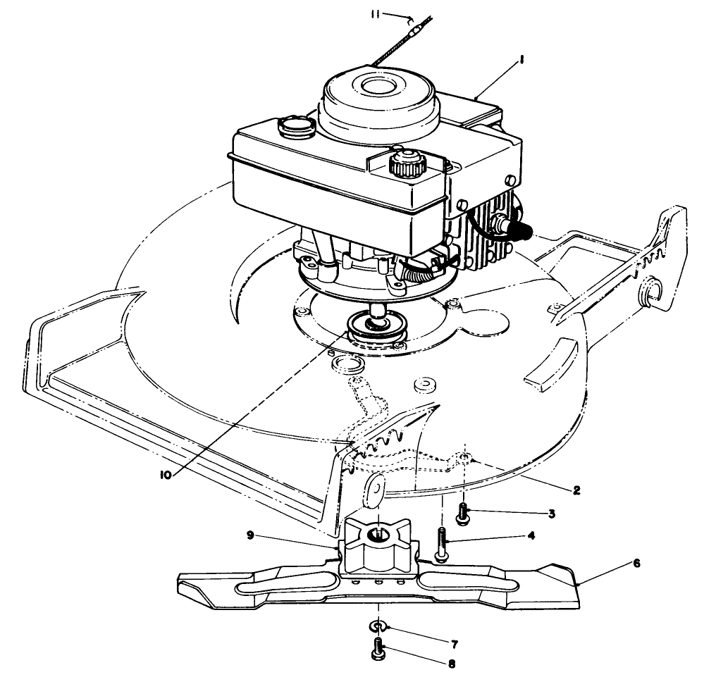
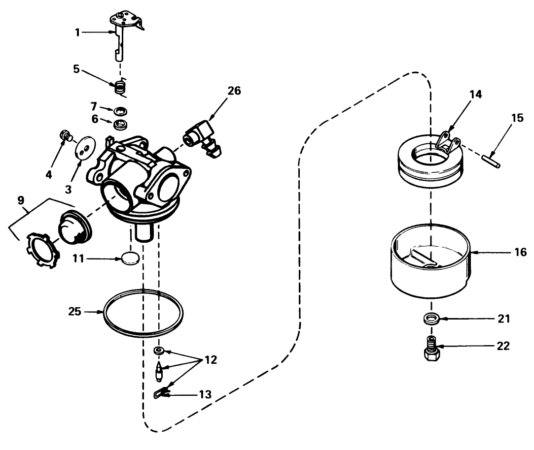
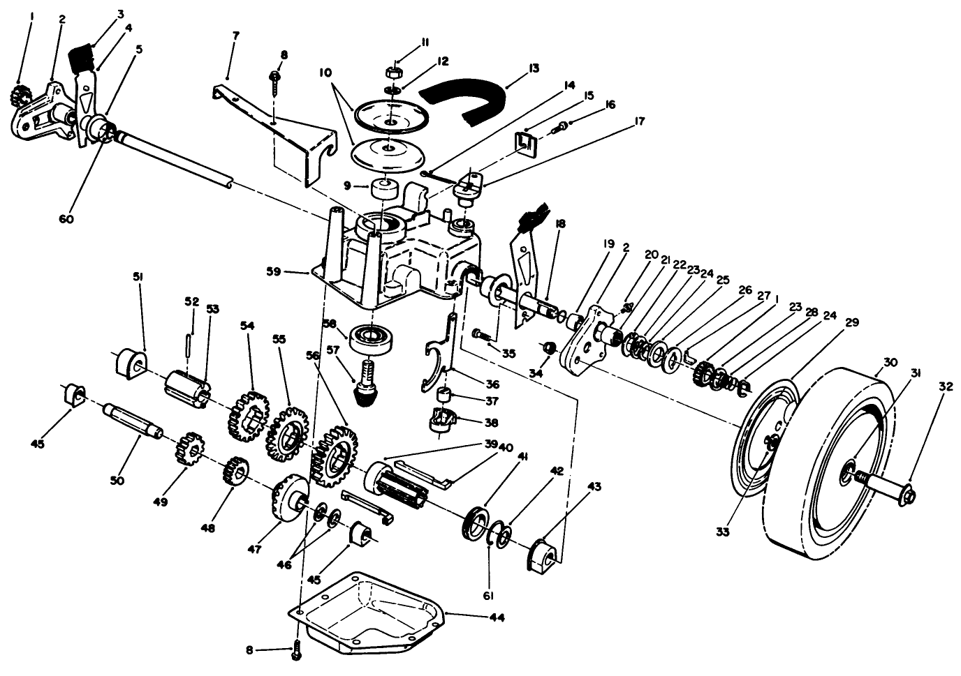
Assembly Drawings
Search for a part within assembly drawings:
-
Service Manual
-
Operator's Manual
-
Parts Catalog
Dethatcher (Part # 59126)
Leaf Shredder (Part # 59157)
Side Discharge Chute (Part # 59168)
-
Model #
20611 -
Serial #
9000001 - 9999999 -
Product Name
Lawnmower -
Product Brand
Toro -
Product Type
Walk Behind Mowers -
Product Series
21" (53cm) 3 in 1 / Recycler -
Chassis Type
Cast Deck WPM -
Swath
21 inch -
Discharge
Rear Bagger -
Engine/Motor Manufacturer
Tecumseh -
Engine/Motor Type
4 Cycle -
Engine Starter
Recoil -
Transmission Type
Gear
-
Engine: Bore
2.625" (66.7mm) -
Engine: Stroke
1.844" (46.8mm) -
Engine: Displacement
10.0 cu.in. (164cc.) -
Engine: Cylinder Liner
Aluminum alloy -
Engine: Engine Rotation
Counterclockwise viewed from PTO -
Engine: Carburetor Type
Float style with primer and automatic choke -
Engine: Fuel Capacity
32 oz. (.94 L) -
Engine: Crankshaft Bearing (Mag.)
Plain -
Engine: Crankshaft Bearing (PTO.)
Plain -
Engine: Connecting Rod Bearing
Plain -
Engine: Ignition System
Electronic -
Engine: Starting System
Recoil (12 volt electric) -
Engine: Lubrication
Reciprocating type oil pump -
Engine: Oil Capacity
21 oz. (.62 L) -
Engine: Recommended Oil
Detergent SAE 10W30 or 30, API rating of SC,SD,SE,or SF -
Engine: Governor Type
Centifugal, mechanical -
Engine: Governed Engine Speed
3000 +/- 150 rpm"with blade engaged" -
Engine: Idle Speed
1500 +/- 300 rpm"with blade engaged" -
Engine: Valve Margin Allowable Limit
0.031" (0.80mm) -
Engine: Width of Valve Seat Contact
0.035/.045" (0.89/1.143mm) -
Engine: Valve Lash
0.008" (0.20mm) -
Engine: Valve Seat Angle
31/46/60 Degrees -
Engine: Valve Face Angle
45 Degrees -
Engine: Oversize Valve Guide I.D.
0.2807/.2817" (7.130/7.155mm) -
Engine: Crankshaft Runout
0/.002" (0/0.05mm) "Allowable Limit 0.008" (0.203mm) -
Engine: Crankshaft End Play
0.005/.027" (0.127/.686mm) -
Engine: Crankshaft Journal Diameter (Mag)
0.9985/.9990" (25.362/25.375mm) -
Engine: Crankshaft Journal Diameter (PTO)
0.9985/.9990" (25.362/25.375mm) -
Engine: Crankpin Journal Diameter
0.9995/1.0000" (25.387/25.400mm) -
Engine: Crankshaft Bearing Diameter (Mag)
1.0005/1.0010" (25.413/25.425mm) -
Engine: Crankshaft Bearing Diameter (PTO)
1.0005/1.0010" (25.413/25.425mm) -
Engine: Connecting Rod Bearing Diameter (big end)
0.8620/.8625" (21.895/21.908mm) -
Engine: Camshaft Bearing Diameter
0.4975/.4980" (12.637/12.649mm) -
Engine: Cylinder Diameter
2.625/2.626" (66.68/66.70mm) -
Engine: Piston Measuring Point
Bottom of piston skirt 90 degrees from wrist pin -
Engine: Piston Diameter
2.6200/2.6205" (63.548/63.561mm) -
Engine: Piston to Cylinder Clearance
0.0045/.0060" (0.114/.152mm) -
Engine: Piston Ring End Gap (compression ring only)
0.007/.017" (0.178/.432mm) -
Engine: Piston Ring Side Clearance (compression ring only)
0.0030/.0045" (0.076/.114mm) -
Engine: Piston Ring Side Clearance (oil ring only)
0.0010/.0030" (0.025/.102mm) -
Engine: "Carburetor" Main Jet (STD)
Fixed -
Engine: "Carburetor" Pilot Jet
Fixed -
Engine: "Carburetor" Valve Seat Material
Viton (replaceable) -
Engine: "Carburetor" Inlet Needle Material
stainless steel -
Engine: "Carburetor" Inlet Needle Pop Off Pressure
3/4 psi. (0.21/.28kg/cm2) -
Engine: "Torque" Spark Plug
20.8 ft.lbs. (2.88kg m) -
Engine: "Torque" Cylinder Head Bolts
14.5 ft.lbs. (2.01kg m) -
Engine: "Torque" Flywheel Nut
34.8 ft.lbs. (4.81kg m) -
Engine: "Torque" Connecting Rod Bolts
8.5 ft.lbs. (1.18kg m) -
Engine: "Torque" Engine Mounting Bolts
27.0 ft.lbs. (3.73kg m) -
Engine: "Torque" Blade Bolt or Nut
52.5 ft.lbs. (7.26kg m) -
Engine: "Torque" Recoil Starter Screws
7.1 ft.lbs. (0.98kg m) -
Engine: "Torque" Air Cleaner Fasteners
1.0 ft.lbs. (.14kg m) -
Engine: "Torque" Carburetor to Intake Pipe
5.0 ft.lbs. (.69kg m) -
Engine: "Torque" Intake Pipe to Head
7.0 ft.lbs. (.97kg m) -
Engine: "Torque" Crankcase Screws
9.6 ft.lbs. (1.33kg m) -
Engine: "Torque" Muffler Nuts
2.3 ft.lbs. (0.32kg m) -
Engine: "Torque" Fuel Tank Screws
1.5 ft.lbs. (0.21kg m) -
Chassis: Height of Cut Range
1-3"; 1/2" increments -
Drive System: Gearbox Lubricant
#2 Lithium grease -
Drive System: Ground Speed
1.8 / 2.7 / 3.8 mph -
Engine: Ignition Coil Air Gap
.013" / .33mm -
Engine: Spark Plug
Champion J19LM -
Engine: Spark Plug Gap
.030"/ .76mm












