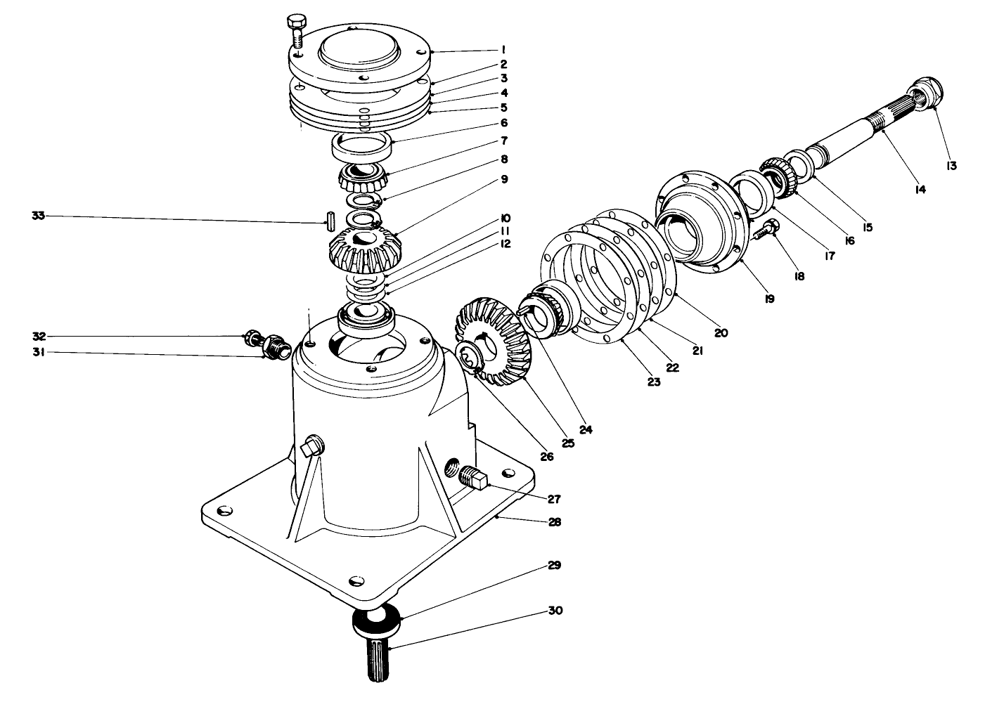
Groundsmaster 72 Traction Unit
Product Information
- Model #: 30720
- Serial #: 40001 - 49999
- Product Type: Riding Products
Loading...
Assembly Drawings
Search for a part within assembly drawings:
-
Operator's Manual
-
Parts Catalog
-
Service Bulletin
-
Model #
30720 -
Serial #
40001 - 49999 -
Product Name
Groundsmaster 72 Traction Unit -
Product Brand
Toro -
Product Type
Riding Products -
Product Series
Attachments & Kits, Groundsmaster




















