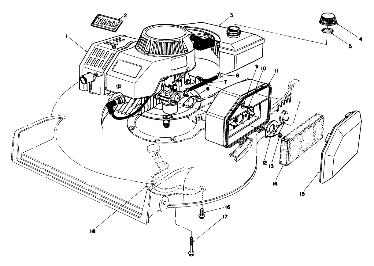
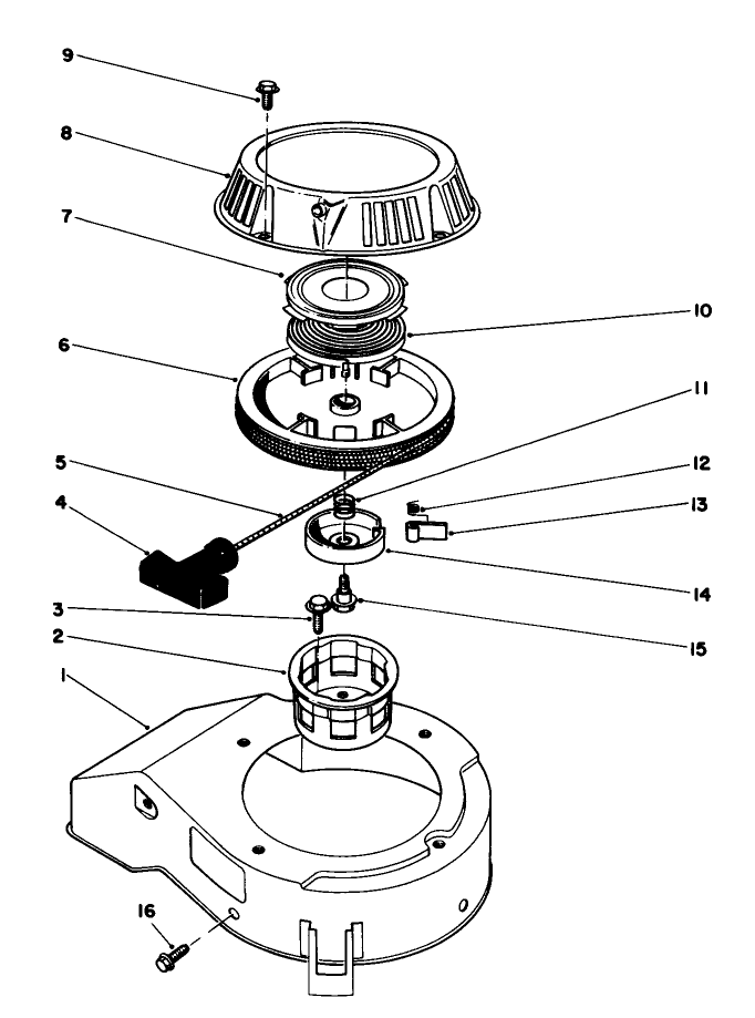
Lawnmower
Product Information
- Model #: 20684
- Serial #: 5000001 - 5999999
- Product Type: Walk Behind Mowers
Loading...
Assembly Drawings
Search for a part within assembly drawings:
-
Service Manual
-
Parts Catalog
-
Addendum
Grass Bag Assembly (Part # 11-0189)
Genuine OEM Part
Chute, Side Discharge (Part # 59108)
Dethatcher (Part # 59126)
Leaf Shredder (Part # 59157)
-
Model #
20684 -
Serial #
5000001 - 5999999 -
Product Name
Lawnmower -
Product Brand
Toro -
Product Type
Walk Behind Mowers -
Product Series
21" (53cm) 3 in 1 / Recycler -
Chassis Type
Cast Deck WPM -
Swath
21 inch -
Discharge
Rear Bagger -
Engine/Motor Manufacturer
Suzuki -
Engine/Motor Type
2 Cycle -
Engine Starter
Recoil -
Transmission Type
Gear

















