Reelmaster 108
Product Information
- Model #: 03204
- Serial #: 90001 - 99999
- Product Type: Riding Products
Loading...
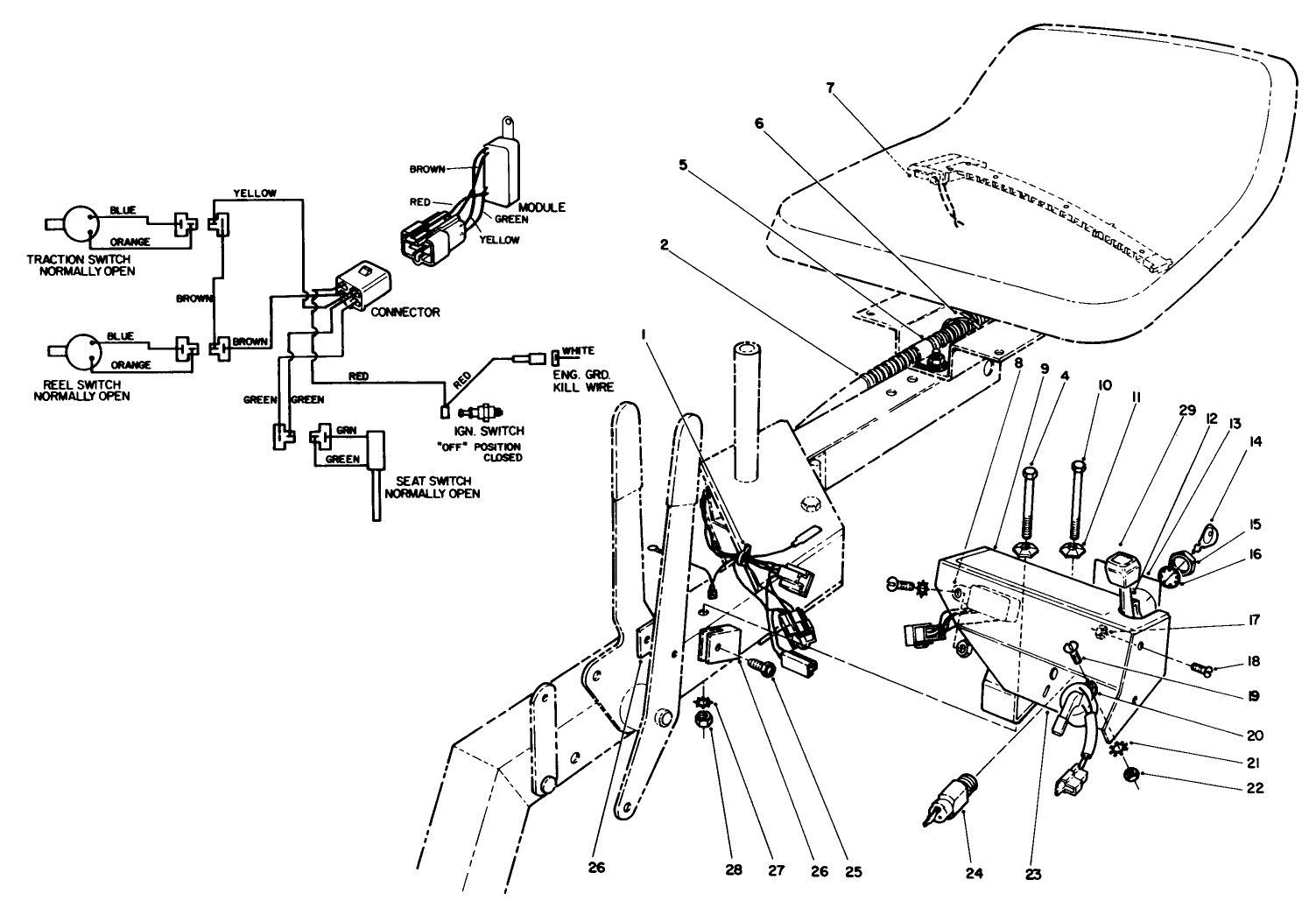
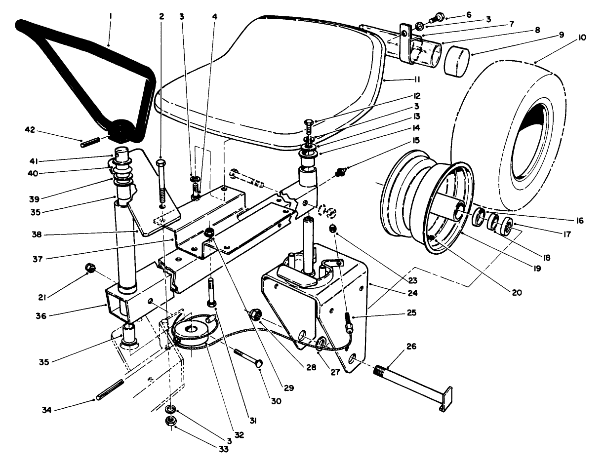
Assembly Drawings
Search for a part within assembly drawings:
-
Operator's Manual
-
Service Bulletin
-
Model #
03204 -
Serial #
90001 - 99999 -
Product Name
Reelmaster 108 -
Product Brand
Toro -
Product Type
Riding Products -
Product Series
RM 100 Series

































