21" Series 4 Greensmaster
Product Information
- Model #: 04023
- Serial #: 40001 - 49999
- Product Type: Walk Behind Mowers
Loading...
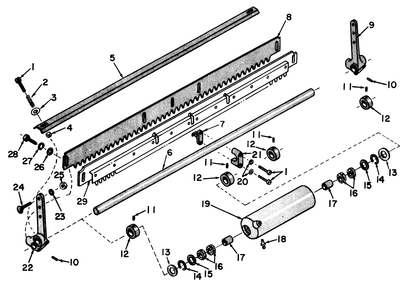
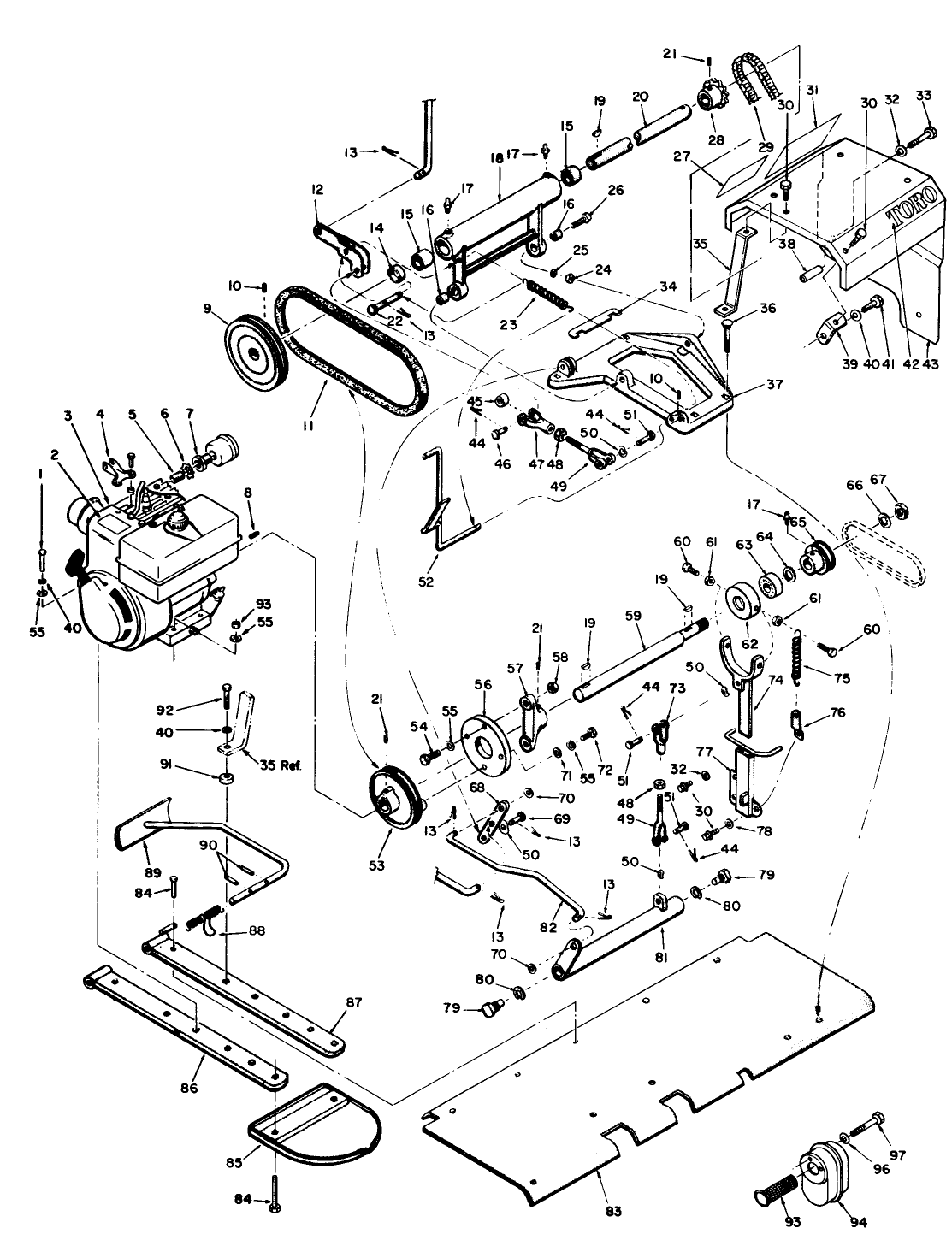
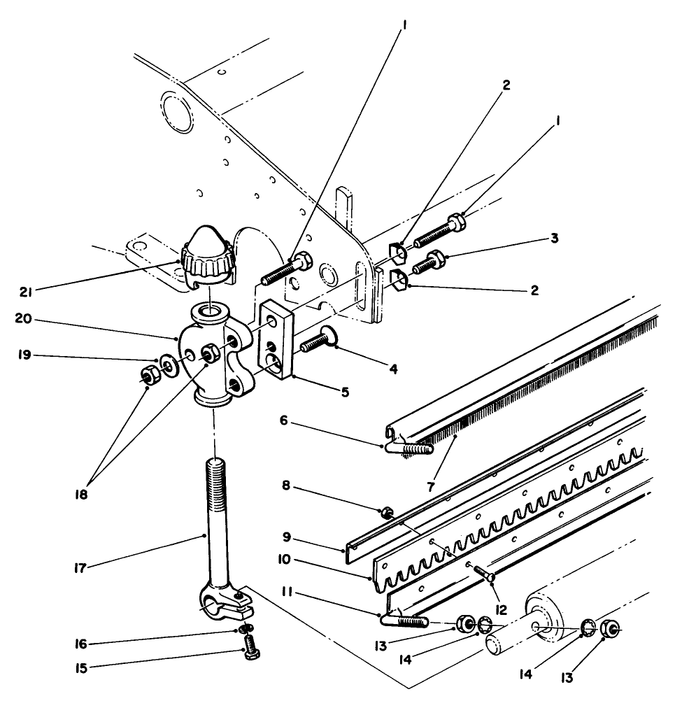
Assembly Drawings
Search for a part within assembly drawings:
-
Service Bulletin
-
Model #
04023 -
Serial #
40001 - 49999 -
Product Name
21" Series 4 Greensmaster -
Product Brand
Toro -
Product Type
Walk Behind Mowers -
Product Series
Greensmower - Series 4














