Groundsmaster 72
Product Information
- Model #: 30778
- Serial #: 80001 - 89999
- Product Type: Riding Products
Loading...
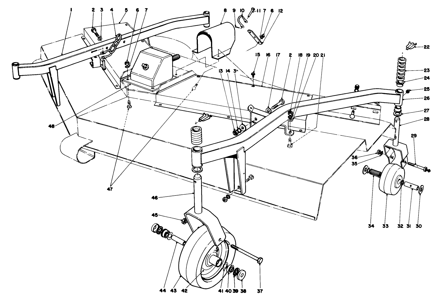
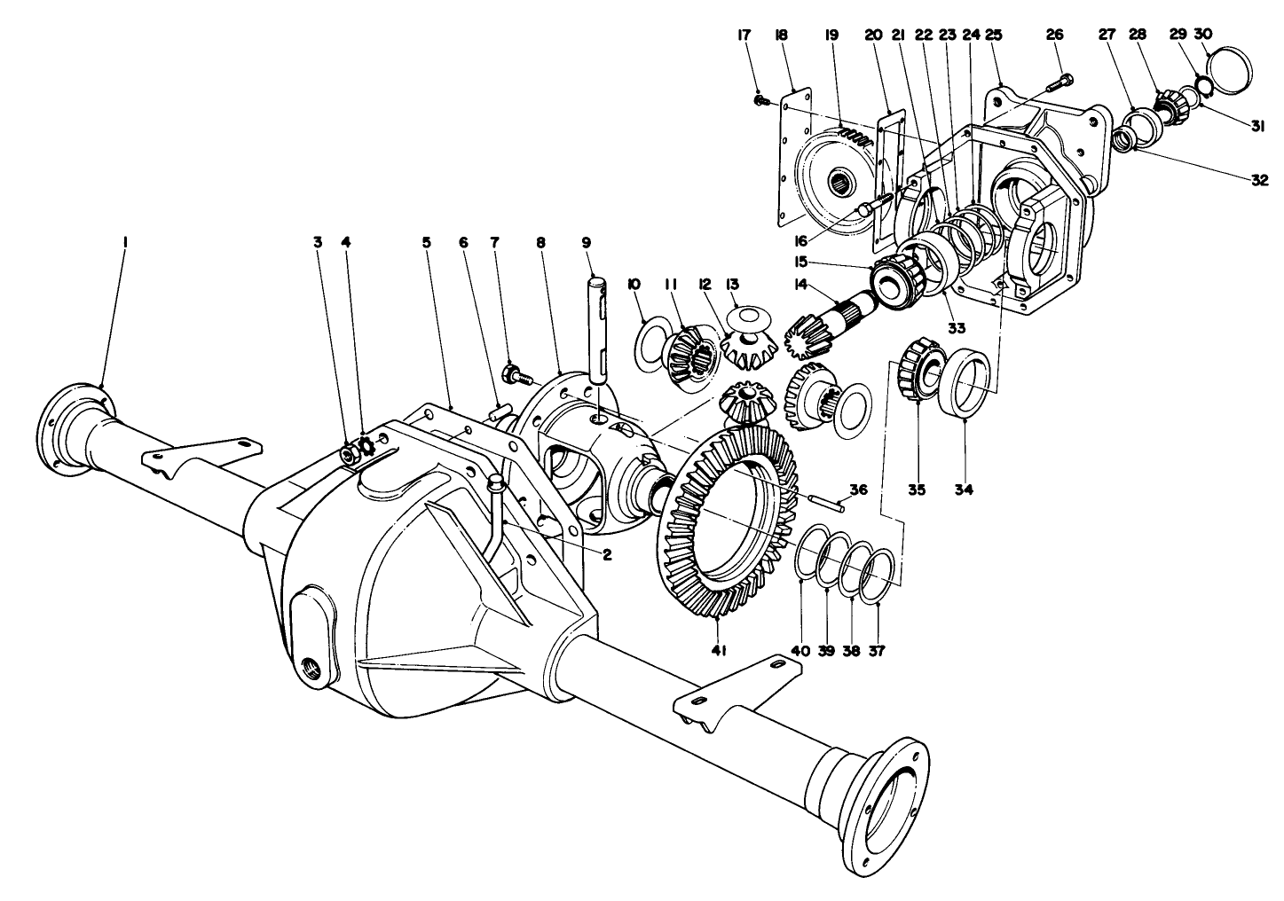
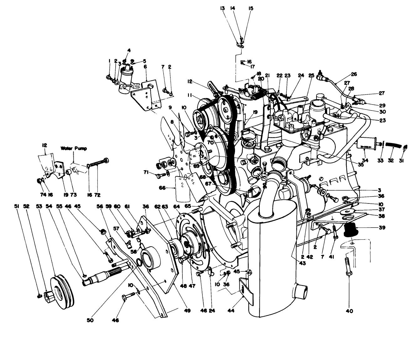
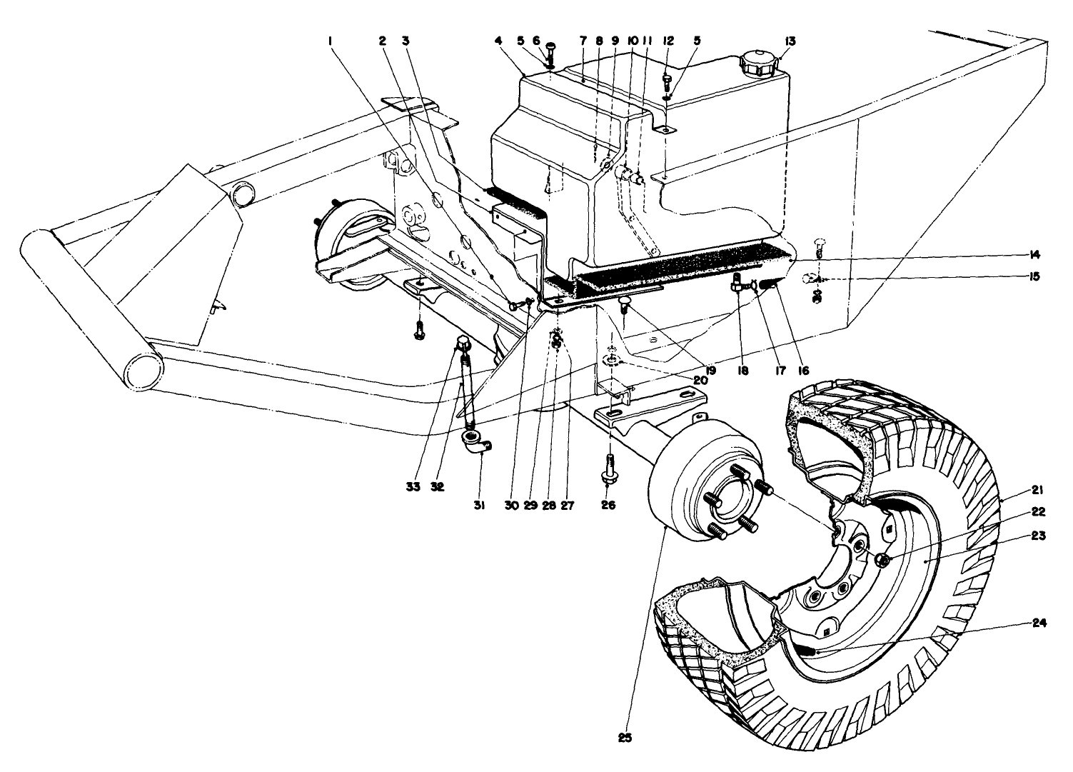
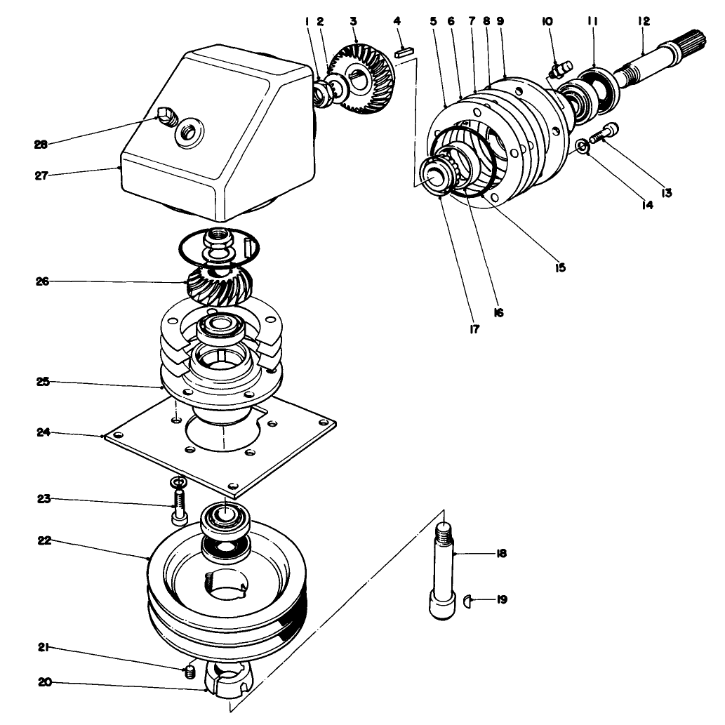
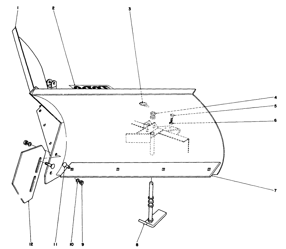
Assembly Drawings
Search for a part within assembly drawings:
-
Operator's Manual
-
Parts Catalog
-
Service Bulletin
-
Model #
30778 -
Serial #
80001 - 89999 -
Product Name
Groundsmaster 72 -
Product Brand
Toro -
Product Type
Riding Products -
Product Series
Groundsmaster 52 & 72




























