Parkmaster 7 Unit Diesel
Product Information
- Model #: 33677
- Serial #: 60001 - 69999
- Product Type: General Tractors (Commercial Only)
Loading...
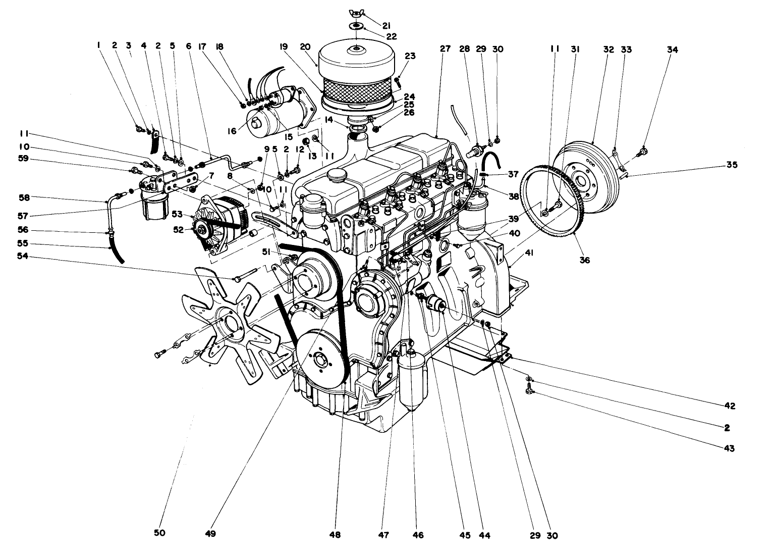
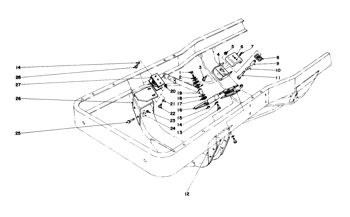
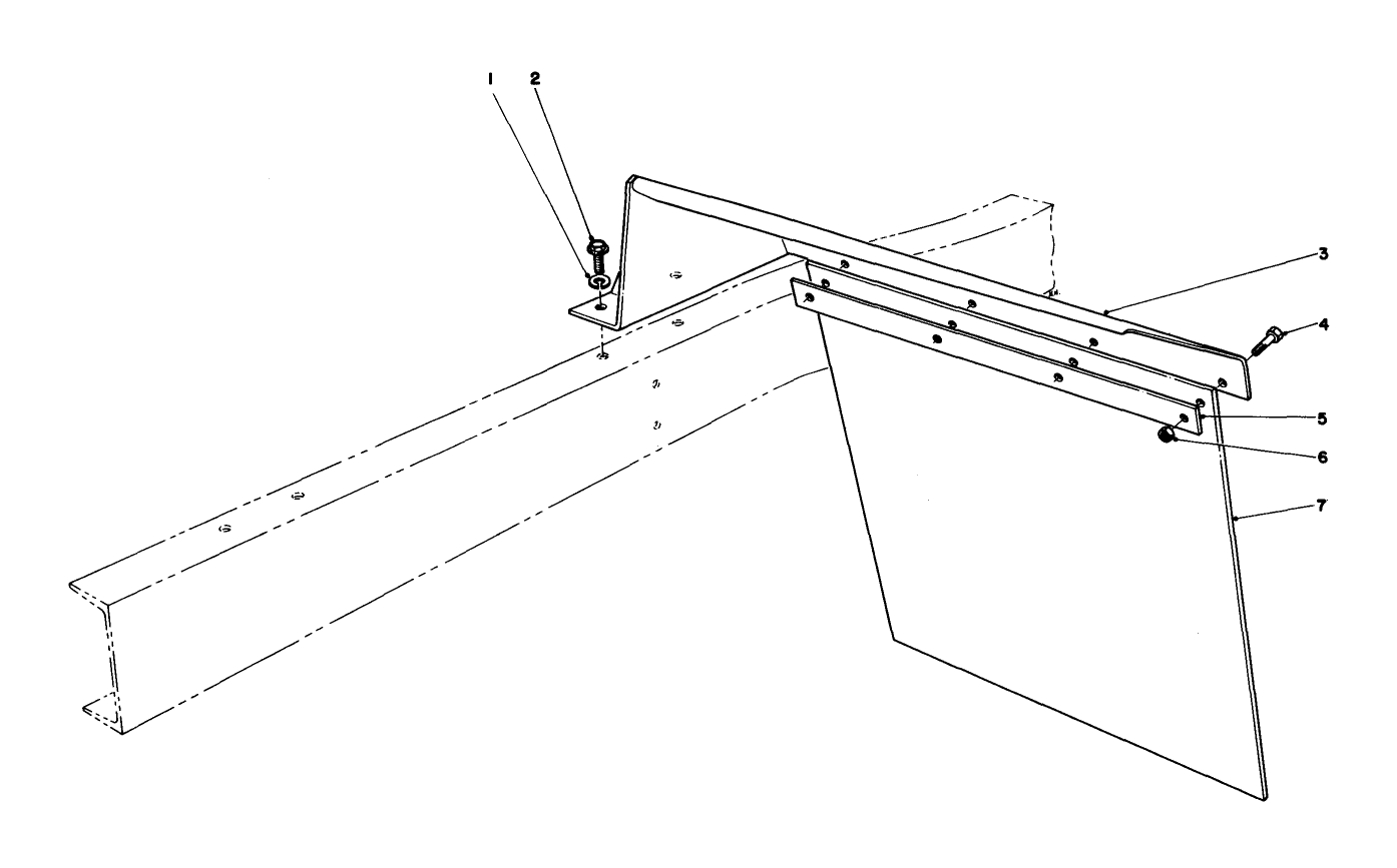
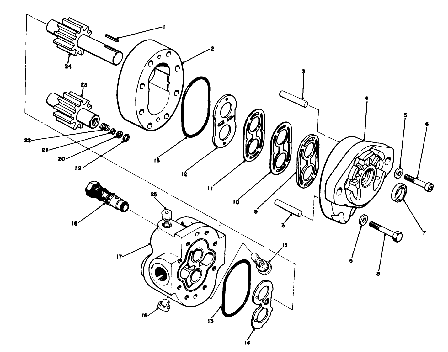
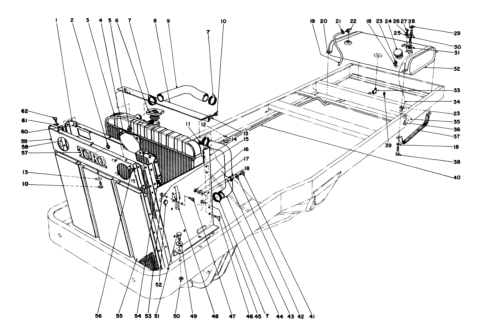
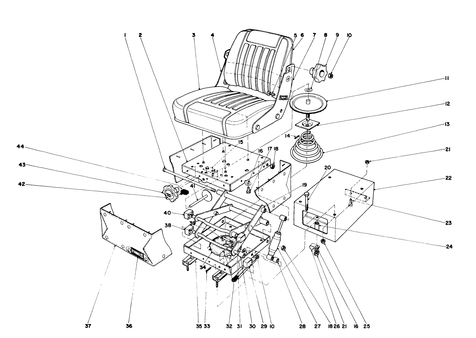
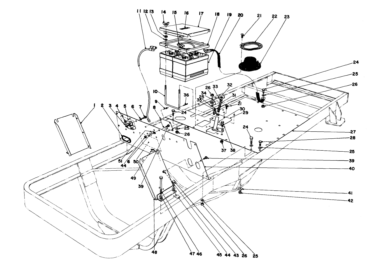
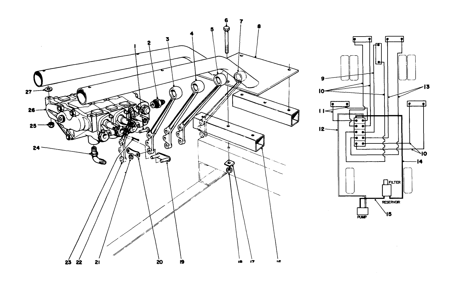
Assembly Drawings
Search for a part within assembly drawings:
-
Operator's Manual
-
Parts Catalog
-
Service Bulletin
-
Model #
33677 -
Serial #
60001 - 69999 -
Product Name
Parkmaster 7 Unit Diesel -
Product Brand
Toro -
Product Type
General Tractors (Commercial Only) -
Product Series
Parkmaster















































