244-5 Yard Tractor
Product Information
- Model #: 22-14O502
- Serial #: 2000001 - 2999999
- Product Type: Riding Products
Loading...
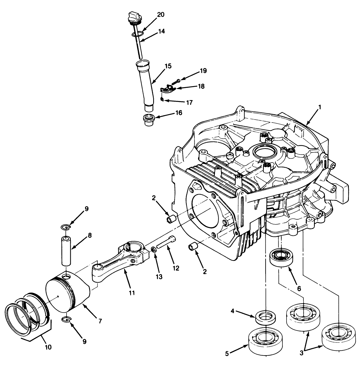
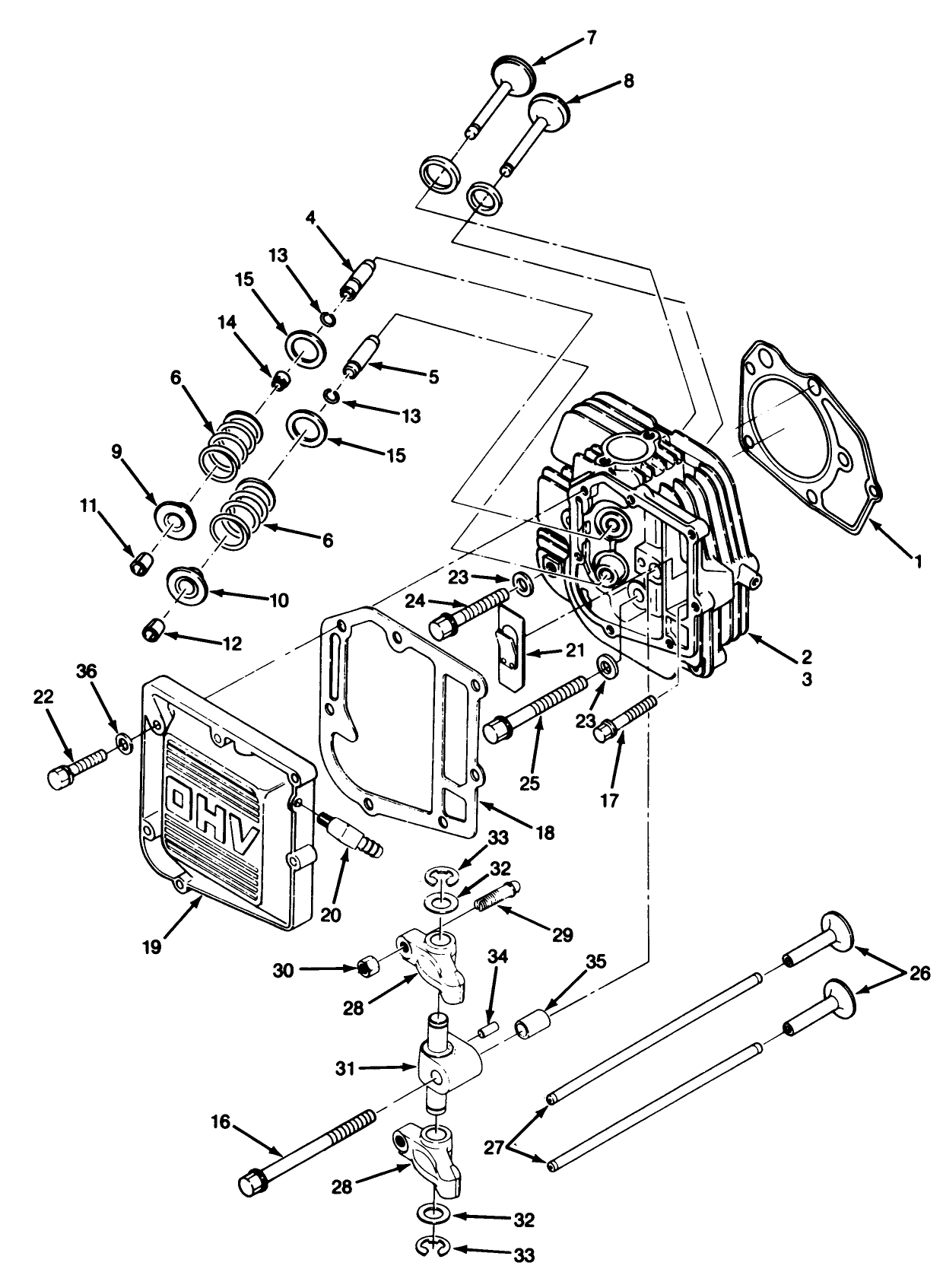
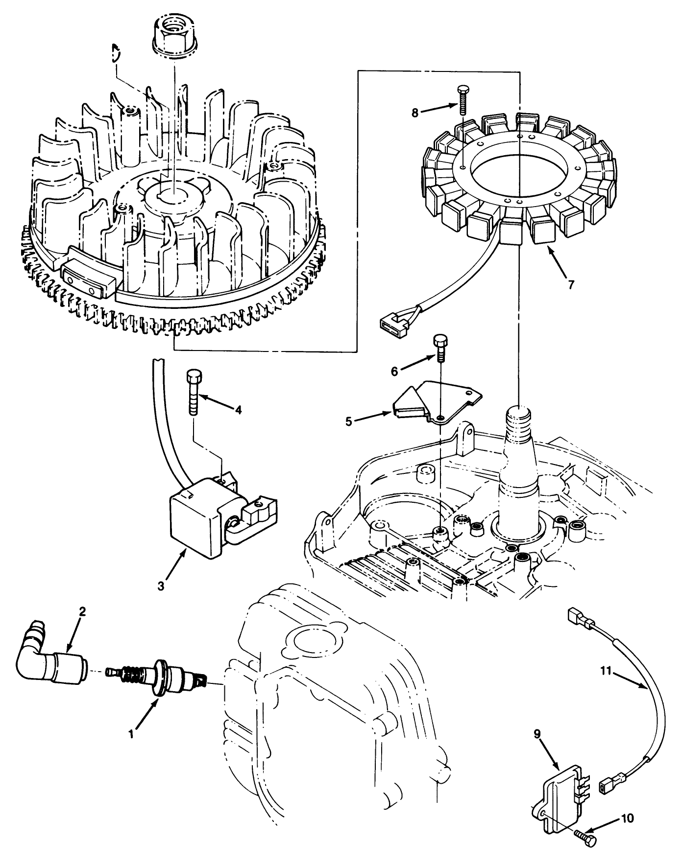
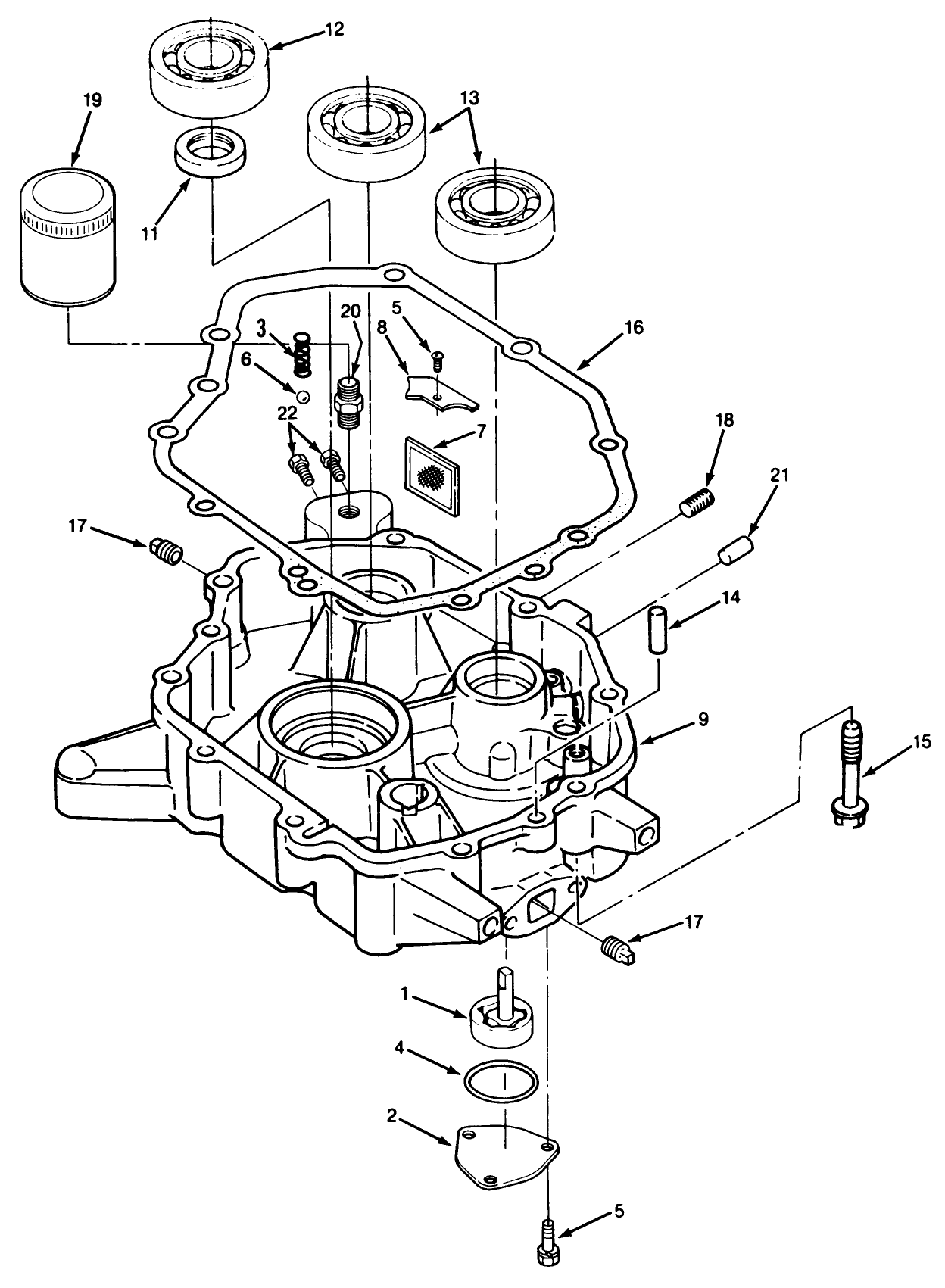
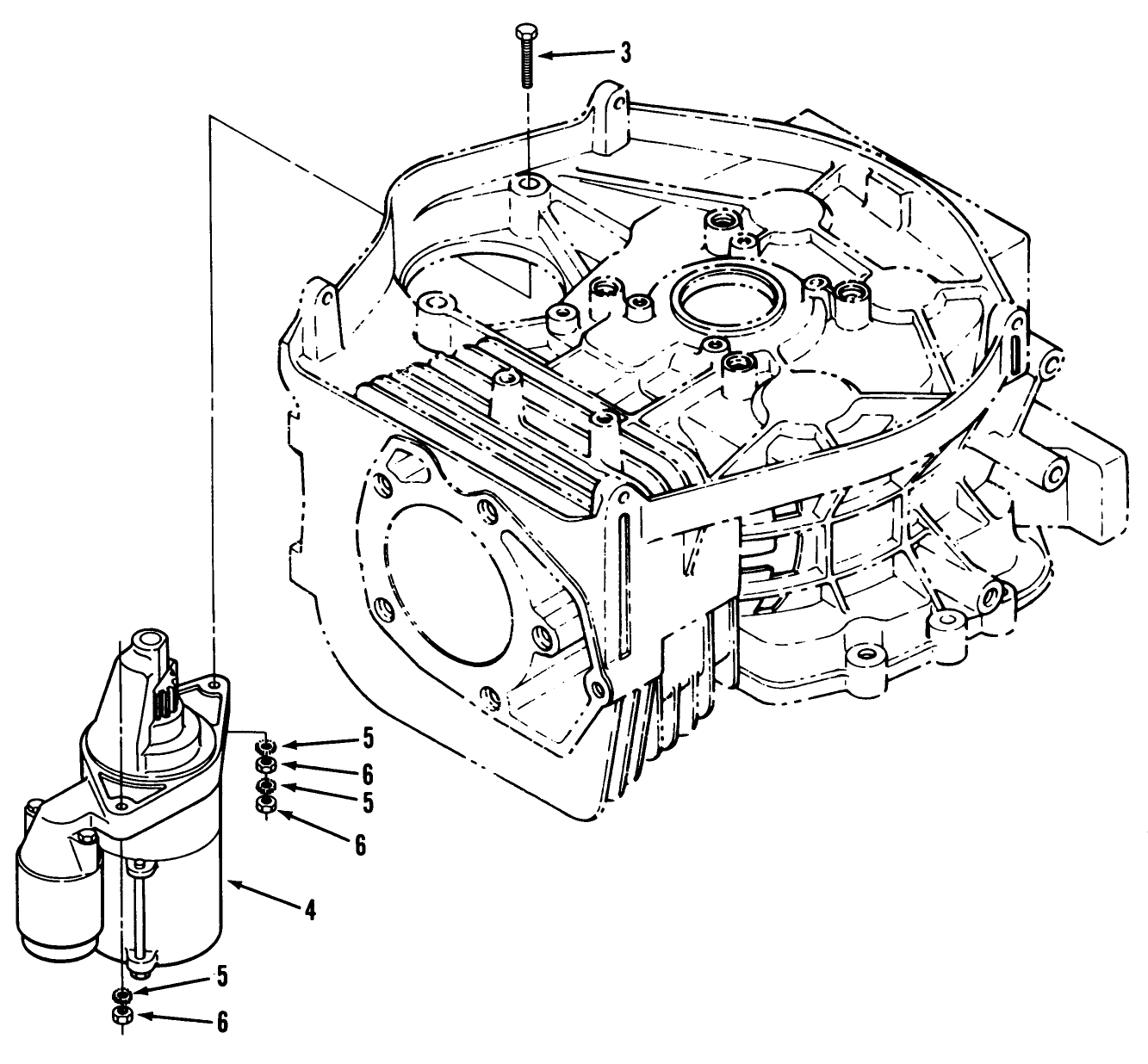
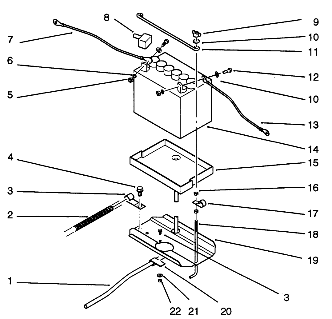
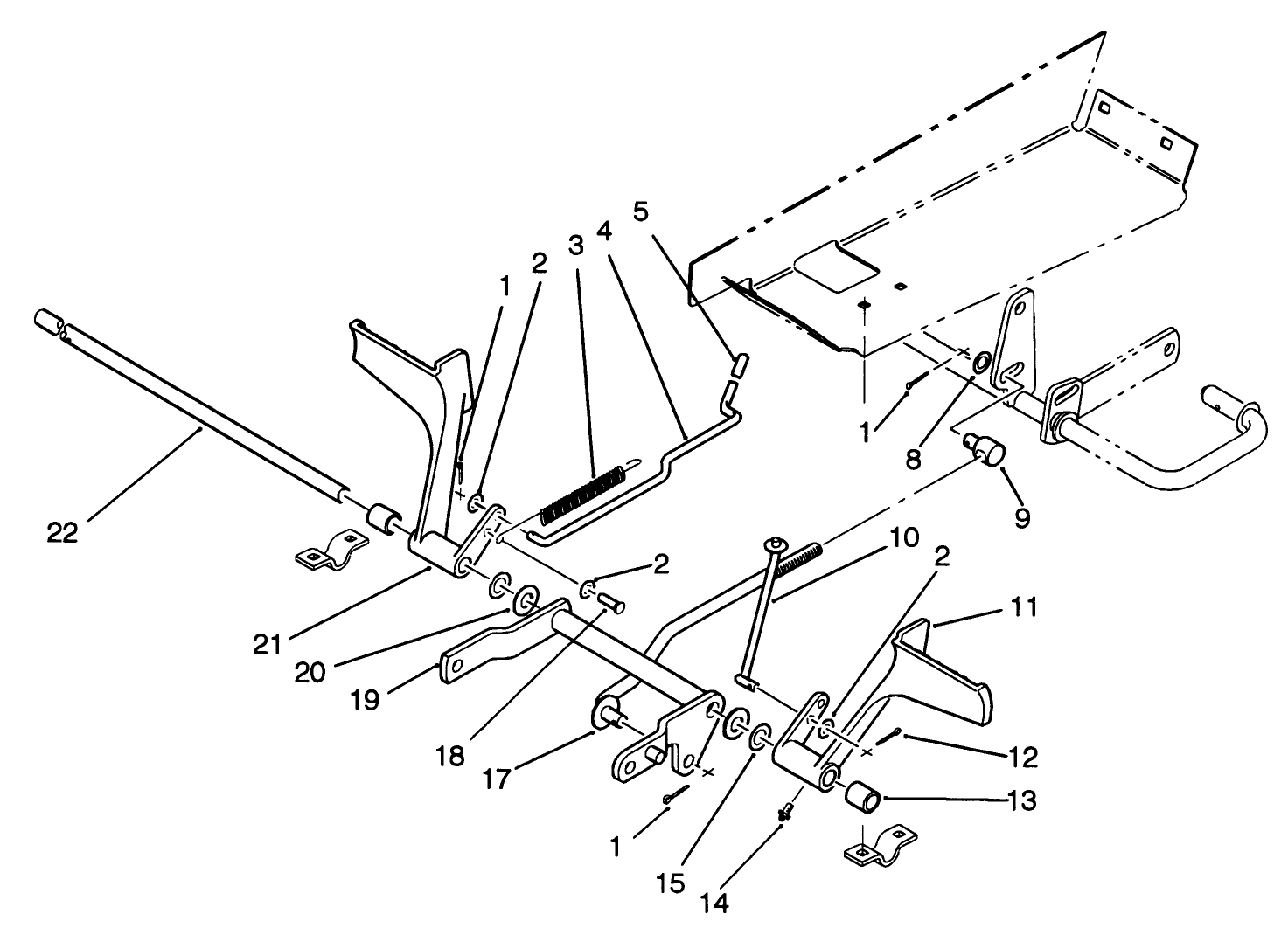
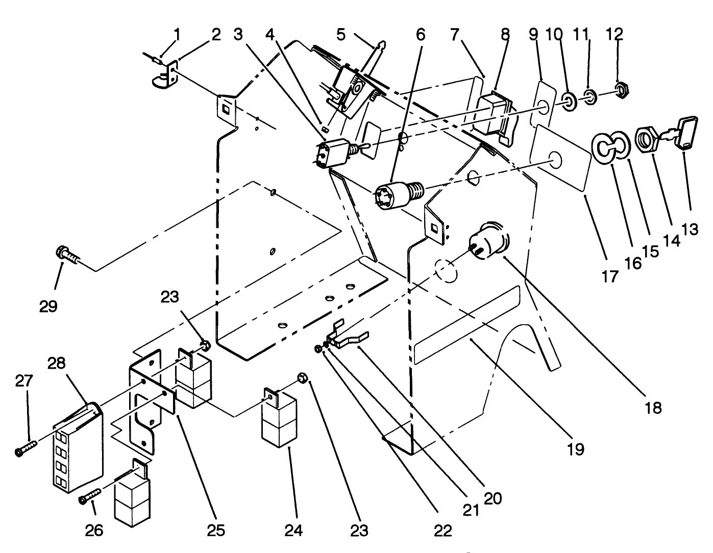
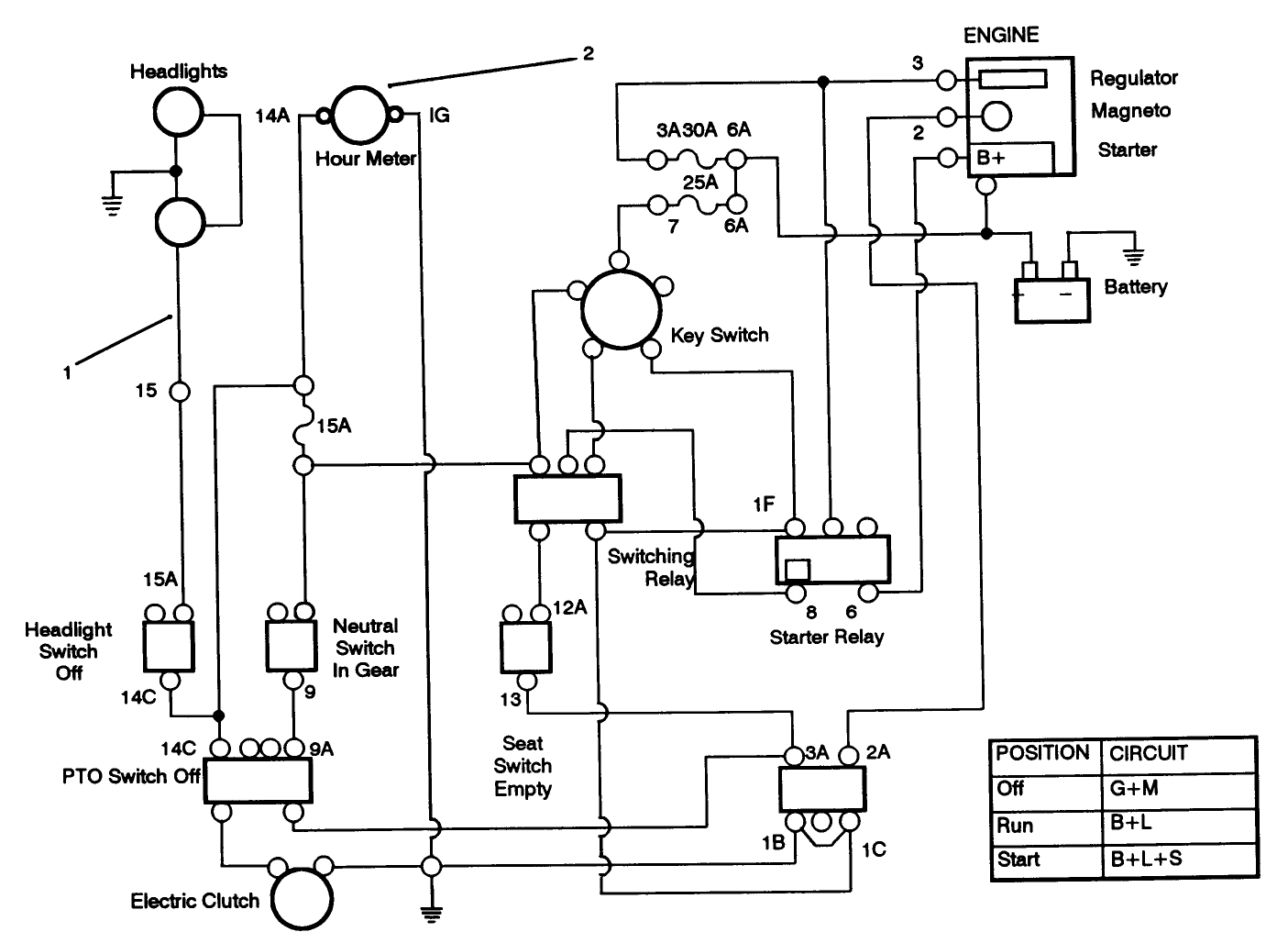
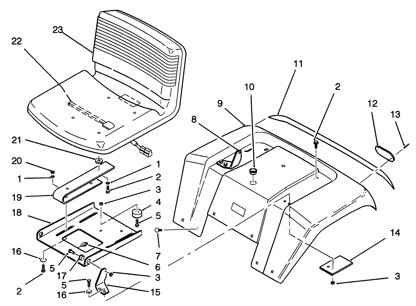
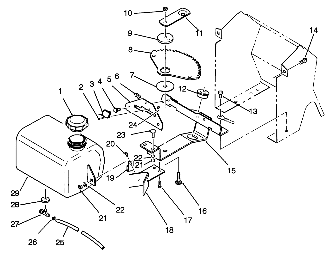
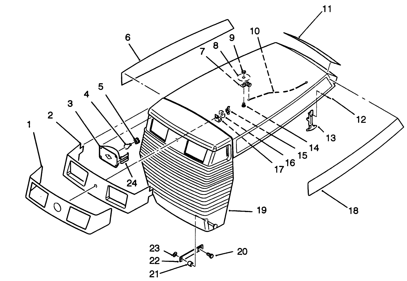
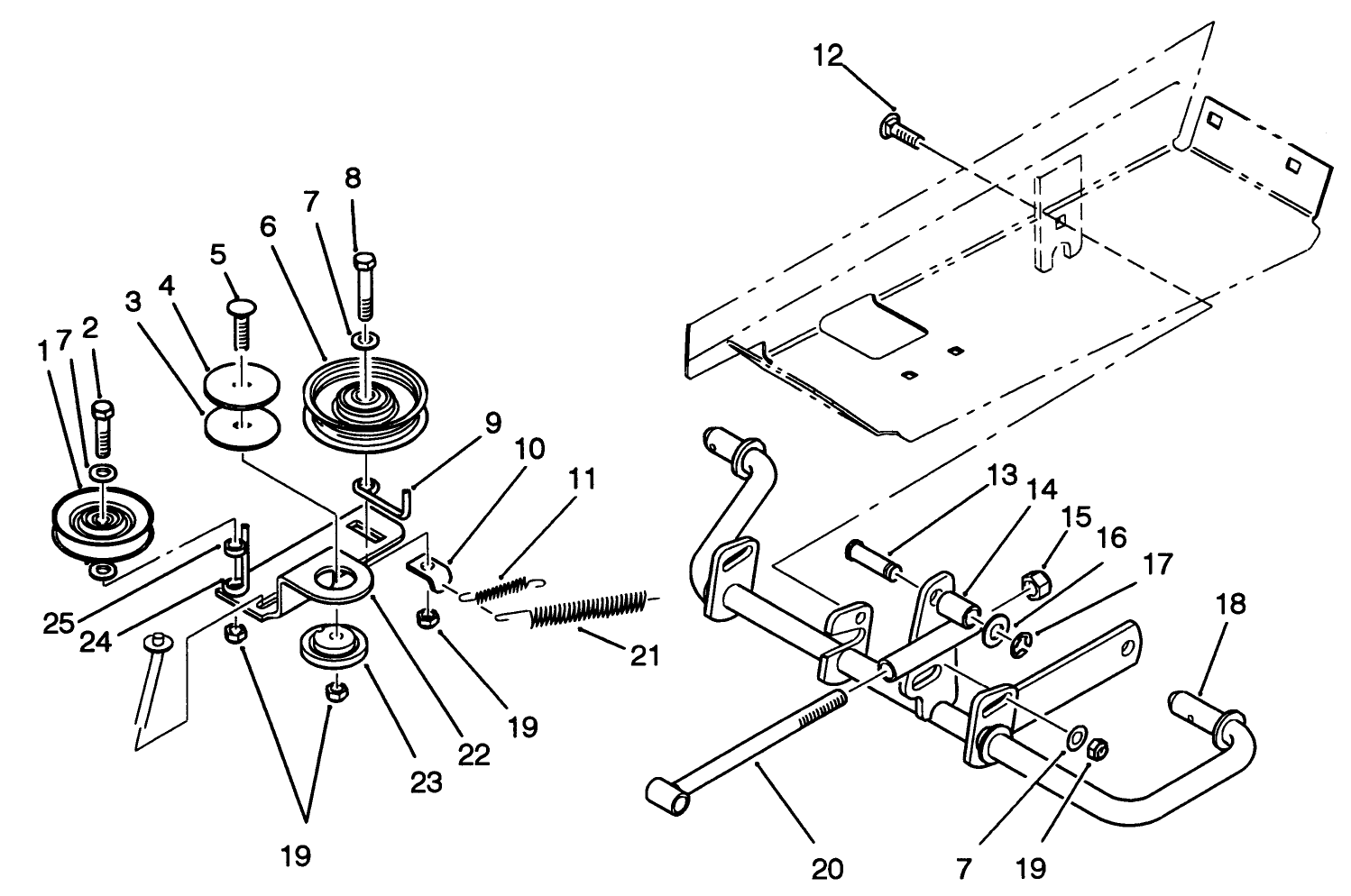
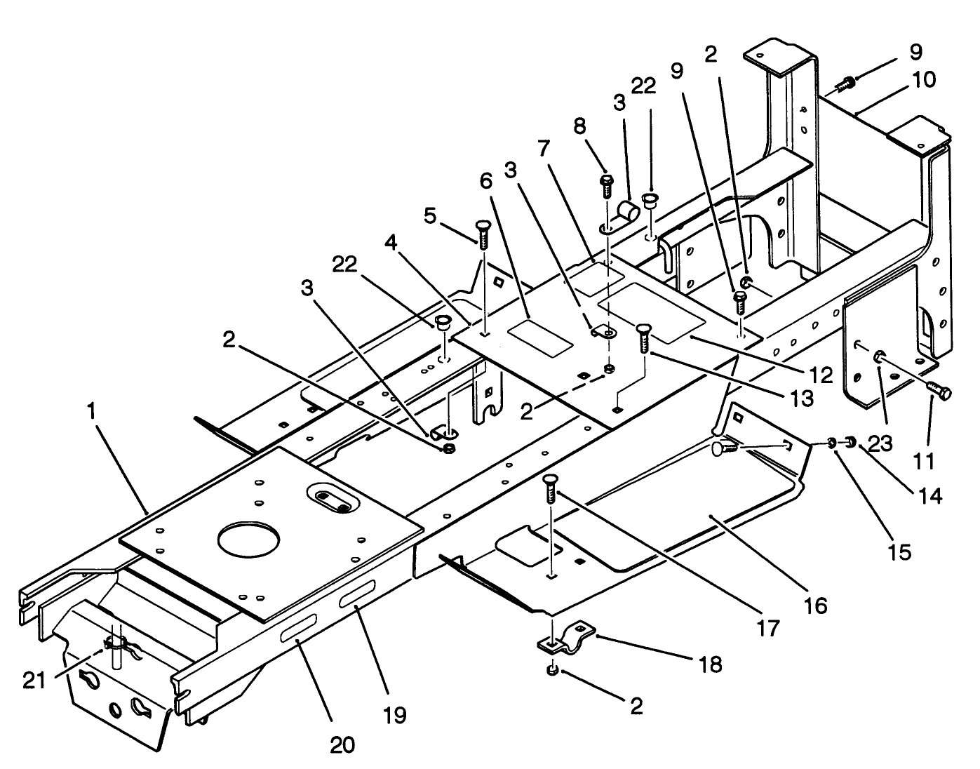
Assembly Drawings
Search for a part within assembly drawings:
-
Service Manual
-
Operator's Manual
-
Parts Catalog
38" Side Discharge Mower (Part # 05-38SS02)
42" Side Discharge Mower (Part # 05-42SS02)
48" Side Discharge Mower (Part # 05-48SS01)
42" Snowthrower (Part # 06-42SS01)
48" Snow Blade (Part # 06-48BS01)
11.0 cu. ft. Easy Twin Bagger - 38" (Part # 07-38BS01)
11.0 cu.ft. Vac Bagger - 42"/48" (Part # 07-4XVS01)
Red Paint (Gallon) (Part # 361-11)
Genuine OEM Part
Red Paint (Part # 5340)
Genuine OEM Part
Wheel Weight Kit (Part # 81115)
Genuine OEM Part
8 Inch Wheel Weight (Part # 81214)
Genuine OEM Part
23x9.5 Tire Chains (Part # 82531)
Genuine OEM Part
Tire Chain Accessory (Part # 82722)
Genuine OEM Part
38" Recycler Mower (Part # R5-38SS02)
-
Model #
22-14O502 -
Serial #
2000001 - 2999999 -
Product Name
244-5 Yard Tractor -
Product Brand
Toro -
Product Type
Riding Products -
Product Series
Yard Tractor, 240 Series -
Swath
Deck Optional -
Discharge
Deck Optional -
Engine/Motor Manufacturer
Toro Power Plus/Onan -
Engine/Motor Size
14 hp -
Engine/Motor Type
4 Cycle -
Engine Starter
Electric -
Transmission Type
Gear
-
Chassis: Tire Pressure
12 PSI / .5kg sq. cm -
Drive System: Ground Speed
Fwd. 1.1 - 5.3 Rev. 2.5 mph -
Engine: Battery
12V 200CCA -
Engine: Engine Speed
High 3350, Low 1500 RPM -
Engine: Spark Plug
Champion RC12YC -
Engine: Spark Plug Gap
.030"/ .76mm



























