416-8 Garden Tractor
Product Information
- Model #: 73441
- Serial #: 69000001 - 69999999
- Product Type: Riding Products
Loading...
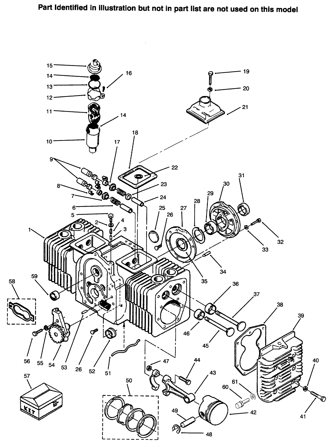
Assembly Drawings
Search for a part within assembly drawings:
-
Service Manual
-
Operator's Manual
-
Parts Catalog
-
Setup Instructions
42" Side Discharge Mower (Part # 78347)
42" Rear Discharge Mower (Part # 78352)
48" Side Discharge Mower (Part # 78368)
11.0 cu. ft. Vac Bagger - 42"/48" (Part # 79301)
48" Snow/Dozer Blade (Part # 79350)
50" Mid-mount Grader Blade (Part # 79351)
42" Snowthrower (Part # 79360)
44" Two-Stage Snowthrower (Part # 79361)
36" Tiller (Part # 79370)
Dump Cart (283L) (Part # 79924)
Vacuum Bagger Cart 42"/48"SD Mowers (Part # 79932)
Snow Cab - GT (Part # 79943)
Sweeper (Part # 79986)
Wheel Weight Kit (Part # 81115)
Genuine OEM Part
8 Inch Wheel Weight (Part # 81214)
Genuine OEM Part
Tire Chains (Part # 82522)
Genuine OEM Part
-
Model #
73441 -
Serial #
69000001 - 69999999 -
Product Name
416-8 Garden Tractor -
Product Brand
Toro -
Product Type
Riding Products -
Product Series
Garden Tractor, 3/4/500, C, GT -
Swath
Deck Optional -
Discharge
Deck Optional -
Engine/Motor Manufacturer
Toro Power Plus/Onan -
Engine/Motor Size
16 hp -
Engine/Motor Type
4 Cycle CARB1 -
Engine Starter
Electric -
Transmission Type
Gear
-
Chassis: Tire Pressure
12 PSI / .5kg sq. cm -
Drive System: Ground Speed
Fwd. .5 - 5.5 Rev. .7 & 2.6 mph -
Engine: Battery
12V 200CCA -
Engine: Engine Speed
High 3600, Low 1400 RPM -
Engine: Spark Plug
Champion RS14YC -
Engine: Spark Plug Gap
.025"/ .64mm

































