Lawnmower
Product Information
- Model #: 26683
- Serial #: 1000001 - 1999999
- Product Type: Walk Behind Mowers
Loading...
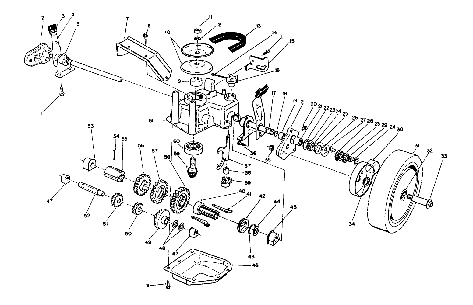
Assembly Drawings
Search for a part within assembly drawings:
-
Service Manual
-
Operator's Manual
-
Parts Catalog
-
Addendum
Side Discharge Chute (Part # 59112)
Recycler Kit for Vacu-Power (Part # 59172)
Please contact your local dealer
Mulching Kit (Part # 59181)
Bag Grass (Part # 66-0010)
Genuine OEM Part
-
Model #
26683 -
Serial #
1000001 - 1999999 -
Product Name
Lawnmower -
Product Brand
Toro -
Product Type
Walk Behind Mowers -
Product Series
21" (53cm) Vacu-Power/Landscaper -
Chassis Type
Cast Deck WPM -
Swath
21 inch -
Discharge
Rear Bagger -
Engine/Motor Manufacturer
Suzuki -
Engine/Motor Size
4.5 hp -
Engine/Motor Type
2 Cycle -
Engine Starter
Recoil -
Transmission Type
Gear
-
Chassis: Housing Material
Die Cast Aluminum -
Chassis: Blade
53.3 cm (21.00") heat treated alloy steel -
Chassis: Wheels
Polypropylene with oil impregnated bushings -
Chassis: Tires
20.3 X 5.1 cm (8.0 X 2.0) wide radial style -
Chassis: Handle Construction
2.5 cm (1") diameter, 16 gauge chrome plated steel -
Chassis: Handle Adjustments
Adjustable to three different positions. Folds wi -
Chassis: Width of Cut
53.3 cm (21") -
Chassis: Overall Width
57.2 cm (21") -
Chassis: Overall Length
85.7 cm (33.75") -
Chassis: Overall Height (handle down)
40.6 cm (16"), wheels in lowest height-of-cut -
BBC: Blade Brake and Clutch Material
Split sheave pulley clutch and self-energizing bra -
BBC: Brake Material
Non asbestos -
BBC: Blade Attachement
Sintered iron hub rotating on two precision bearin -
BBC: Brake Spring
Compression Type -
Self Propel: Ground Speed 1
2.9 kph (1.8 mph) @ 3000 rpm, 1.9 kph (1.2 mph) @ -
Self Propel: Ground Speed 2
4.3 kph (2.7 mph) @ 3000 rpm, 2.9 kph (1.8 mph) @ -
Self Propel: Ground Speed 3
6.1 kph (3.8 mph) @ 3000 rpm, 4.0 kph (2.5 mph) @ -
Self Propel: Gearbox
Die cast aluminum with stamped steel cover -
Drive System: Gearbox Lubricant
177 cc (6 oz.) No. 2 lithium-based grease -
Self Propel: Clutch
Gearbox pivots on output shaft to tighten or loose -
Self Propel: Wheel Pinions
15 tooth gear with wheel pinion clutches -
Self Propel: Wheel Gears
42 tooth permanently fastened to wheel hub with ri -
Self Propel: Traction Cable
-
Chassis: Height of Cut Range
.5-3"; 1/2" increments -
Drive System: Gearbox Lubricant
6 oz. (170gm) #2 Lithium grease -
Drive System: Ground Speed
1.8 / 2.7 / 3.8 mph -
Engine: Engine Oil Type
Toro 2 cycle / NMMA-TCW3 -
Engine: Engine Speed
3000±150 RPM -
Engine: Ignition Coil Air Gap
.015-.020" / .4-.5mm -
Engine: Mix Ratio
50:1 (2.6 oz./gal.) -
Engine: Spark Plug
NGK BPMR6A -
Engine: Spark Plug Gap
.032"/ .8mm
















