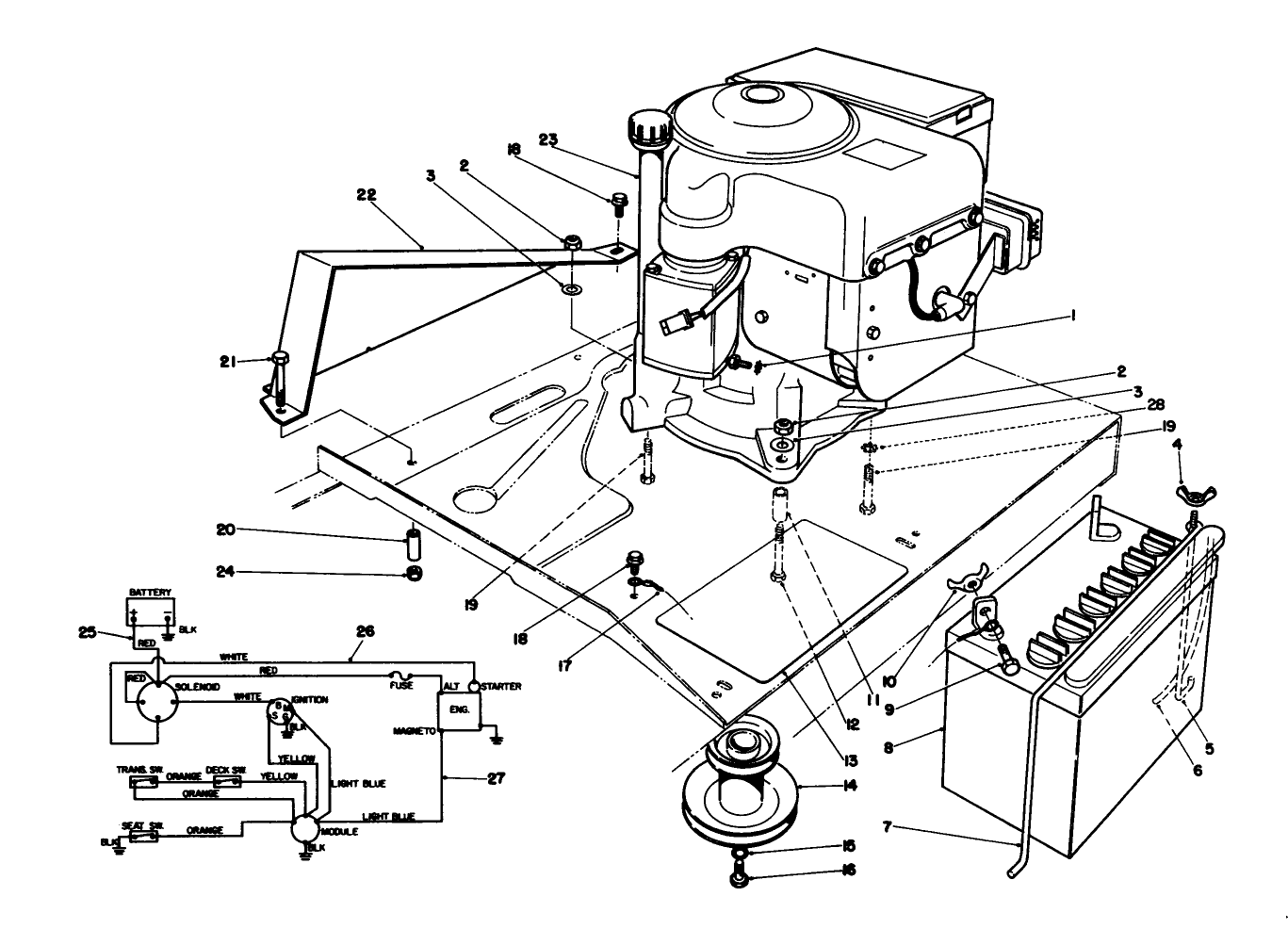
8-25 Rear Engine Rider
Product Information
- Model #: 56123
- Serial #: 0000001 - 0999999
- Product Type: Riding Products
Loading...
Assembly Drawings
Search for a part within assembly drawings:
-
Service Manual
-
Operator's Manual
-
Parts Catalog
Red Paint (Gallon) (Part # 361-11)
Genuine OEM Part
Red Paint (Part # 5340)
Genuine OEM Part
3.5 cu. ft. Easy Empty Grass Catcher (Part # 59047)
4.0 cu. ft. Twin Bagger (Part # 59053)
-
Model #
56123 -
Serial #
0000001 - 0999999 -
Product Name
8-25 Rear Engine Rider -
Product Brand
Toro -
Product Type
Riding Products -
Product Series
Rear Engine Rider, 25" -
Swath
25 inch -
Discharge
Side -
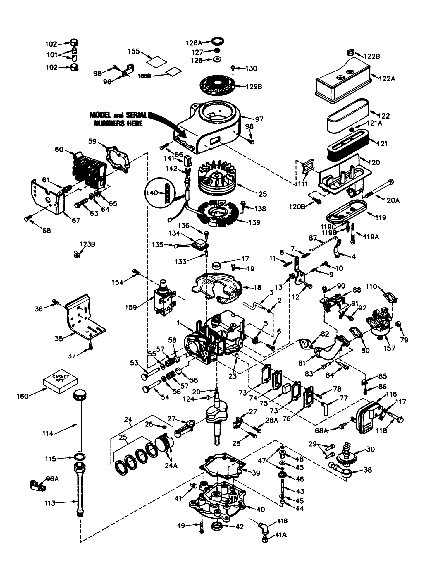
Engine/Motor Manufacturer
Tecumseh -
Engine/Motor Size
8 hp -
Engine/Motor Type
4 Cycle -
Engine Starter
Recoil -
Transmission Type
Gear
-
Chassis: Tire Pressure
12 PSI / .5kg sq. cm -
Drive System: Ground Speed
Fwd. 1.4 - 4.7 Rev. 1.6 mph -
Engine: Battery
None -
Engine: Engine Speed
High 3300, Low 1750 RPM -
Engine: Spark Plug
Champion RJ17LM -
Engine: Spark Plug Gap
.030"/ .76mm


















