Groundsmaster 117
Product Information
- Model #: 30754
- Serial #: 0000001 - 0999999
- Product Type: Riding Products
Loading...
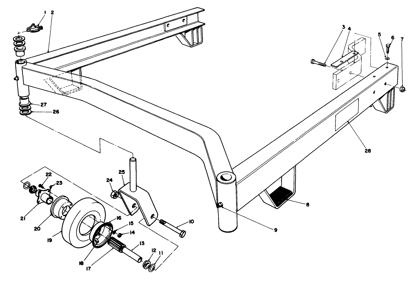
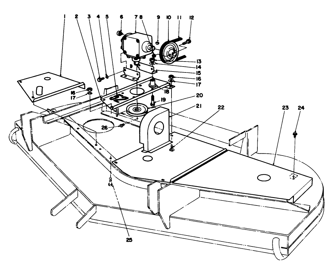
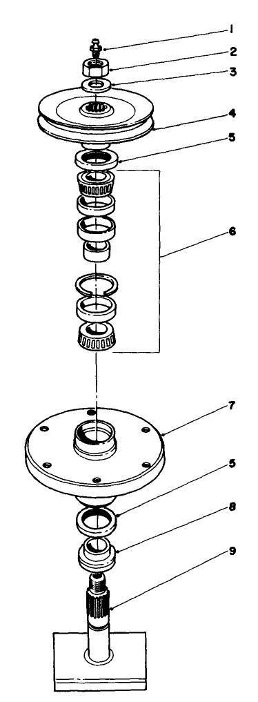
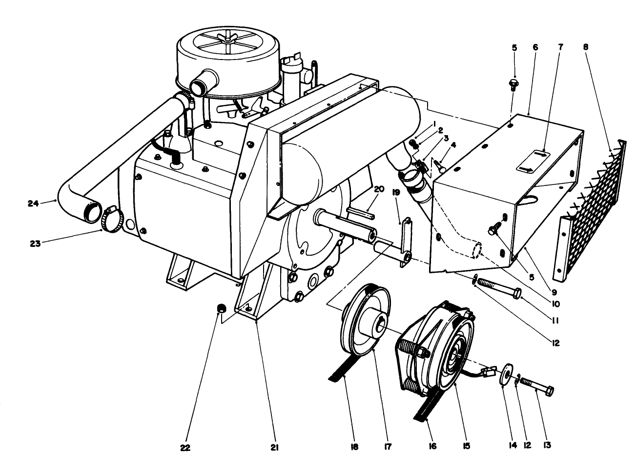
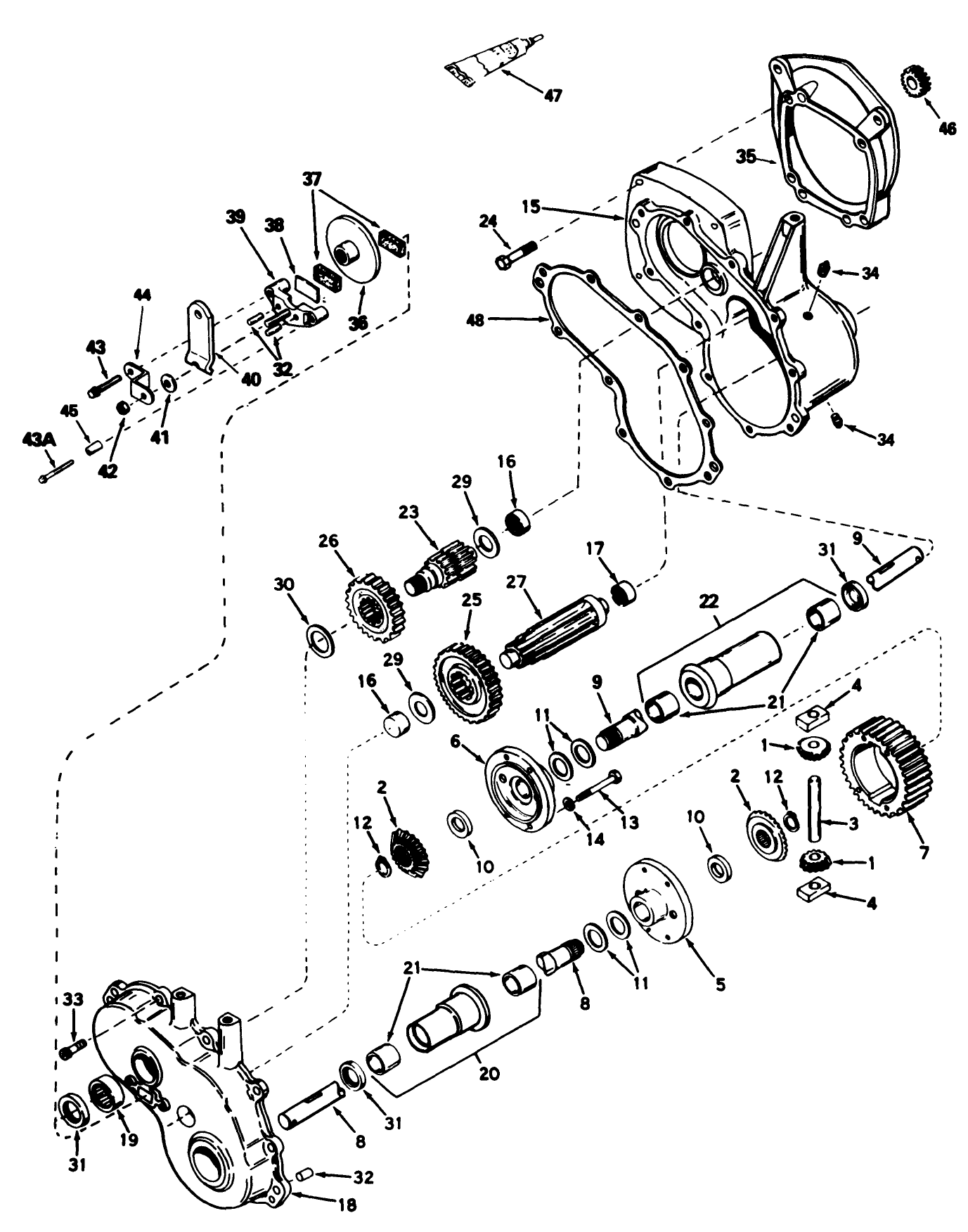
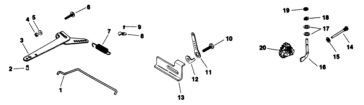
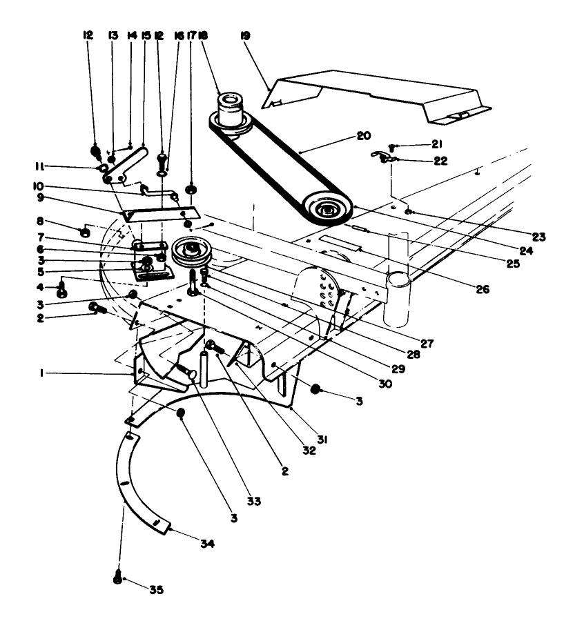
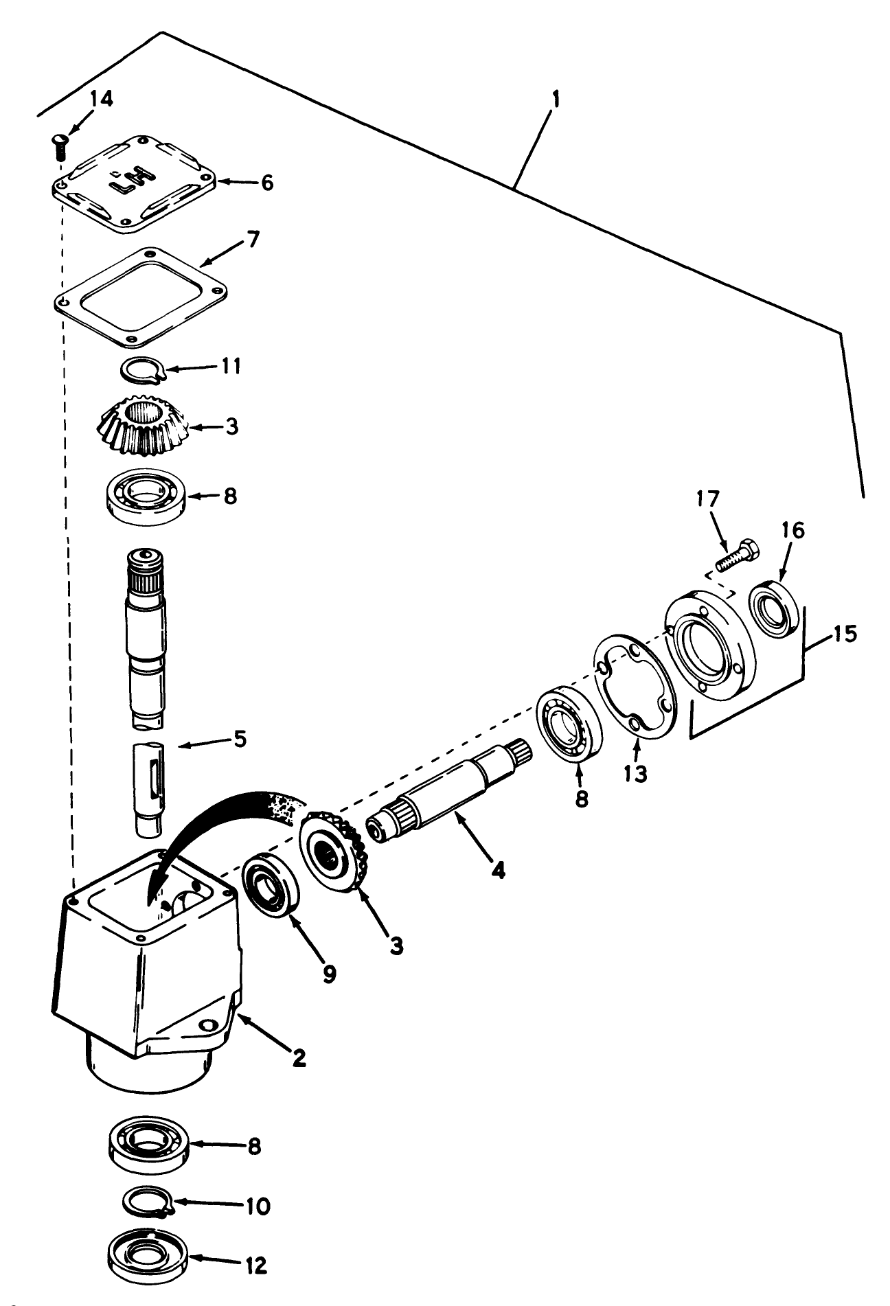
Assembly Drawings
Search for a part within assembly drawings:
-
Service Manual
-
Service Bulletin
44" Side Discharge Mower (Part # 30544)
Grass Collection System (Part # 30576)
Shield Kit, Groundsmaster 200 Series (Part # 30578)
Mulcher Kit, 52" Mower (Part # 30700)
Leaf Spring Seat (Part # 30746)
Grass Collection System (Part # 30751)
Mulcher Kit, 44" Mower (Part # 30752)
52" Side Discharge Mower (Part # 30753)
Deluxe Seat (Part # 30756)
44" Snowthrower (Part # 30761)
52" Rear Discharge Mower (Part # 30768)
Please contact your local dealer
Please contact your local dealer
Weight Box Kit (Part # 62-9590)
Please contact your local dealer
-
Model #
30754 -
Serial #
0000001 - 0999999 -
Product Name
Groundsmaster 117 -
Product Brand
Toro -
Product Type
Riding Products -
Product Series
Groundsmaster 100 Series -
Swath
Deck Optional -
Discharge
Deck Optional -
Engine/Motor Manufacturer
Kohler -
Engine/Motor Size
17 hp -
Engine/Motor Type
4 Cycle -
Engine Starter
Electric -
Transmission Type
Hydrostatic








































































