21cc Gas Trimmer
Product Information
- Model #: 30900
- Serial #: 0000001 - 0999999
- Product Type: Trimmers
Loading...
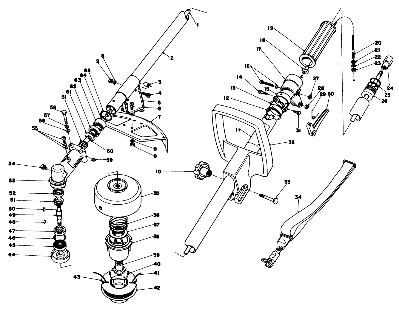
Assembly Drawings
Search for a part within assembly drawings:
-
Operator's Manual
-
Service Bulletin
-
Model #
30900 -
Serial #
0000001 - 0999999 -
Product Name
21cc Gas Trimmer -
Product Brand
Toro -
Product Type
Trimmers -
Product Series
Trimmer, Curved Shaft (Pre '85) -
Chassis Type
Gas Trimmer, Straight Sha -
Swath
14 inch -
Engine/Motor Manufacturer
Kioritz -
Engine/Motor Size
21cc -
Engine/Motor Type
2 Cycle -
Engine Starter
Recoil





