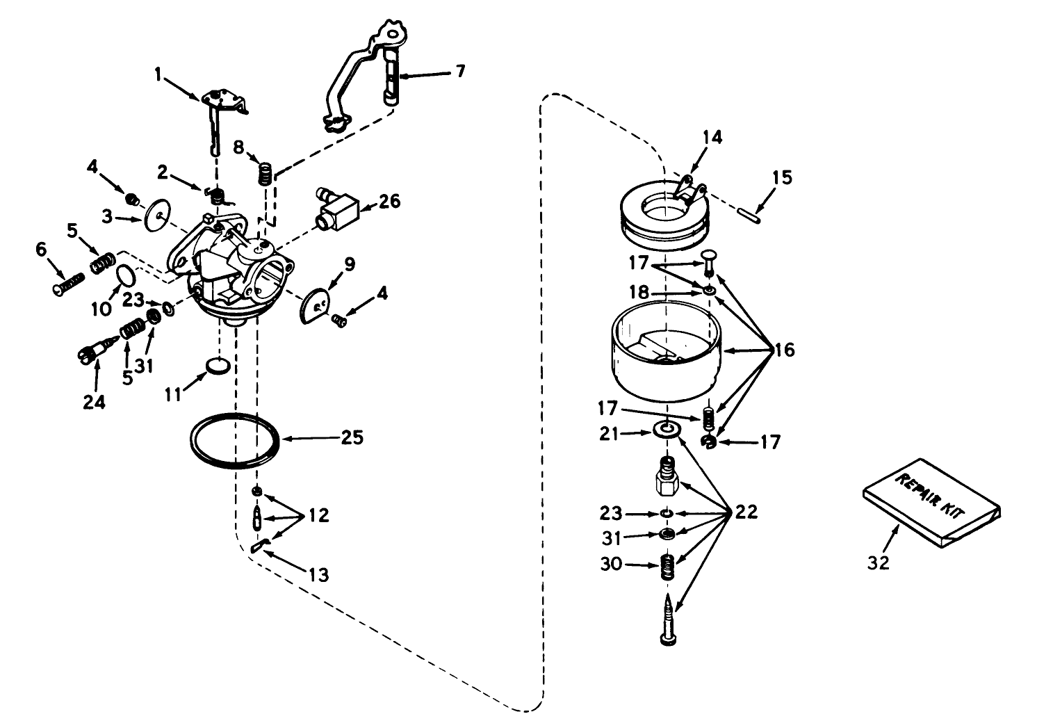
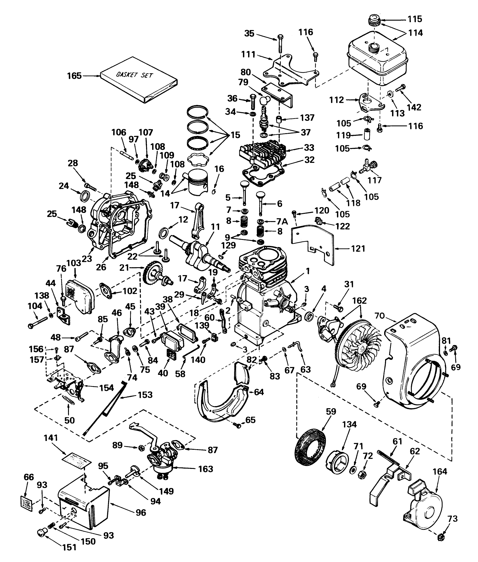
Image Not Found

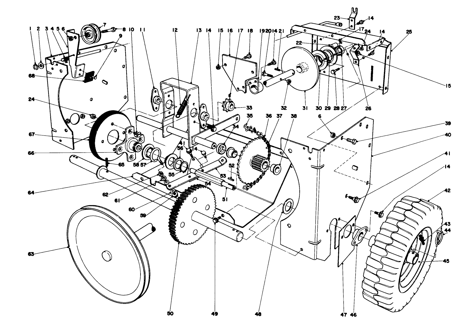
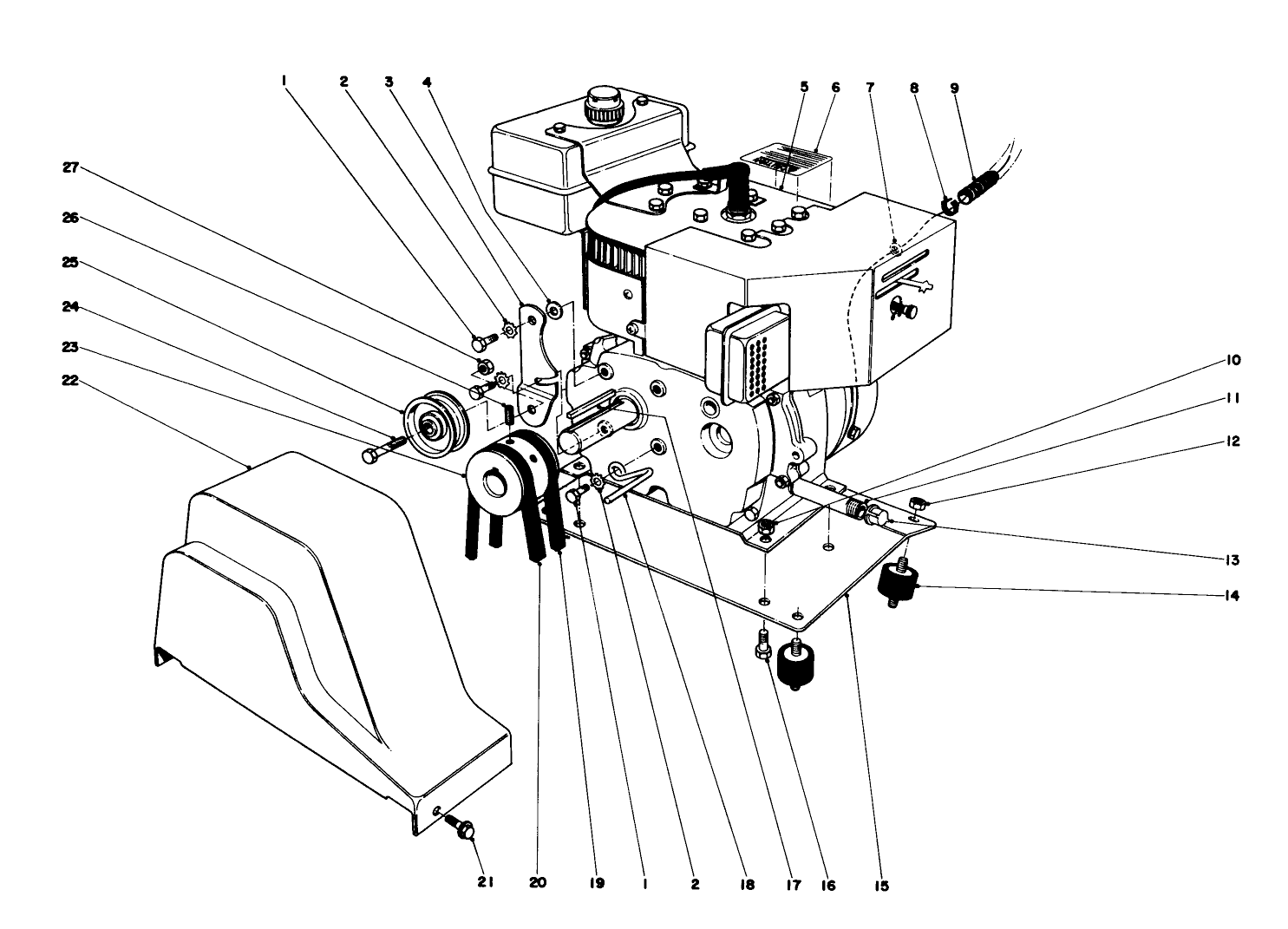
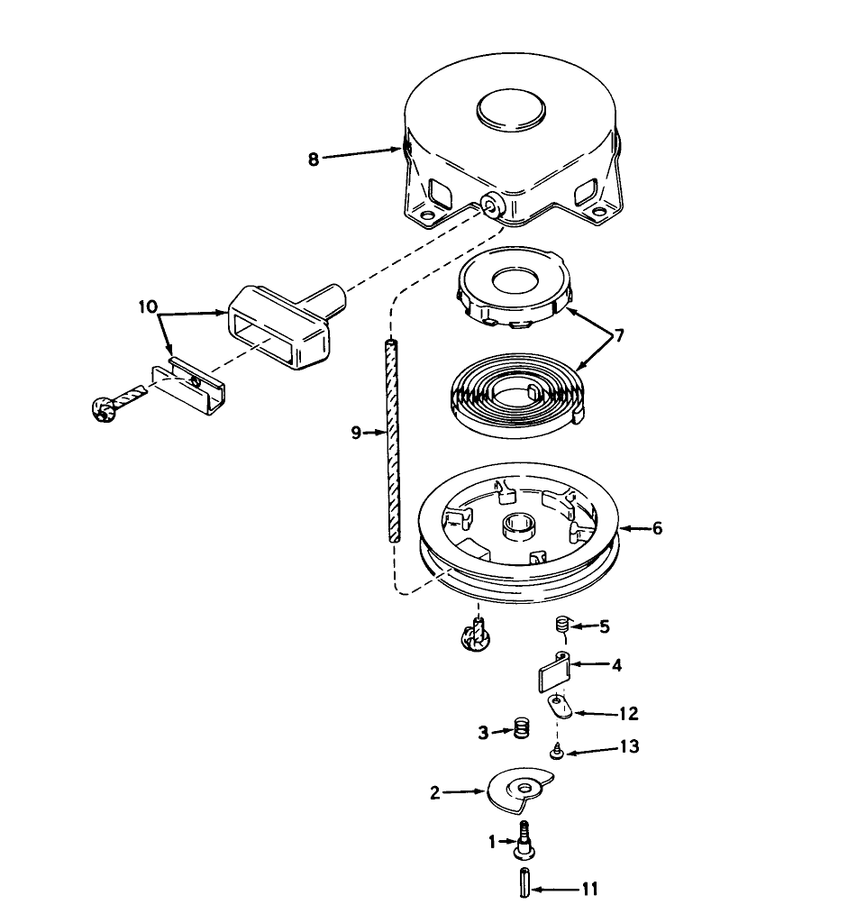
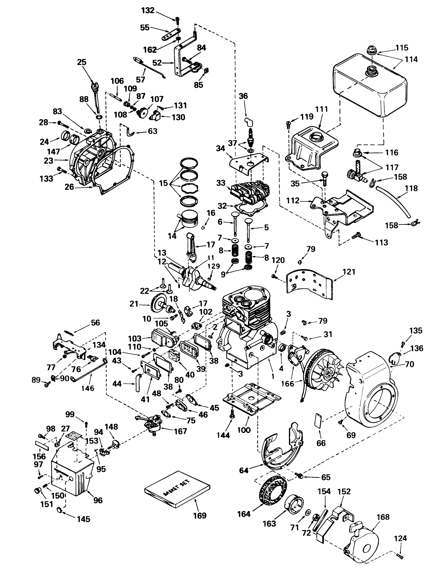
Product Information

  • Model #: 31625
  • Serial #: 5000001 - 5999999
  • Product Type: Snowthrowers
  • Model #
    31625
  • Serial #
    5000001 - 5999999
  • Product Name
    524 Snowthrower
  • Product Brand
    Toro
  • Product Type
    Snowthrowers
  • Product Series
    Snowthrower, Two Stage Intermediate Frame
  • Swath
    24 inch
  • Discharge
    Two Stage
  • Engine/Motor Manufacturer
    Tecumseh
  • Engine/Motor Size
    5 hp
  • Engine/Motor Type
    4 Cycle
  • Engine Starter
    Recoil
  • Transmission Type
    Friction Disc

Register your product

Registering your product will ensure notification of important updates and expedite warranty service should it be necessary.

Register Now