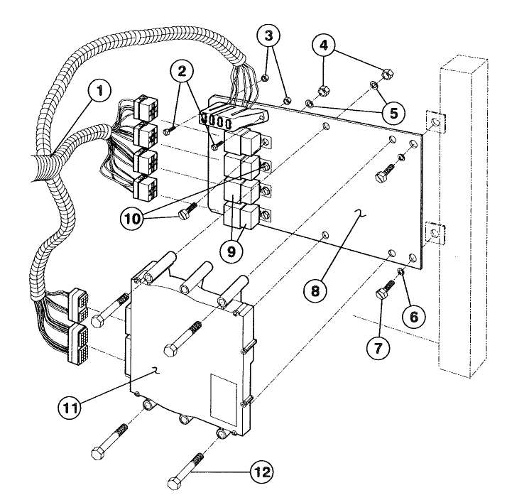
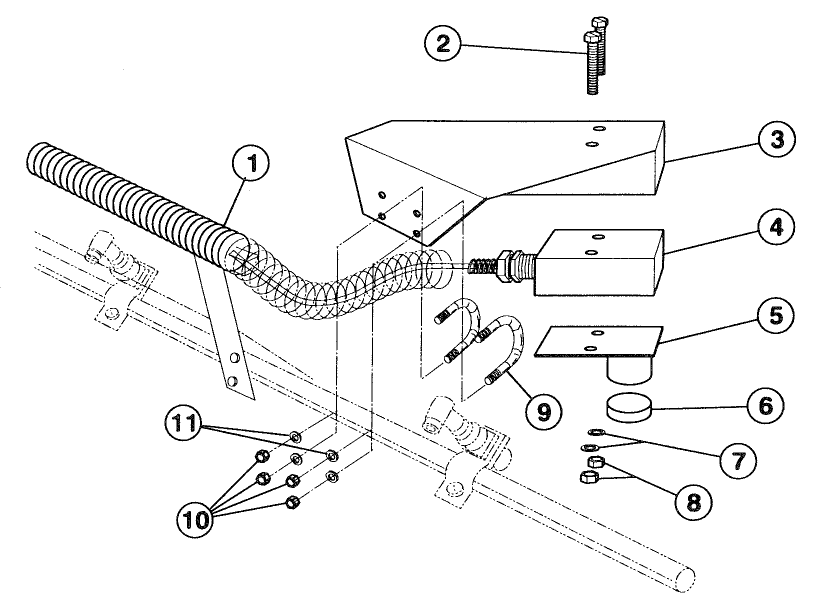
Sonic Boom Replacement Kit, Workman and Multi-Pro Sprayers
Product Information
- Model #: 95-9121
- Serial #: None - None
- Product Type: Attachments
Loading...
Assembly Drawings
Search for a part within assembly drawings:
-
Operator's Manual
-
Installation Instructions
-
Service Bulletin
-
Model #
95-9121 -
Serial #
None - None -
Product Name
Sonic Boom Replacement Kit, Workman and Multi-Pro Sprayers -
Product Brand
Toro -
Product Type
Attachments -
Product Series
Workman Series Accessories




