3521 Snowthrower
Product Information
- Model #: 38035
- Serial #: 9000001 - 9999999
- Product Type: Snowthrowers
Loading...
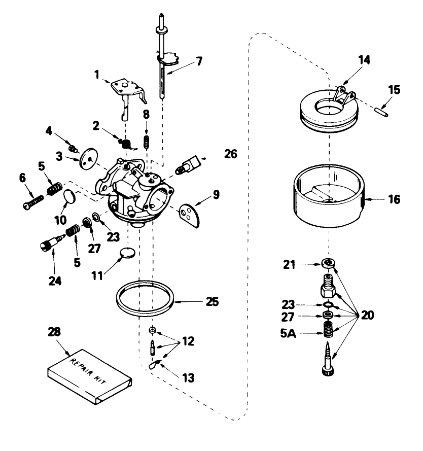
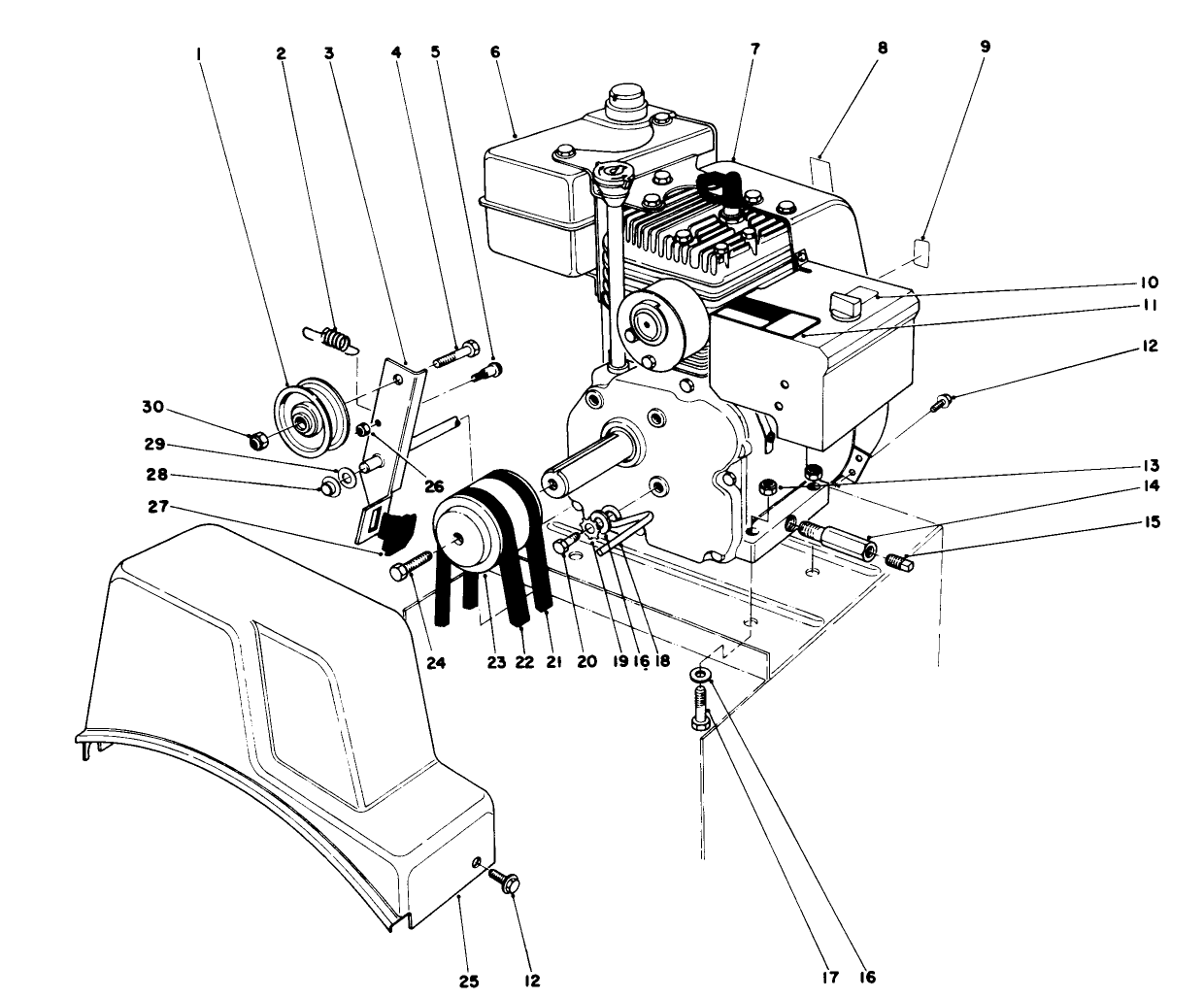
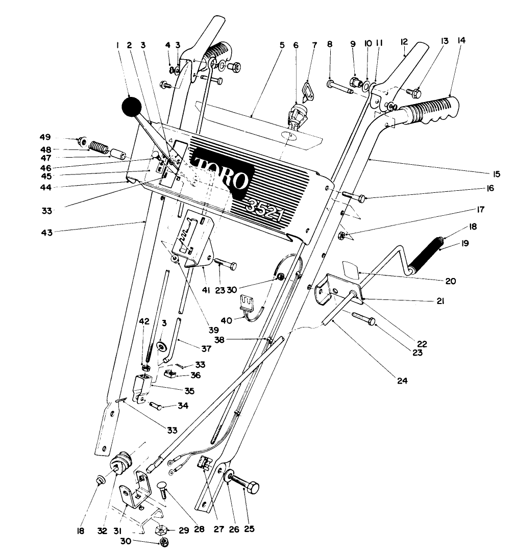
Assembly Drawings
Search for a part within assembly drawings:
-
Operator's Manual
-
Parts Catalog
Grader Blade (Part # 59099)
Cover (Part # 59115)
-
Model #
38035 -
Serial #
9000001 - 9999999 -
Product Name
3521 Snowthrower -
Product Brand
Toro -
Product Type
Snowthrowers -
Product Series
Snowthrower, Two Stage Small Frame -
Swath
21 inch -
Discharge
Two Stage -
Engine/Motor Manufacturer
Tecumseh -
Engine/Motor Size
3.5 hp -
Engine/Motor Type
4 Cycle -
Engine Starter
Recoil -
Transmission Type
Friction Disc











