521 Snowthrower
Product Information
- Model #: 38052
- Serial #: 4000001 - 4999999
- Product Type: Snowthrowers
Loading...
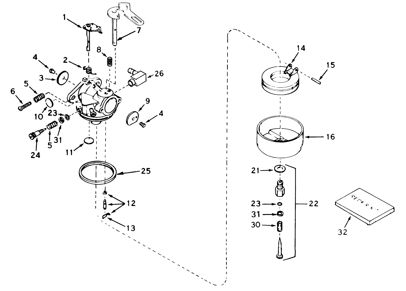
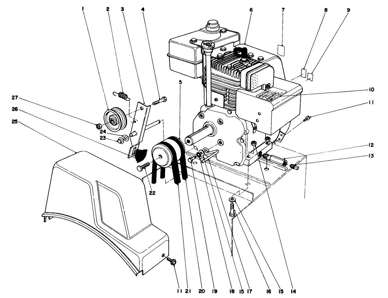
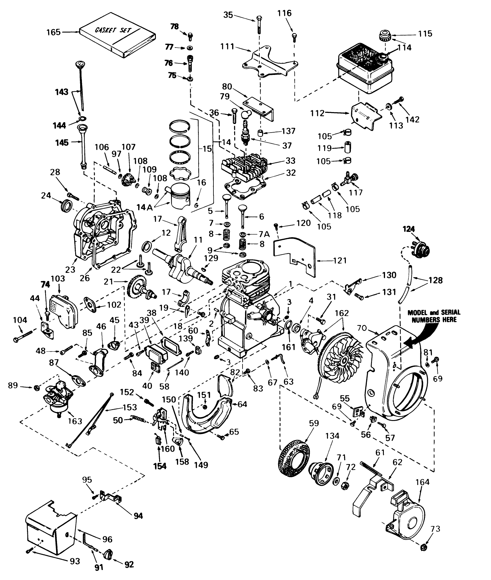
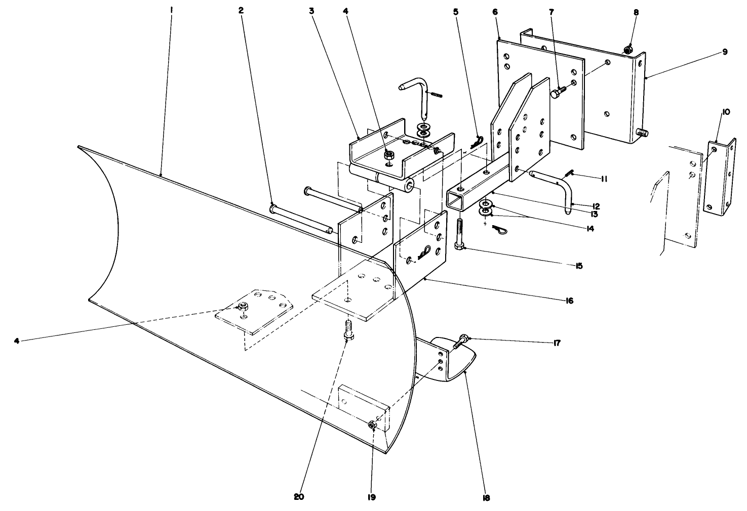
Assembly Drawings
Search for a part within assembly drawings:
-
Parts Catalog
30" Grader Blade (Part # 39-8100)
Snowthrower Tire Chains (Part # 56-2700)
Genuine OEM Part
-
Model #
38052 -
Serial #
4000001 - 4999999 -
Product Name
521 Snowthrower -
Product Brand
Toro -
Product Type
Snowthrowers -
Product Series
Snowthrower, Two Stage Small Frame -
Swath
21 inch -
Discharge
Two Stage -
Engine/Motor Manufacturer
Tecumseh -
Engine/Motor Size
5 hp -
Engine/Motor Type
4 Cycle -
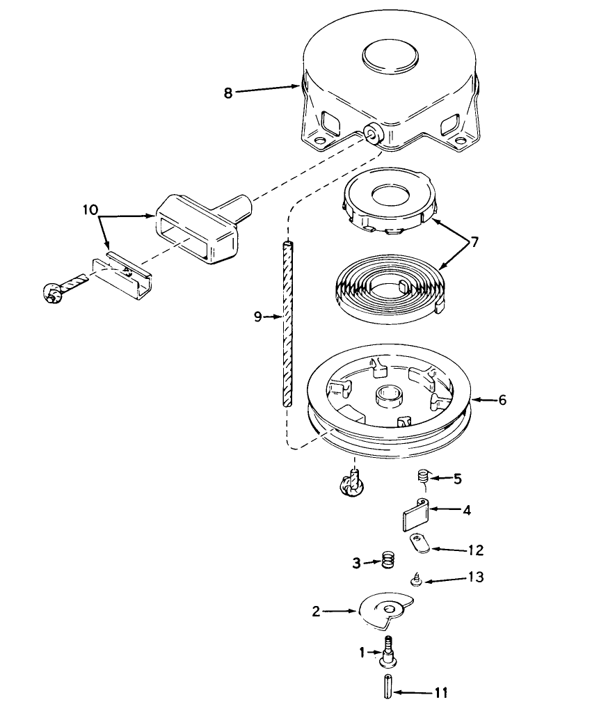
Engine Starter
Recoil -
Transmission Type
Friction Disc
-
Chassis: Tire Pressure
7-15 PSI / .5-1kg sq. cm -
Drive System: Gearbox Lubricant
7 oz. (198gm) Lubriplate MAG-1 -
Drive System: Ground Speed
Fwd. .9 / 1.3 / 1.9 / 2.9 Rev. 1.3 mph -
Engine: Engine Oil Type
21 oz. (.62l) 5w-30 or 10w / API SH or higher -
Engine: Engine Speed
High 3300, Low 2200±150 RPM -
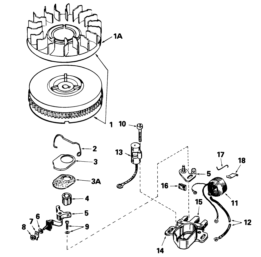
Engine: Ignition Coil Air Gap
.013" / .33mm -
Engine: Spark Plug
Champion RJ19LM -
Engine: Spark Plug Gap
.030"/ .76mm











