TimeCutter Z380 Riding Mower
Product Information
- Model #: 74301
- Serial #: 250000001 - 250999999
- Product Type: Riding Products
Loading...
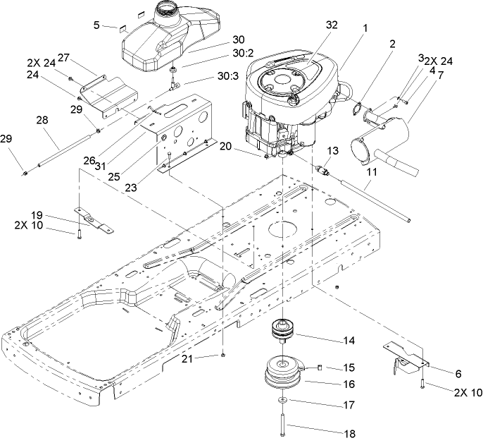
Assembly Drawings
Search for a part within assembly drawings:
-
Service Manual
-
Operator's Manual
-
Parts Catalog
-
Setup Instructions
Smooth Caster Wheel Kit (Part # 105-1856)
Genuine OEM Part
Please contact your local dealer
38 inch Anti-Scalp Kit (Part # 106-7020)
Genuine OEM Part
Armrest Kit (Part # 108-6163)
Genuine OEM Part
Hour Meter Kit (Part # 108-7158)
Genuine OEM Part
Red Paint (Gallon) (Part # 361-11)
Genuine OEM Part
Red Paint (Part # 5340)
Genuine OEM Part
38 Inch Twin Bagger (Part # 79215)
48" Snow Blade (Part # 79216)
-
Model #
74301 -
Serial #
250000001 - 250999999 -
Product Name
TimeCutter Z380 Riding Mower -
Product Brand
Toro -
Product Type
Riding Products -
Product Series
Zero Radius Turn, Consumer -
Chassis Type
ZRT - Consumer -
Swath
38 inch -
Discharge
Side -
Engine/Motor Manufacturer
Briggs & Stratton -
Engine/Motor Size
465cc -
Engine/Motor Type
4 Cycle CARB2, EPA2 -
Engine Starter
Electric -
Transmission Type
Hydrostatic
-
Chassis: Tire Pressure
Front 35 PSI / 2.5kg sq. cm, Rear 13 PSI / .9kg sq. cm -
Engine: Battery
12V 260CCA -
Engine: Engine Speed
High 3300, Low 1500 RPM -
Engine: Spark Plug
Champion RC12YC -
Engine: Spark Plug Gap
.035"/ .9mm -
Drive System: Ground Speed
Fwd. 0 - 6 Rev. 0 - 3 mph






















