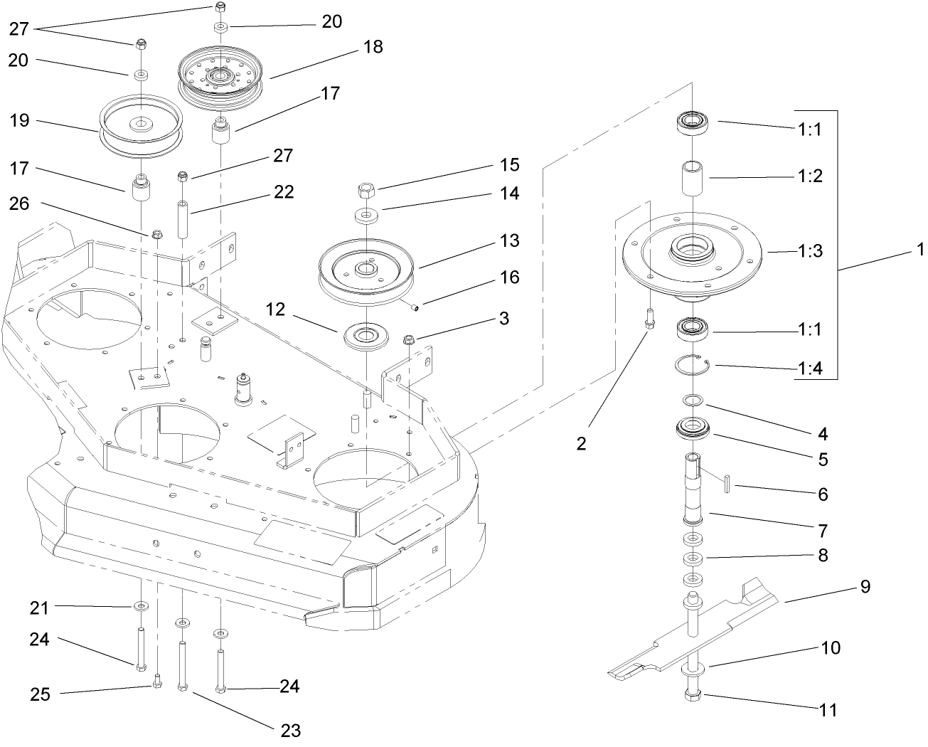
Image Not Found

Product Information

  • Model #: 30696
  • Serial #: 260000001 - 260999999
  • Product Type: Walk Behind Mowers
Genuine OEM Part 108-4089-03
14 Inch Recycler Blade (Part # 108-4089-03)
Genuine OEM Part 108-4110-03
14 Inch Medium Flow Blade (Part # 108-4110-03)
Genuine OEM Part 108-4111-03
14 Inch Low Flow Blade (Part # 108-4111-03)
Please contact your local dealer
Genuine OEM Part 108-4112-03
14 Inch Atomic Blade (Part # 108-4112-03)
Genuine OEM Part 110-2025
40 inch GrandStand bagging Enhancement Kit (Part # 110-2025)
Genuine OEM Part 110-2070
40 Inch GrandStand Recycler Kit (Part # 110-2070)
Genuine OEM Part 110-2085
Fixed Weight Kit (Part # 110-2085)
Genuine OEM Part 110-6902
40 Inch Turbo Force Plate Kit (Part # 110-6902)
3 Bushell Soft Collection Bag for GrandStand Mowers
3 Bushell Soft Collection Bag for GrandStand Mowers (Part # 30104)
Please contact your local dealer
Genuine OEM Part 30109
  • Model #
    30696
  • Serial #
    260000001 - 260999999
  • Product Name
    Commercial Walk-Behind Mower, Fixed Deck T-Bar Gear with 40in TURBO FORCE Cutting Unit
  • Product Brand
    Toro
  • Product Type
    Walk Behind Mowers
  • Product Series
    Mid-Size ProLine Mower
  • Chassis Type
    Mid-size - Fixed Deck
  • Swath
    40 inch
  • Discharge
    Side
  • Engine/Motor Manufacturer
    Kawasaki
  • Engine/Motor Size
    15 hp
  • Engine/Motor Type
    4 Cycle CARB2, EPA2
  • Engine Starter
    Recoil
  • Transmission Type
    Gear
  • Traction Type
    2wd
  • Engine: Battery
    None
  • Engine: Ignition Coil Air Gap
    .012" / .3mm
  • Engine: Spark Plug
    Champion RCJ8Y
  • Engine: Spark Plug Gap
    .030"/ .76mm
  • Drive System: Gearbox Lubricant
    Peerless Bentonite Grease
  • Chassis: Height of Cut Range
    1" - 4.25" (25-108mm)
  • Engine: Engine Speed
    3600±75 RPM
  • Chassis: Tire Pressure
    14-20 psi traction tire / 40 psi castor tire
  • Drive System: Ground Speed
    Fwd. 2.0 / 2.6 / 3.4 / 4.1 / 6.1 Rev. 3.2 mph
  • Engine: Engine Oil Type
    58 oz. (1.7 Liter) SAE 10W-30 or 10W-40

Register your product

Registering your product will ensure notification of important updates and expedite warranty service should it be necessary.

Register Now