CCR 2000 Snowthrower
Product Information
- Model #: 38180
- Serial #: 4900001 - 4999999
- Product Type: Snowthrowers
Loading...
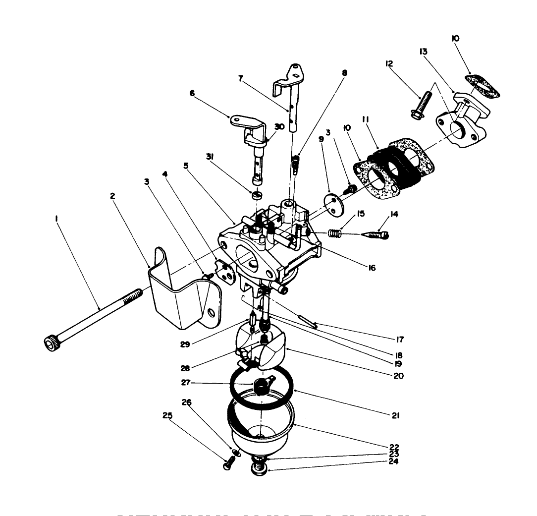
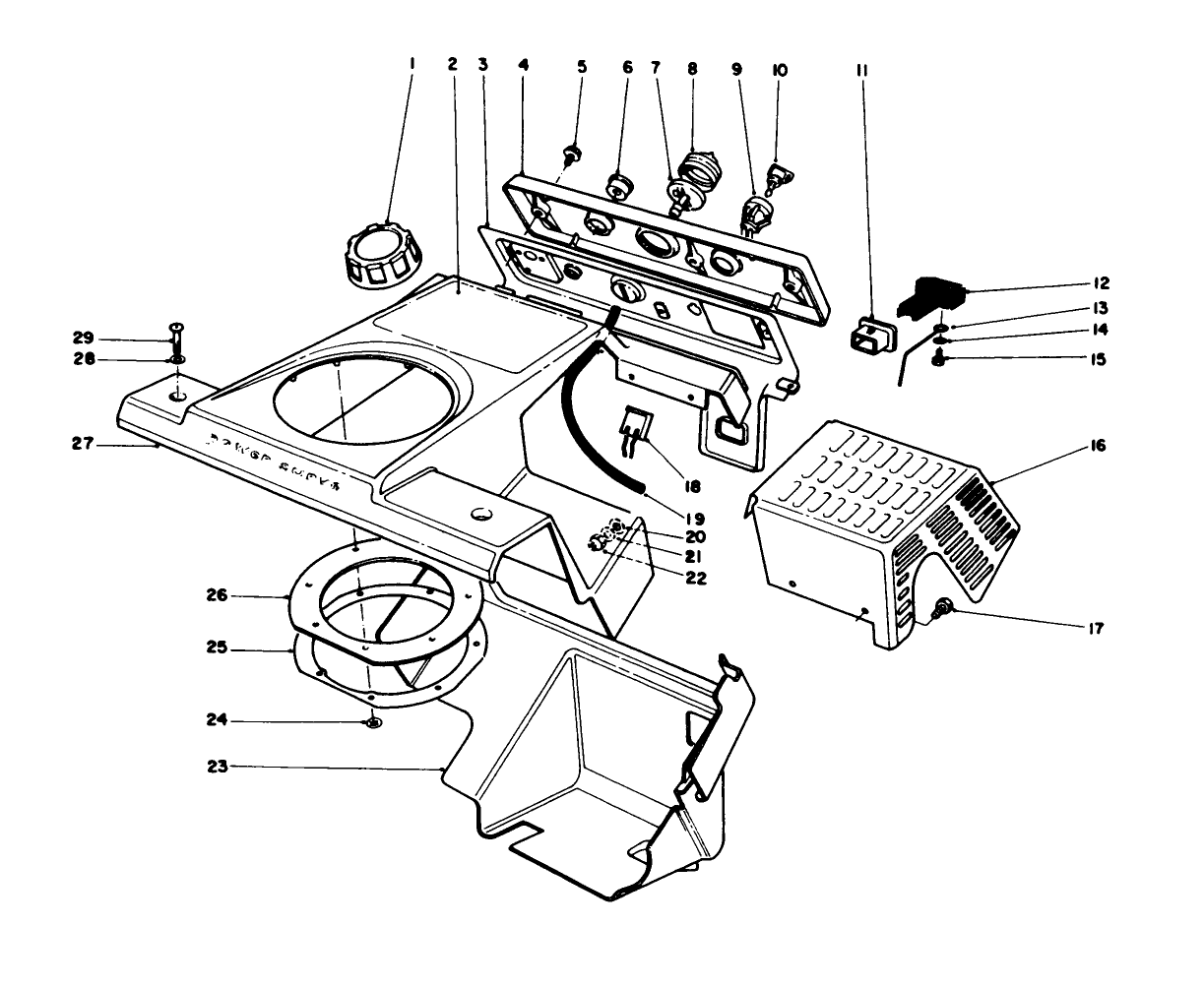
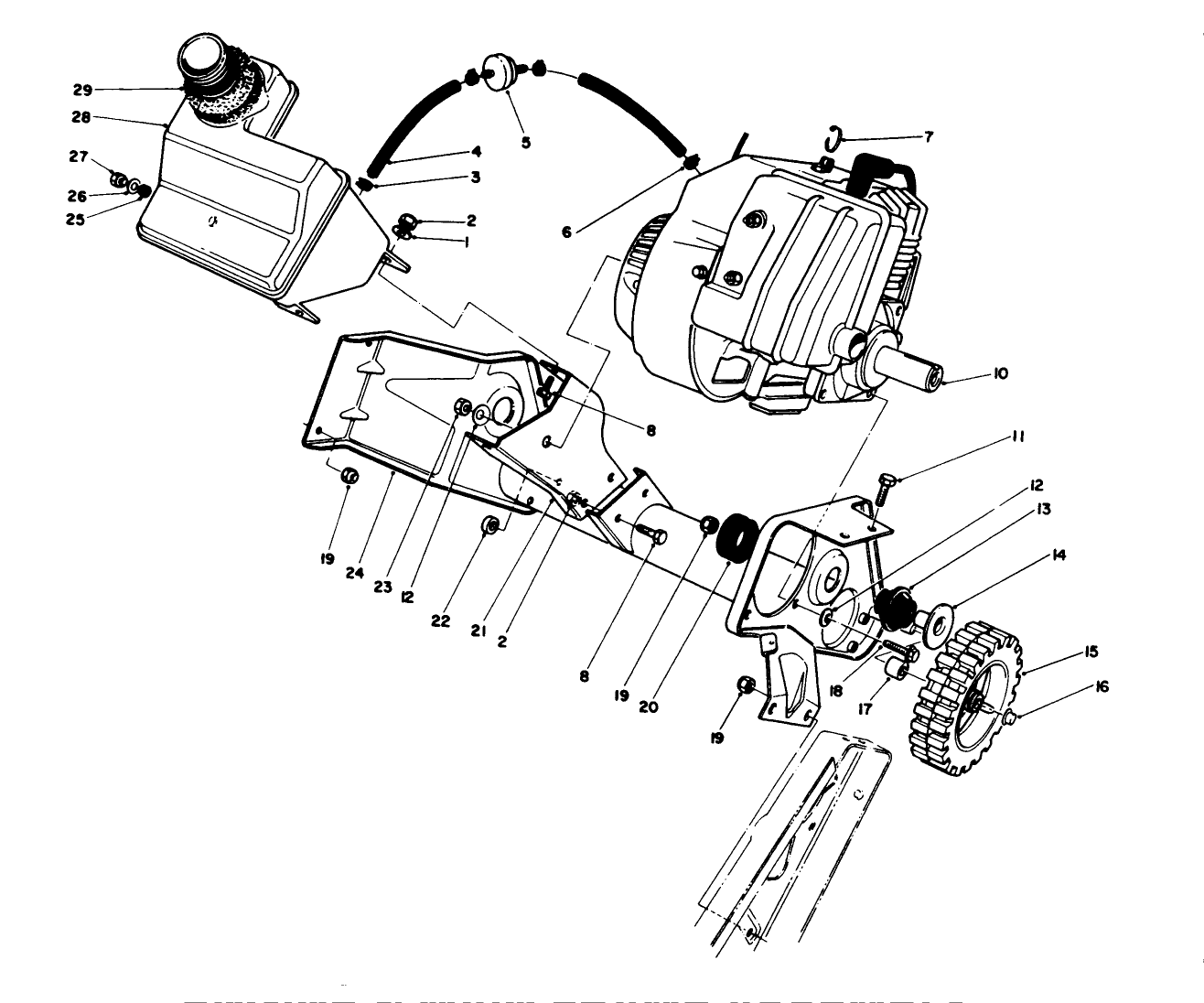
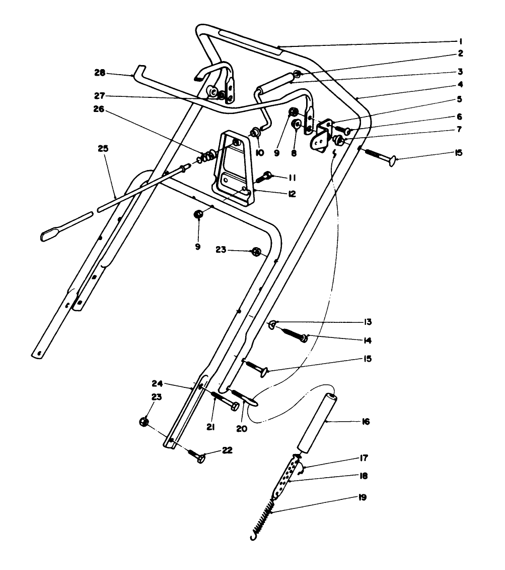
Assembly Drawings
Search for a part within assembly drawings:
-
Service Manual
-
Operator's Manual
-
Parts Catalog
-
Model #
38180 -
Serial #
4900001 - 4999999 -
Product Name
CCR 2000 Snowthrower -
Product Brand
Toro -
Product Type
Snowthrowers -
Product Series
Snowthrower, Single Stage, CCR 2000/3000/3600 -
Chassis Type
Single Stage -
Swath
20 inch -
Discharge
Single Stage -
Engine/Motor Manufacturer
Suzuki -
Engine/Motor Size
4.5 hp -
Engine/Motor Type
2 Cycle -
Engine Starter
Recoil -
Transmission Type
NA
-
Engine: Engine Oil Type
Toro 2 cycle / NMMA-TCW3 -
Engine: Engine Speed
3700±150 RPM -
Engine: Ignition Coil Air Gap
.015-.020" / .4-.5mm -
Engine: Mix Ratio
50:1 (2.6 oz./gal.) -
Engine: Spark Plug
NGK BPMR6A -
Engine: Spark Plug Gap
.032"/ .8mm











