Image Not Found

Product Information

  • Model #: 38181
  • Serial #: 3900001 - 3999999
  • Product Type: Snowthrowers
  • Model #
    38181
  • Serial #
    3900001 - 3999999
  • Product Name
    CCR 2000 Snowthrower
  • Product Brand
    Toro
  • Product Type
    Snowthrowers
  • Product Series
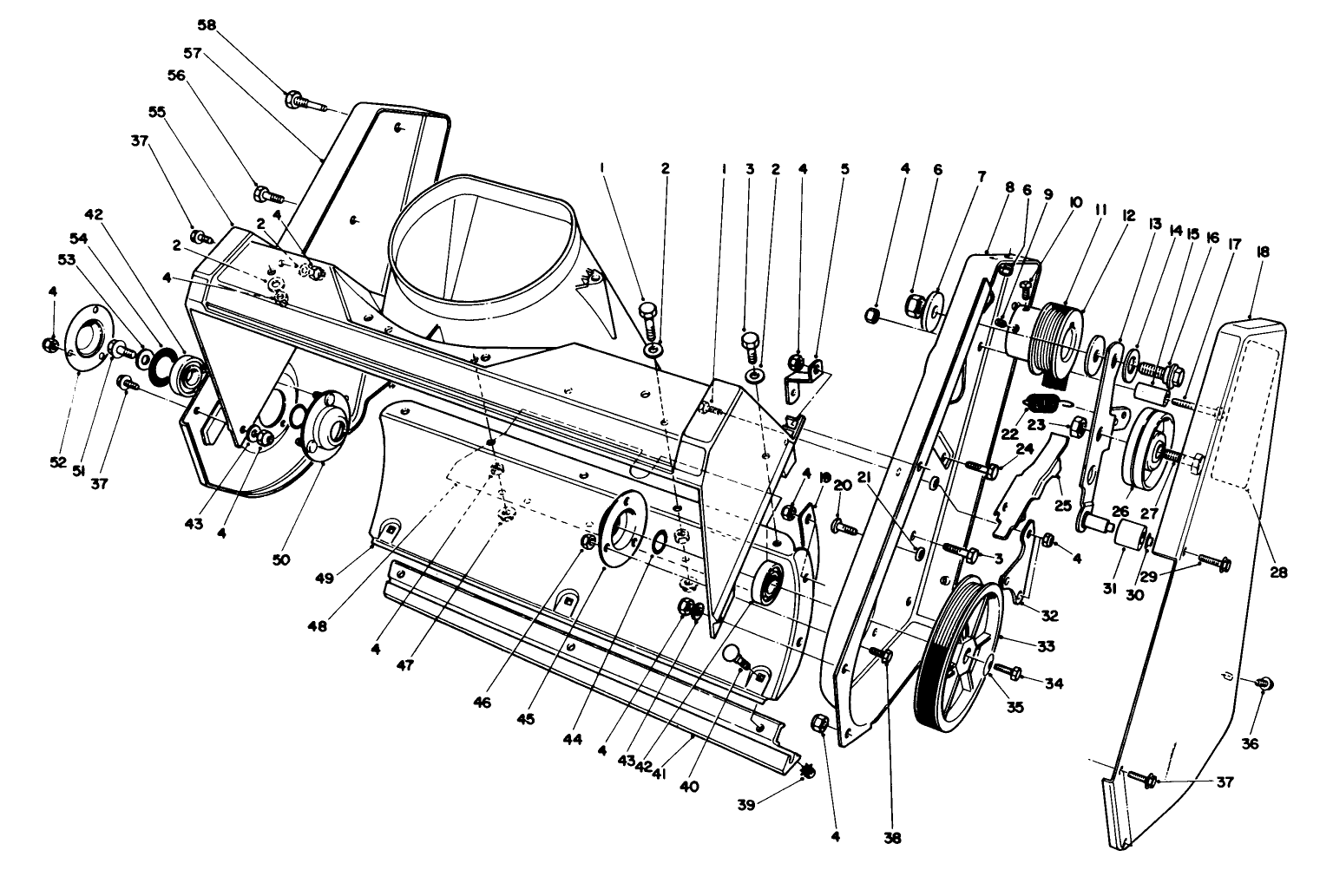
    Snowthrower, Single Stage, CCR 2000/3000/3600
  • Chassis Type
    Single Stage
  • Swath
    20 inch
  • Discharge
    Single Stage
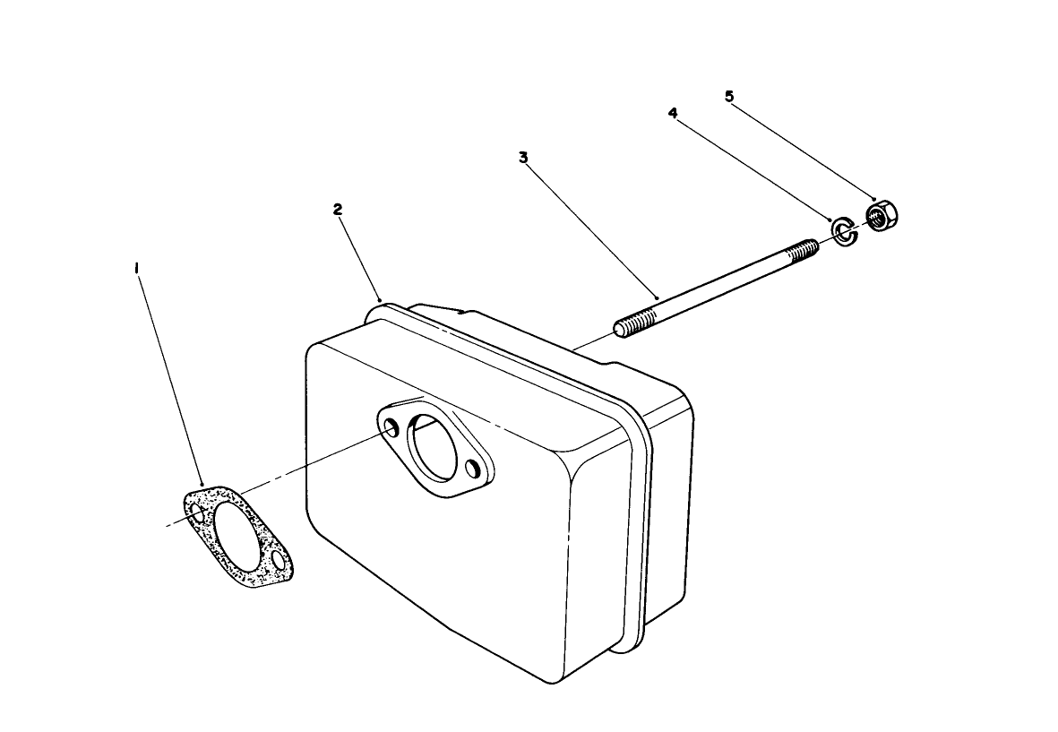
  • Engine/Motor Manufacturer
    Suzuki
  • Engine/Motor Size
    4.5 hp
  • Engine/Motor Type
    2 Cycle
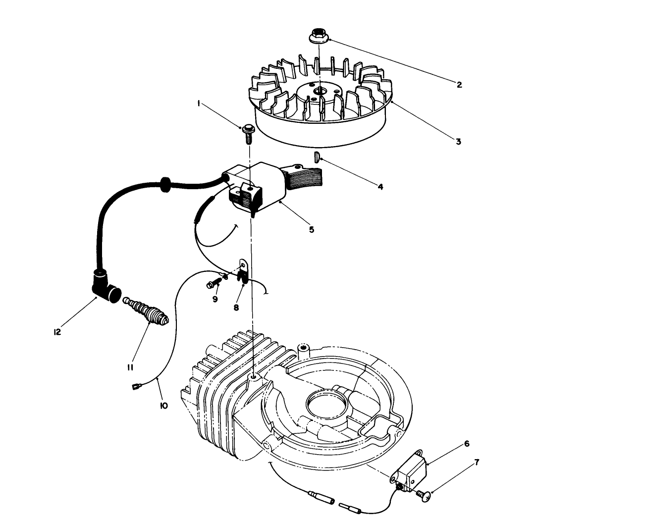
  • Engine Starter
    Recoil
  • Transmission Type
    NA
  • Engine: Engine Oil Type
    Toro 2 cycle / NMMA-TCW3
  • Engine: Engine Speed
    3700±150 RPM
  • Engine: Ignition Coil Air Gap
    .015-.020" / .4-.5mm
  • Engine: Mix Ratio
    50:1 (2.6 oz./gal.)
  • Engine: Spark Plug
    NGK BPMR6A
  • Engine: Spark Plug Gap
    .032"/ .8mm

Register your product

Registering your product will ensure notification of important updates and expedite warranty service should it be necessary.

Register Now