Polar Trac Kit, Groundsmaster 7200 Series Mower
Product Information
- Model #: 30370
- Serial #: 270000001 - 270999999
- Product Type: Attachments
Loading...
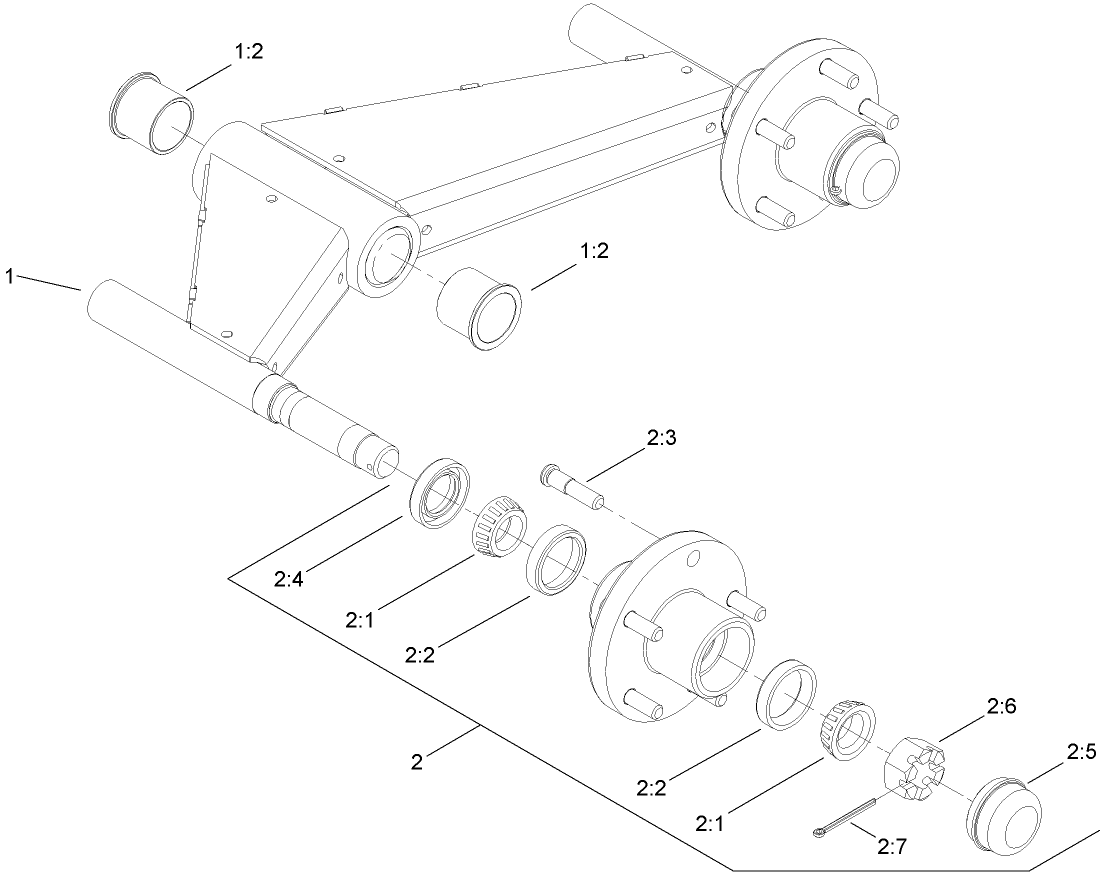
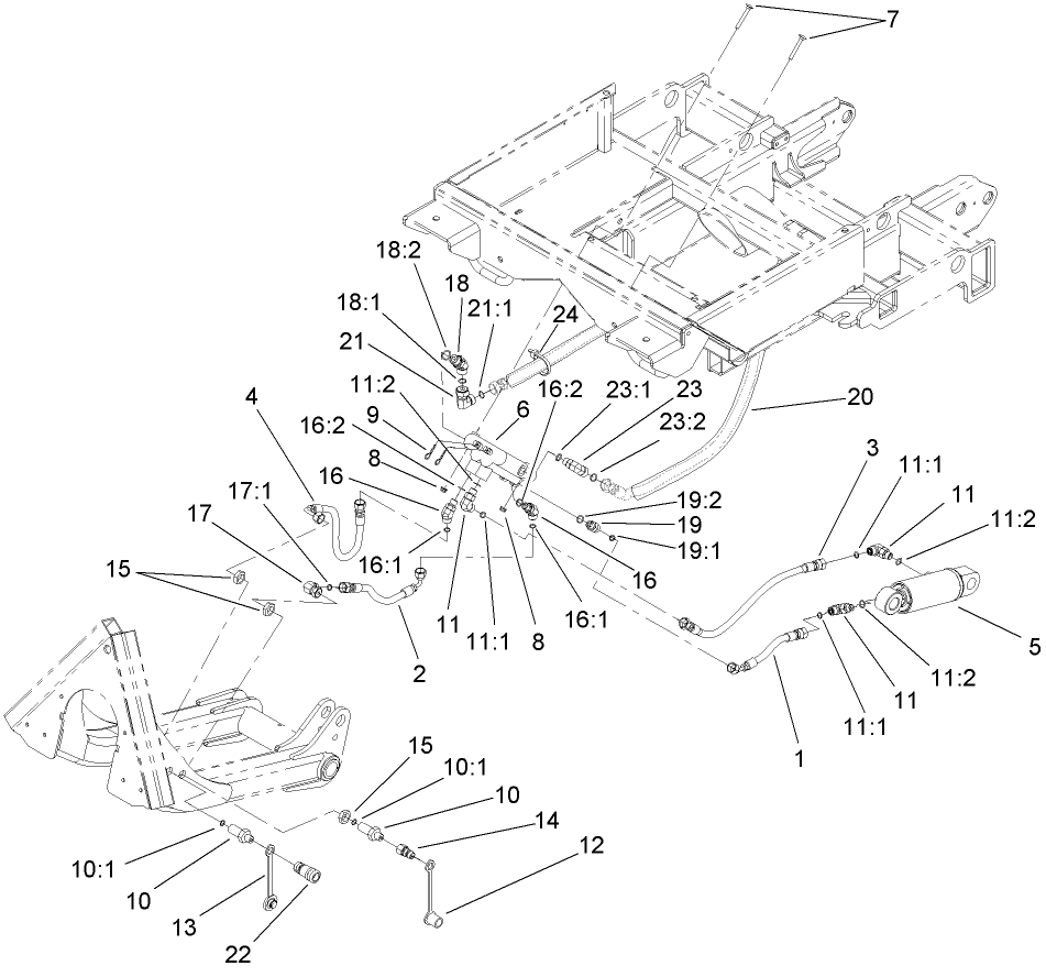
Assembly Drawings
Search for a part within assembly drawings:
-
Service Manual
-
Operator's Manual
-
Parts Catalog
-
EU Declaration of Conformity
-
Service Bulletin
-
Model #
30370 -
Serial #
270000001 - 270999999 -
Product Name
Polar Trac Kit, Groundsmaster 7200 Series Mower -
Product Brand
Toro -
Product Type
Attachments -
Product Series
Attachments & Kits, Groundsmaster








