S-200 Snowthrower
Product Information
- Model #: 38235
- Serial #: 0000001 - 0999999
- Product Type: Snowthrowers
Loading...
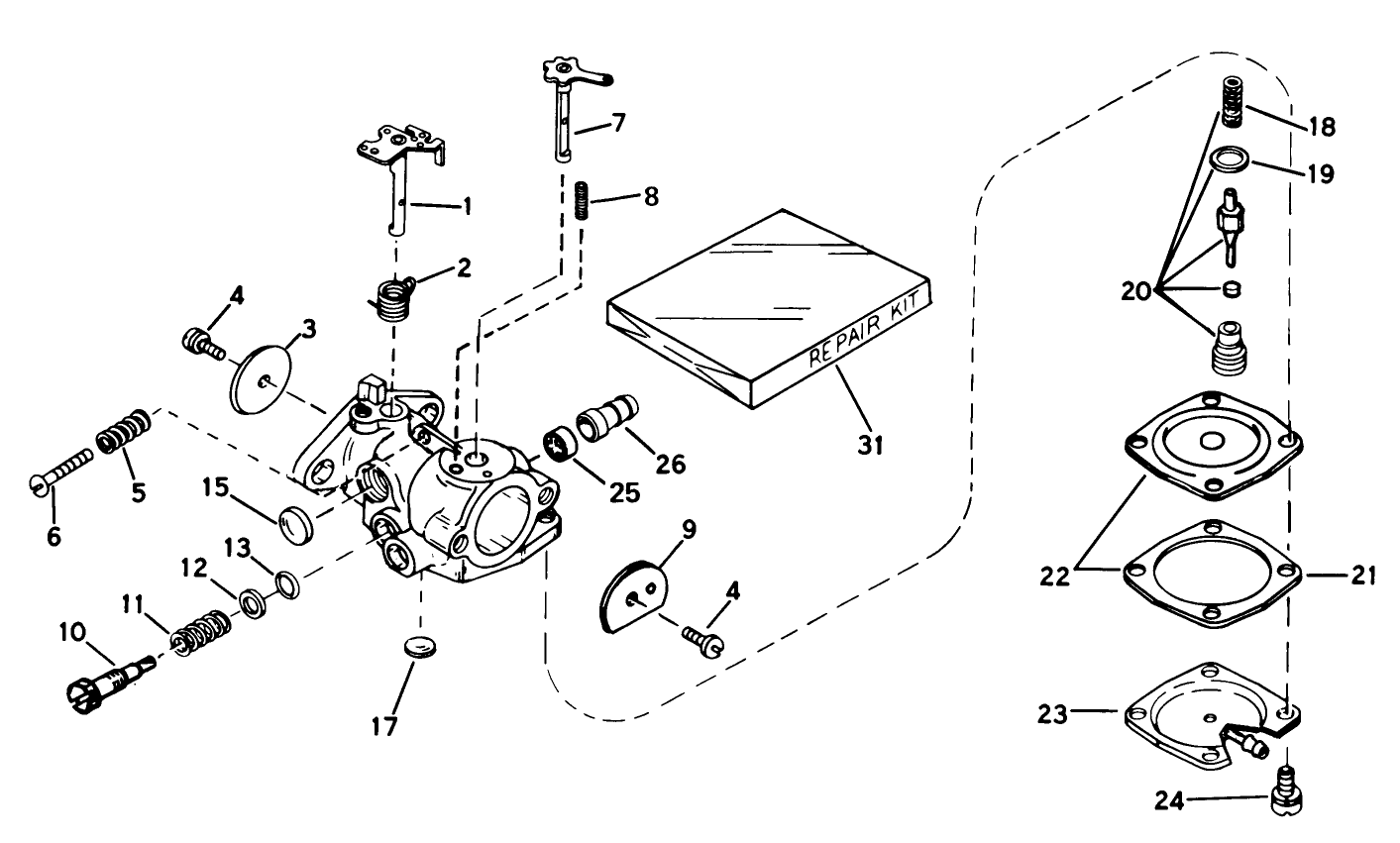
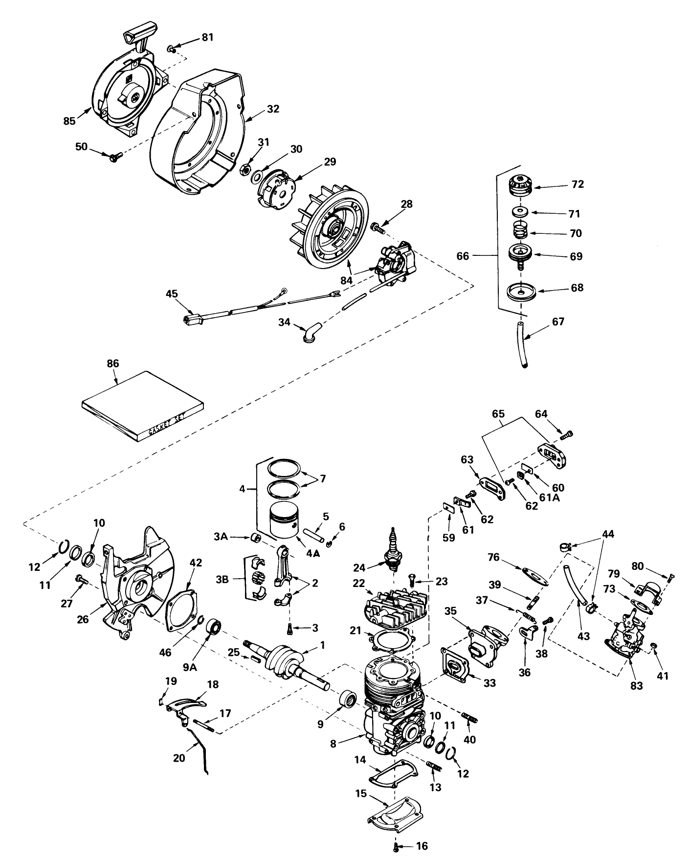
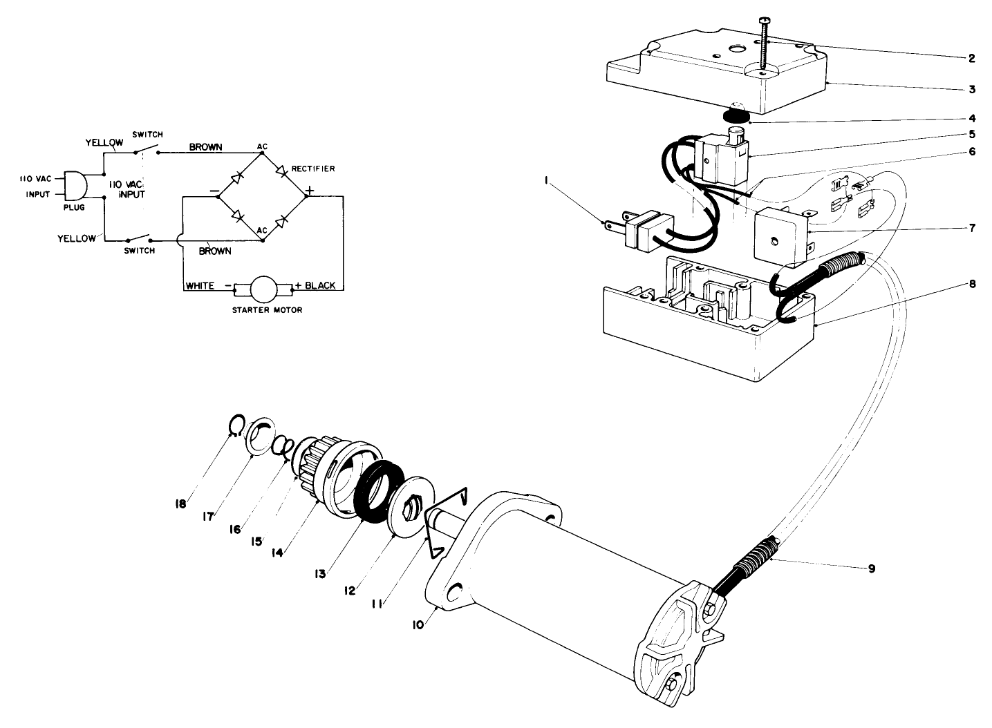
Assembly Drawings
Search for a part within assembly drawings:
-
Service Manual
-
Operator's Manual
-
Model #
38235 -
Serial #
0000001 - 0999999 -
Product Name
S-200 Snowthrower -
Product Brand
Toro -
Product Type
Snowthrowers -
Product Series
Snowthrower, Single Stage, CR/S140/S200/S620 -
Chassis Type
Single Stage -
Swath
20 inch -
Discharge
Single Stage -
Engine/Motor Manufacturer
Tecumseh -
Engine/Motor Size
2.5 hp -
Engine/Motor Type
2 Cycle -
Engine Starter
Electric -
Transmission Type
NA












