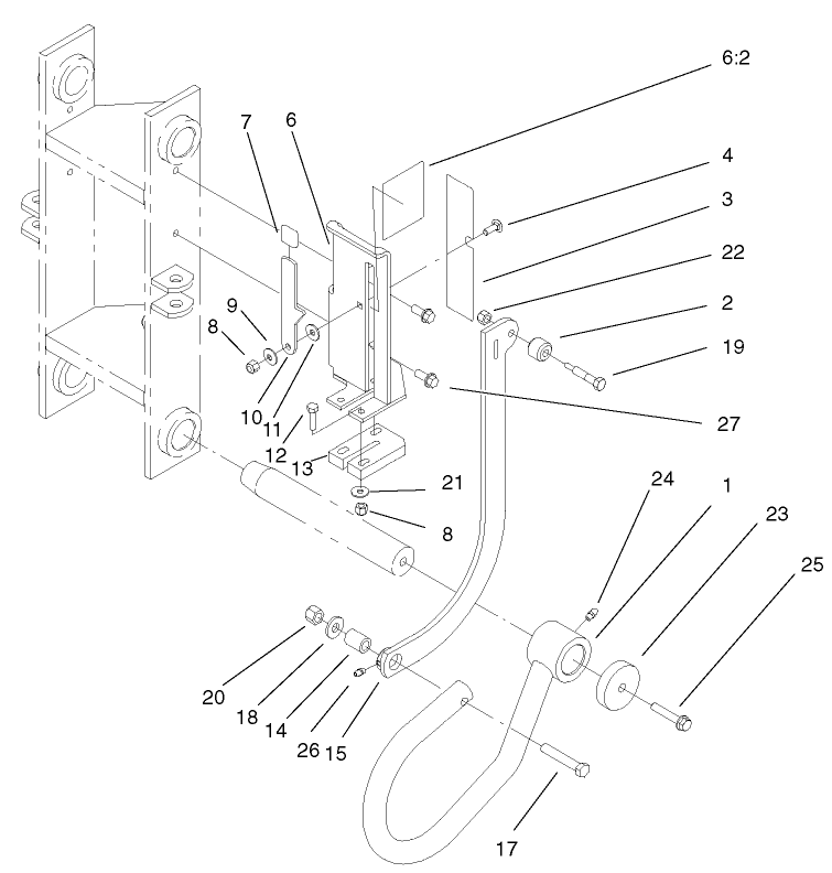
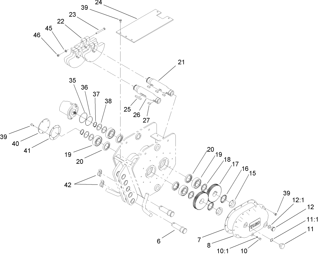
Vibratory Plow Attachment
Product Information
- Model #: 22911
- Serial #: 270000001 - 270999999
- Product Type: Compact Utility Loaders, Attachments
Loading...
Assembly Drawings
Search for a part within assembly drawings:
-
Operator's Manual
-
Parts Catalog
-
EU Declaration of Conformity
Seal Kit (Part # 100-6120)
Chuted Blade for Vibratory Plow, Dingo (Part # 104-0640)
Spool Carrier Kit, Dingo (Part # 104-2661)
Spool Carrier Kit (Part # 104-2685)
Mounts onto Dingo loader arm to carry spool of wire or cable. Used with the chuted blade assembly for pulling cable or wire.
Blade and Basket Kit, Dingo Vibratory Plow (Part # 104-5944)
-
Model #
22911 -
Serial #
270000001 - 270999999 -
Product Name
Vibratory Plow Attachment -
Product Brand
Toro -
Product Type
Compact Utility Loaders, Attachments -
Product Series
Attachments & Kits, SWS & CUE








