Z560 Z Master, With 60in TURBO FORCE Side Discharge Mower
Product Information
- Model #: 74262
- Serial #: 270002001 - 270999999
- Product Type: Riding Products
Loading...
Assembly Drawings
Search for a part within assembly drawings:
-
Service Manual
-
Operator's Manual
-
Parts Catalog
-
Setup Instructions
-
Addendum
Z-Master Deck Stand Kit with 72 Inch Turbot Force Side Discharge (Part # 105-1622)
Toro OEM Z-Master Deck Stand Kit for use with 72 Inch Turbot Force Side Discharge . Allows for easy under deck access at the shop or in the field. When it comes to reliability, Toro delivers replacement parts designed to the exact engineering specifications of our equipment. For peace of mind, insist on Toro genuine parts.
Z-Master Spark Arrestor (Part # 105-1672)
Toro OEM spark arrestor prevents carbon build ups from being ejected from the engine and igniting a fire.
Please contact your local dealer
20.5 Inch Medium Flow Blade (Part # 105-7715-03)
Toro 20.5 Inch OEM Medium Flow blade. Medium Flow mower straight edge, standard discharge blade. These blades have slight upward angle on the edges. Great blades for use when horsepower is a concern. Produce medium Flow but requires less horsepower than Hi-Flow blades. This Toro blade has multiple applications. Be sure to verify model and serial number to ensure the correct part.
20.5 Inch Low Flow Blade (Part # 105-7716-03)
Toro 20.5 Inch OEM Low Flow blade. Low Flow mower blades have slightly curved ends that keep air Flow to a minimum. The lack of suction allows cut grass to exit the mower while keeping dust and debris levels down. Toro Low Flow mower blades cause less engine strain than Hi-Flow blades. This Toro blade has multiple applications. Be sure to verify model and serial number to ensure the correct part.
20.5 Inch Hi-Flow Blade (Part # 105-7718-03)
Toro OEM Hi-Flow blade. This sharp replacement Hi-Flow lawn mower blade provides a crisp, clean cut time after time. You can count on the quality and reliability of this Toro replacement Hi-Flow lawn mower blade. This Toro blade has multiple applications. Be sure to verify model and serial number to ensure the correct part.
Please contact your local dealer
20.5 Inch Recycler Blade (Part # 105-7777-03)
Toro 20.5 Inch OEM Recycler blade. Recycler straight edge, standard discharge blade. The blade is designed for a High quality cut and long-lasting durability. These blades are designed with “wings,” called “accelerators” that kind of act like a fan — forcing the tiny bits of grass back into the earth. This Toro blade has multiple applications. Be sure to verify model and serial number to ensure the correct part.
20.5 Inch Atomic Blade (Part # 105-8777-03)
Toro 20.5 Inch OEM Atomic blade. The Toro Atomic blade is commonly referenced as a “Gator Style” or “Gator Blade”. Provides the best quality of cut while mulching. This Toro blade has multiple applications. Be sure to verify model and serial number to ensure the correct part.
60 Inch Recycler Kit (Part # 107-1611)
Genuine OEM Part
Rubber Striping Kit (Part # 107-1630)
Toro OEM A mower striping kit. The ultimate way to enhance the striping ability of your Z-Master. When it comes to reliability, Toro delivers replacement parts designed to the exact engineering specifications of our equipment. For peace of mind, insist on Toro genuine parts.
GrandStand Turbo Baffle Kit (Part # 107-1634)
GrandStand Turbo Baffle Kit. To best protect your investment and maintain optimal performance of your equipment, count on Toro genuine parts and accessories.
Z-Master Deluxe Suspension Seat (Part # 107-1891)
Toro genuine suspension seat allows for maximum comfort in the field or on the road. Ergonomic contoured comfort cushions that recline make this a perfect seating solution for your Z-Master riding mower.
Suspension Kit for Standard Seat (Part # 107-1892)
Toro OEM suspension kits for standard seats. Give your Zero-Turn some additional comfort with this seat suspension kit. Genuine Toro Parts and accessories are designed specifically for your machine and built to exacting standards with tight tolerances. Other parts simply don't stack up to the quality, performance, and value of Genuine Toro Parts.
Soft Bagger Kit (Part # 107-9850)
Genuine OEM Part
Please contact your local dealer
Z-Master Light Kit (Part # 107-9880)
Extend your mowing day with these Toro genuine high-intensity, low amperage LED light kit. This lighting kit is built in durable cast aluminum alloy housing with stainless steel mounting hardware and wiring harness and lighted rocker switch. When it comes to reliability, Toro delivers replacement parts designed to the exact engineering specifications of our equipment. For peace of mind, insist on Toro genuine parts.
20.5 Inch Hi-Flow Blade (6 Pack) (Part # 108-1114)
Toro 20 Inch OEM Hi-Flow blade pack. (6) Hi-Flow blades. This sharp replacement Hi-Flow lawn mower blade provides a crisp, clean cut time after time. You can count on the quality and reliability of this Toro replacement Hi-Flow lawn mower blade. This Toro blade has multiple applications. Be sure to verify model and serial number to ensure the correct part.
Atomic 20.5 Inch Blade Pack (6) (Part # 108-1115)
Toro OEM Atomic blade pack. (6) 20.5 Inch Atomic blades. Atomic blade is commonly referenced as a “Gator Style” or “Gator Blade”. Provides the best quality of cut while mulching. This Toro blade has multiple applications. Be sure to verify model and serial number to ensure the correct part.
Mid Flow 20.5 Inch Blade Pack (6) (Part # 108-1123)
Toro 20.5 Inch OEM Medium Flow blade pack. (6) Medium Flow blades. Medium Flow mower straight edge, standard discharge blade. These blades have slight upward angle on the edges. Great blades for use when horsepower is a concern. Produce medium Flow but requires less horsepower than Hi-Flow blades. This Toro blade has multiple applications. Be sure to verify model and serial number to ensure the correct part.
Low Flow 20.5 Inch Blade Pack (6) (Part # 108-1128)
Toro 20.5 Inch OEM Low Flow blade pack. (6) Low Flow blades. Low Flow mower blades have slightly curved ends that keep air Flow to a minimum. The lack of suction allows cut grass to exit the mower while keeping dust and debris levels down. Toro Low Flow mower blades cause less engine strain than Hi-Flow blades. This Toro blade has multiple applications. Be sure to verify model and serial number to ensure the correct part.
Roller Striping Kit (Part # 108-2162)
Toro OEM A mower striping kit. The ultimate way to enhance the striping ability of your Z-Master. When it comes to reliability, Toro delivers replacement parts designed to the exact engineering specifications of our equipment. For peace of mind, insist on Toro genuine parts.
Dfs Assembly (Part # 110-0351)
Genuine OEM Part
Please contact your local dealer
Recycler 20.5 Inch Blade Pack (6) (Part # 110-0405)
Toro 20.5 Inch OEM Recycler blade pack. (6) Recycler blades. Recycler straight edge, standard discharge blade. The blade is designed for a High quality cut and long-lasting durability. These blades are designed with “wings,” called “accelerators” that kind of act like a fan — forcing the tiny bits of grass back into the earth. This Toro blade has multiple applications. Be sure to verify model and serial number to ensure the correct part.
Cool Top - ROPS Mounted Fan (Part # 110-1996)
Work in comfort with a fan that provides you with clean, cool air. This Toro OEM operator fan gives you shade on hot, sunny days. Increase productivity by keeping the dust, sun, and insects off of equipment operators. When it comes to reliability, Toro delivers replacement parts designed to the exact engineering specifications of our equipment. For peace of mind, insist on Toro genuine parts.
Please contact your local dealer
Armrest Kit (Part # 110-5719)
Genuine OEM Part
Channel Reinforcement Kit (Part # 112-8674)
Genuine OEM Part
Triple Bagger (60") (Part # 78456)
60" Deck Finishing Kit (Triple) (Part # 78502)
DFS Vac Collection System (Part # 78506)
DFS Vac Collection System, 2005 and After 500 Series Z Master (Part # 78513)
Z-Master 52 inch Operator Chute Gate Kit (Part # 78521)
Toro OEM chute gate kit. Protect people and property from flying debris, keep grass out of flower beds and driveways, reducing raking, blowing and re-mowing.
Triple Bag Assembly, 60" Deck (Part # 78534)
Blower and Drive Kit, 60" Deck (Part # 78538)
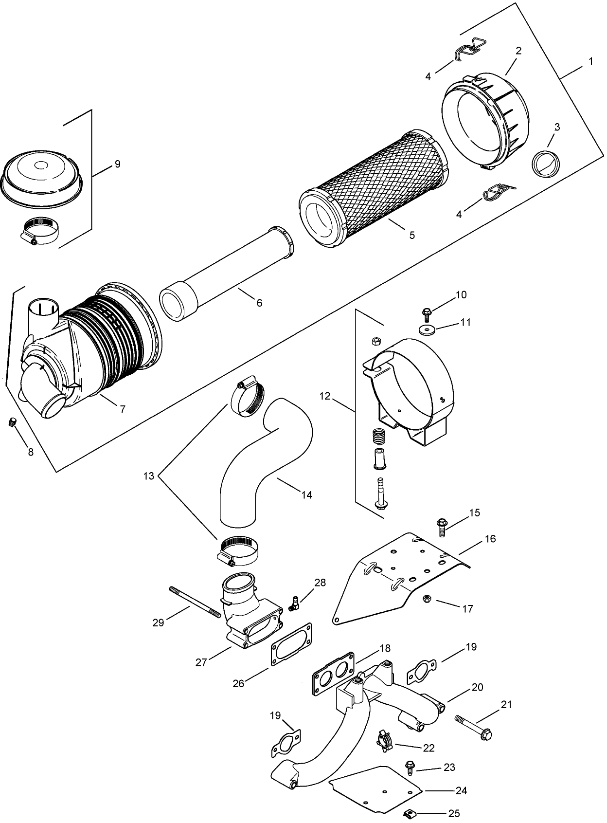
Toro Filter Gauge for Kohler Engines (Part # 99-4664)
Toro genuine filter gauge. This Toro filter gauge shows when filters are nearing restriction limits, graduated indicators help you maximize filter life and effectively schedule service intervals. Toro would like to remind you that fitment can vary by sub model, serial number, and/or production date of your equipment. Please refer to the original owners manual in order to verify this is correct part for your machine.
Hitch Kit (Part # 99-8925)
Add versatility to your Toro Z-Master with this easy to install hitch kit . This genuine Toro part provides towing capability for spreaders, carts and other attachments.
Cozy Cab Sun Shade (Part # A-11299)
-
Model #
74262 -
Serial #
270002001 - 270999999 -
Product Name
Z560 Z Master, With 60in TURBO FORCE Side Discharge Mower -
Product Brand
Toro -
Product Type
Riding Products -
Product Series
Zero Radius Turn, 500 Series -
Chassis Type
ZRT - LCE -
Swath
60 inch -
Discharge
Side -
Engine/Motor Manufacturer
Kohler -
Engine/Motor Size
30 hp -
Engine/Motor Type
4 Cycle CARB2, EPA2 -
Engine Starter
Electric -
Transmission Type
Hydrostatic


































