21in Heavy-Duty Rear Bagger Lawn Mower
Product Information
- Model #: 22189
- Serial #: 270000001 - 270004000
- Product Type: Walk Behind Mowers
Loading...
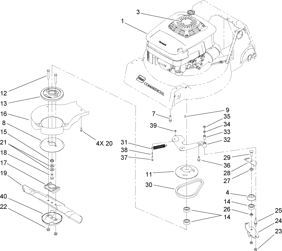
Assembly Drawings
Search for a part within assembly drawings:
-
Service Manual
-
Operator's Manual
-
Parts Catalog
Please contact your local dealer
Cover for 20 to 22 Inch Walk-Behind Mowers (Part # 490-7462)
The Toro Walk Power Mower Cover for 20 in. to 22 in. Walk-Behind Mowers offers all-season protection. This cover is constructed from tough, waterproof, tear and abrasion resistant 600-denier polyester.
-
Model #
22189 -
Serial #
270000001 - 270004000 -
Product Name
21in Heavy-Duty Rear Bagger Lawn Mower -
Product Brand
Toro -
Product Type
Walk Behind Mowers -
Product Series
21" (53cm) Commercial Rear Bagger -
Chassis Type
Cast Deck WPM -
Swath
21 inch -
Discharge
Rear Bagger -
Engine/Motor Manufacturer
Kawasaki -
Engine/Motor Size
179cc -
Engine/Motor Type
4 Cycle CARB3 2006, EPA2 -
Engine Starter
Recoil -
Transmission Type
Gear -
Traction Type
Rear WD
-
Drive System: Gearbox Lubricant
6 oz. (170gm) #2 Lithium grease -
Engine: Spark Plug
NGK BPR5ES -
Engine: Spark Plug Gap
.030"/ .76mm -
Chassis: Height of Cut Range
.75-3.25"; 1/2" increments -
Drive System: Ground Speed
2.0 / 3.0 / 4.2 mph -
Engine: Engine Oil Type
30 oz. with filter / 24 oz. without filter / SAE 30 or 10w30 / API SH or higher -
Engine: Ignition Coil Air Gap
.008-.016" / .2-.4mm -
Engine: Engine Speed
3300±100 RPM



















