520-H Garden Tractor
Product Information
- Model #: 41-20OE02
- Serial #: 1000001 - 1999999
- Product Type: Riding Products
Loading...
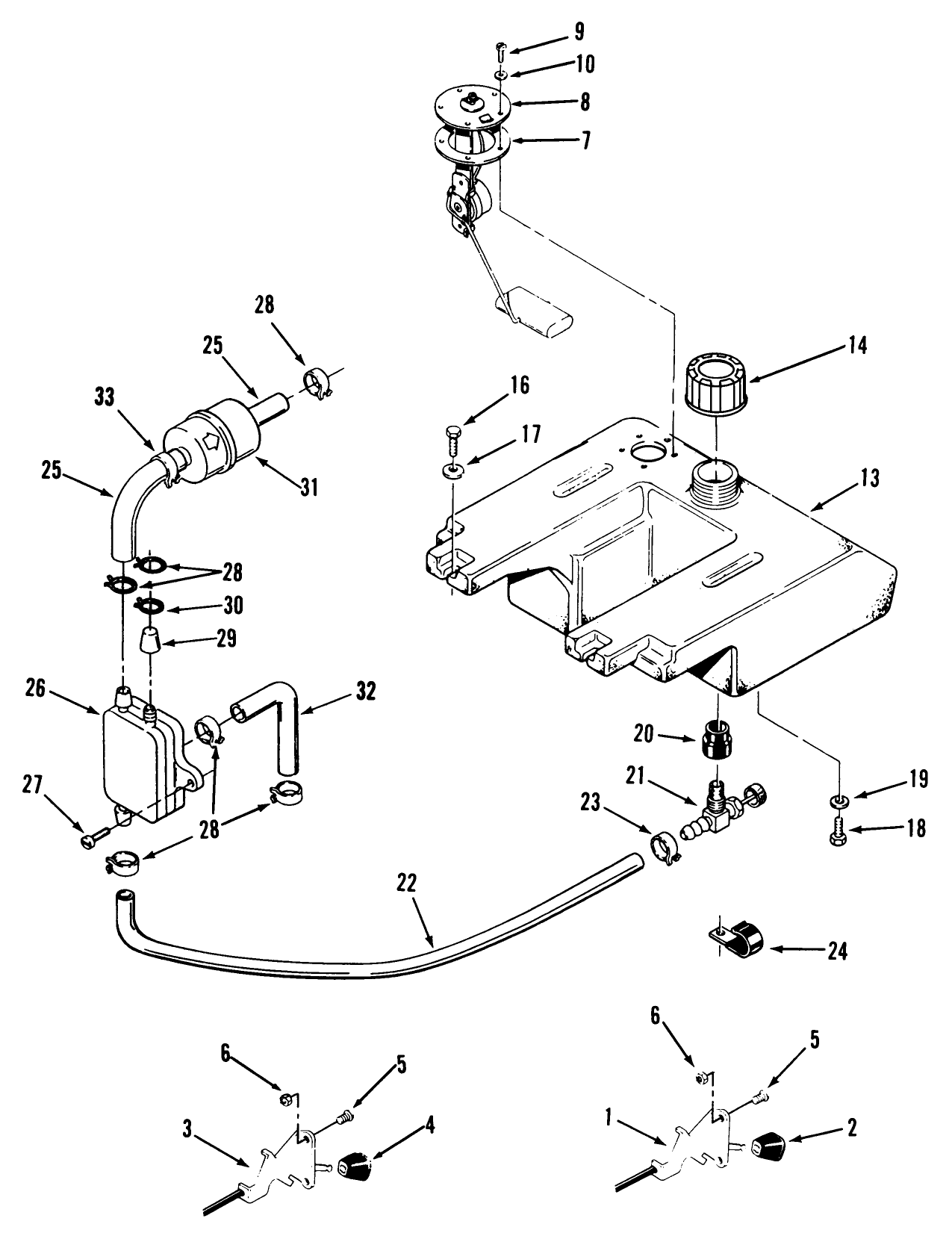
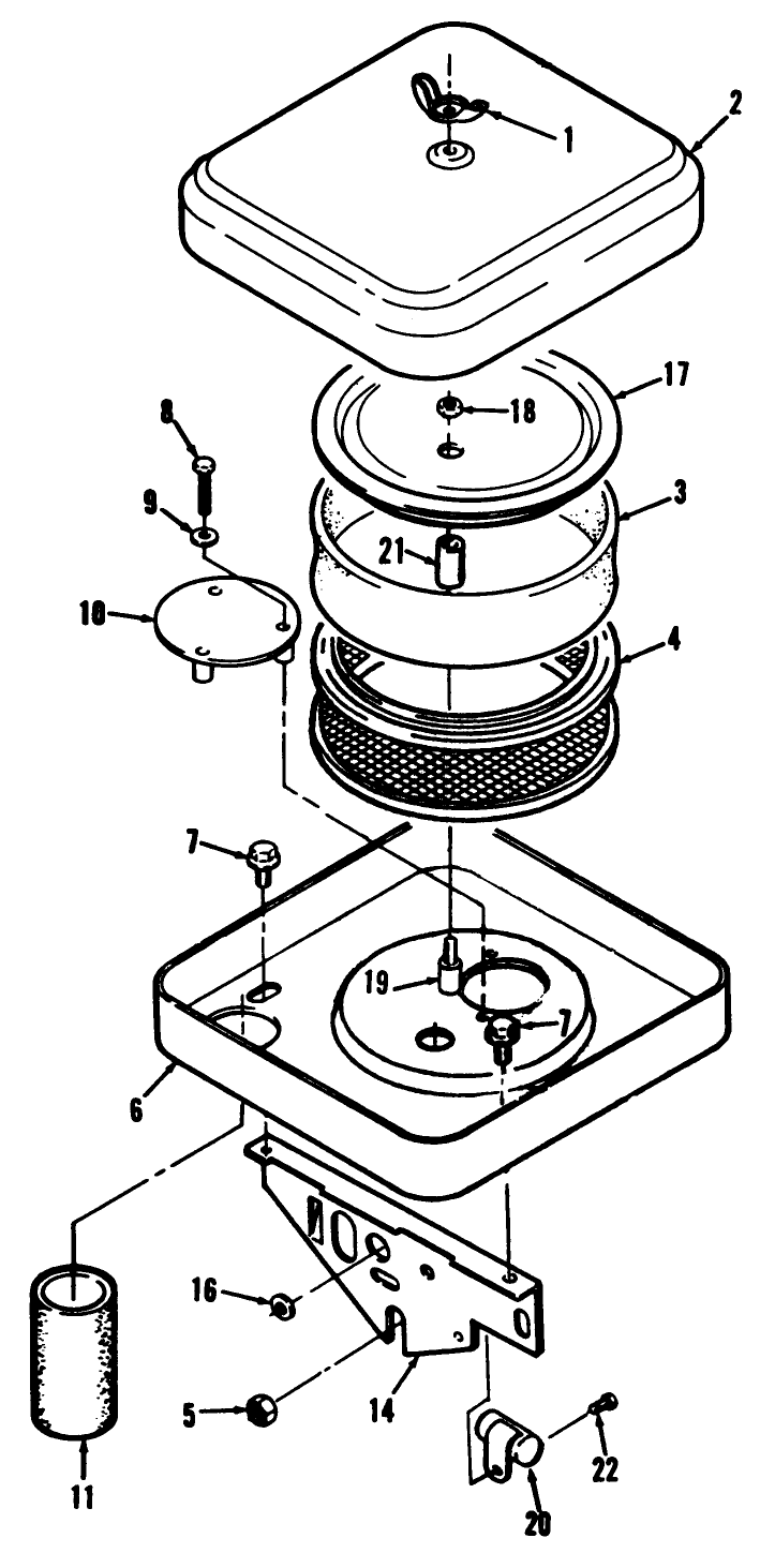
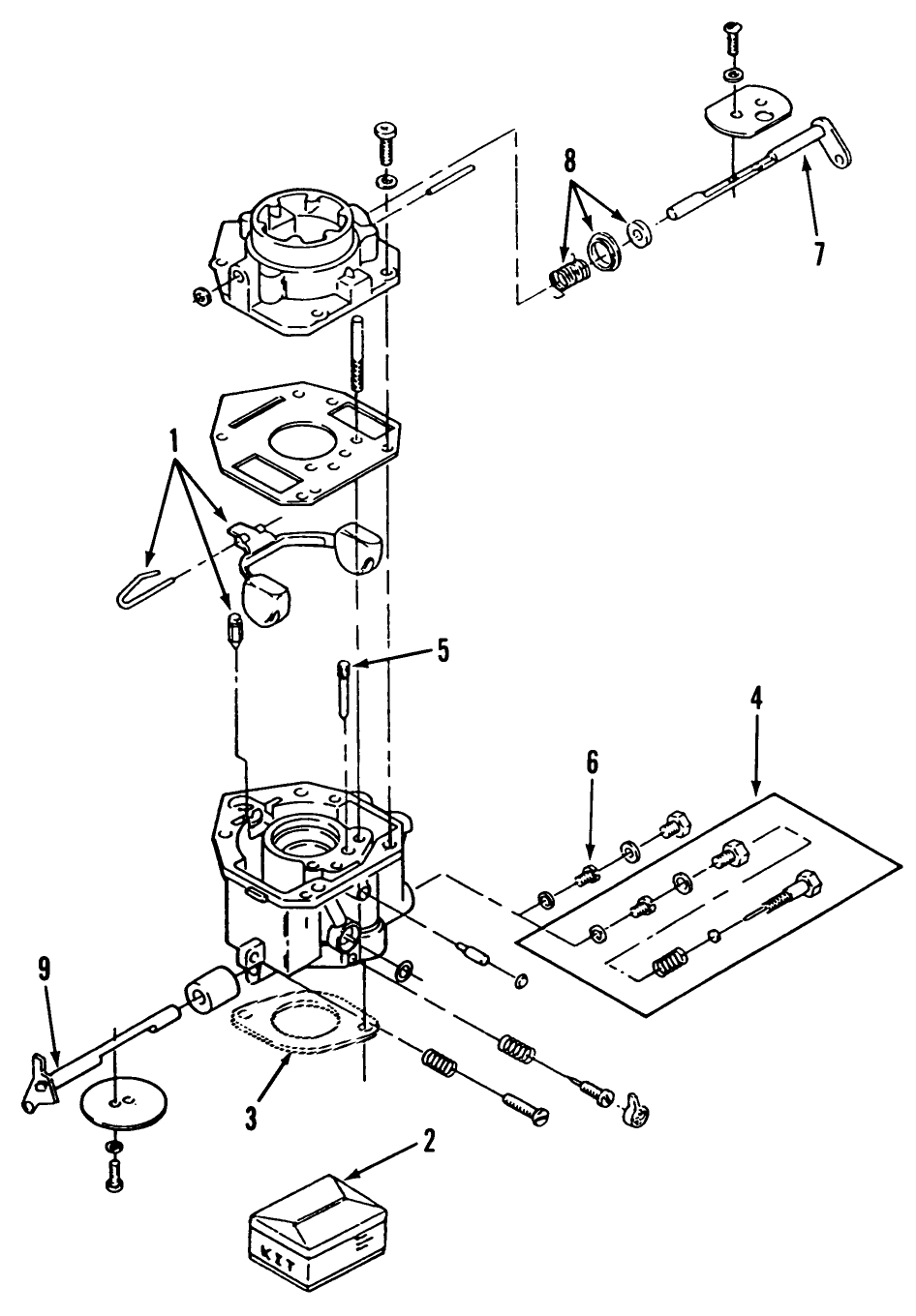
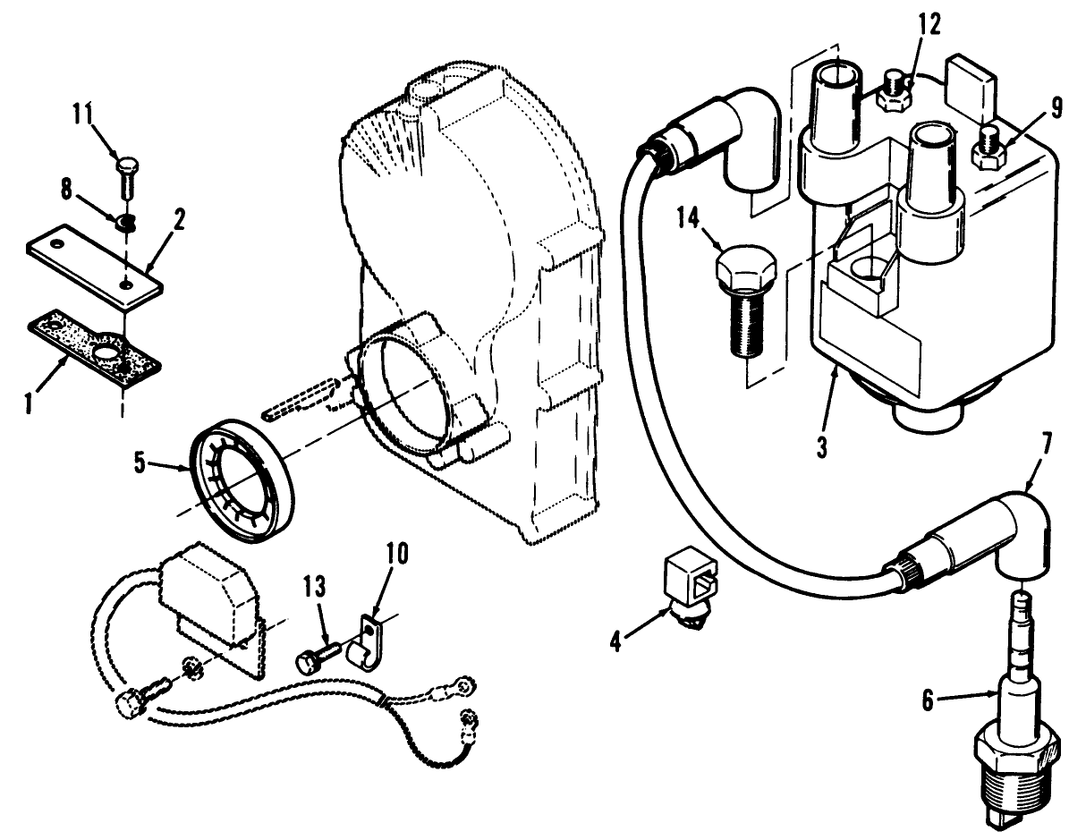
Assembly Drawings
Search for a part within assembly drawings:
-
Service Manual
-
Operator's Manual
-
Parts Catalog
42" Snowthrower (Part # 06-42ST07)
44" Two-Stage Snowthrower (Part # 06-44SC01)
48" Snow/Dozer Blade (Part # 06-48BC03)
36" Tiller (Part # 07-36TL04)
50" Mid-Mount Grader Blade (Part # 07-50BM03)
42" Rear Discharge Mower (Part # 15-42RC01)
48" Side Discharge Mower (Part # 15-48SC03)
Red Paint (Gallon) (Part # 361-11)
Genuine OEM Part
Red Paint (Part # 5340)
Genuine OEM Part
Wheel Weight Kit (Part # 81115)
Genuine OEM Part
8 Inch Wheel Weight (Part # 81214)
Genuine OEM Part
23x9.5 Tire Chains (Part # 82531)
Genuine OEM Part
60" Side Discharge Mower (Part # C5-60SC03)
42" Recycler Mower (Part # R5-42RC01)
-
Model #
41-20OE02 -
Serial #
1000001 - 1999999 -
Product Name
520-H Garden Tractor -
Product Brand
Toro -
Product Type
Riding Products -
Product Series
Garden Tractor, 3/4/500, C, GT -
Swath
Deck Optional -
Discharge
Deck Optional -
Engine/Motor Manufacturer
Toro Power Plus/Onan -
Engine/Motor Size
20 hp -
Engine/Motor Type
4 Cycle -
Engine Starter
Electric -
Transmission Type
Hydrostatic
-
Engine: Bore
3.250" (82.55mm) -
Engine: Stroke
2.875" (73.01mm) -
Engine: Displacement
47.7 cu.in. (782cc) -
Engine: Compression Ratio
7.0:1 -
Engine: Rated Speed (maximum)
3600 RPM -
Engine: Power at Rated Speed
20hp (14.9kw) -
Engine: Oil Capacity (std) Base without Filter
1.5qts. (1.4L) -
Engine: Oil Capacity (high cap.) Base without Filter
2.7qts. (2.6L) -
Engine: Oil Filter Capacity
.3qts. (.3L) -
Engine: Crankshaft Rotation (Viewed from flywheel)
Clockwise -
Engine: Valve Clearance Intake (cold)
.005" (.13mm) -
Engine: Valve clearance Exhaust (cold)
.013" (.33mm) -
Engine: Ignition Timing (BTC)
20 Degrees -
Engine: Cylinder Compression
75/115 psi (517/793 kPa) -
Engine: Cylinder Bore Honed Diameter (minimum)
3.2490" (82.52mm) -
Engine: Cylinder Bore Honed Diameter (maximum)
3.2500" (82.55mm) -
Engine: Cylinder Block Taper Maximum Allowed
0.005" (0.13mm) -
Engine: Cylinder Block Out of round (max. allowed )
0.003" (0.08mm) -
Engine: Cylinder Block Main Bearing I.D.(without bearing)(minimum)
2.1870" (55.55mm) -
Engine: Cylinder Block Main Bearing I.D.(without bearing)(maximum)
2.1880" (55.58mm) -
Engine: Cylinder Block Main Bearing I.D.(installed service bearing) Minimum
2.0015" (50.84mm) -
Engine: Cylinder Block Main Bearing I.D.(installed service bearing) Maximum
2.0040" (50.90mm) -
Engine: Camshaft Bearing Bore (installed service bearing) Minimum
1.3757" (34.94mm) -
Engine: Camshaft Bearing Bore (installed service bearing) Maximum
1.3787" (35.02mm) -
Engine: Crankshaft Main Bearing Journal Diameter (minimum)
1.9992" (50.78mm) -
Engine: Crankshaft Main Bearing Journal Diameter (maximum)
2.000" (50.80mm) -
Engine: Crankshaft Main Bearing Clearance (minimum)
0.0024" (0.061mm) -
Engine: Crankshaft Main Bearing Clearance (maximum)
0.0042" (0.107mm) -
Engine: Crankshaft Connecting Rod Journal Diameter (minimum)
1.6252" (41.28mm) -
Engine: Crankshaft Connecting Rod Journal Diameter (maximum)
1.6260" (41.30mm) -
Engine: Crankshaft End Play (minimum)
0.0060" (0.152mm) -
Engine: Crankshaft End Play (maximum)
0.0120" (0.305mm) -
Engine: Rod Large Bore Diameter "bolts torqued "(minimum)
1.6280" (41.35mm) -
Engine: Rod Large Bore Diameter "bolts torqued "(maximum)
1.6285" (41.36mm) -
Engine: Connecting Rod Side Clearance (minimum)
0.0020" (0.051mm) -
Engine: Connecting Rod Side Clearance (maximum)
0.0160" (0.406mm) -
Engine: Piston Pin Bushing Bore (finished Bore)" minimum"
0.6879" (17.47mm) -
Engine: Piston Pin Bushing Bore (finished Bore)" maximum"
0.6882" (17.48mm) -
Engine: Bearing to Crankshaft Clearance " minimum"
0.0020" (0.051mm) -
Engine: Bearing to Crankshaft Clearance " maximum"
0.0033" (0.084mm) -
Engine: Camshaft Bearing Journal Diameter "minimum"
1.3740" (34.90mm) -
Engine: Camshaft Bearing Journal Diameter "maximum"
1.3745" (34.91mm) -
Engine: Camshaft Bearing Clearance "minimum"
0.0015" (0.038mm) -
Engine: Camshaft Bearing Clearance "maximum"
0.0030" (0.076mm) -
Engine: Camshaft End Play "minimum"
0.0110" (0.279mm) -
Engine: Camshaft End Play "maximum"
0.0480" (1.219mm) -
Engine: Camshaft Lobe Height " Intake"
1.1670" (29.64mm) -
Engine: Camshaft Lobe Height "Exhaust"
1.1570" (29.39mm) -
Engine: Piston Clearance in Cylinder (Measure 90 Degrees to pin 1.187" below top of piston "minimum"
0.0033" (0.084mm) -
Engine: Piston Clearance in Cylinder (Measure 90 Degrees to pin 1.187" below top of piston "maximum"
0.0053" (0.135mm) -
Engine: Piston Pin Bore "minimum"
0.6877" (17.47mm) -
Engine: Piston Pin Bore "maximum"
0.6882" (17.48mm) -
Engine: Ring Groove Width Compression Ring "minimum"
0.0800" (2.032mm) -
Engine: Ring Groove Width Compression Ring "maxmum"
0.0810" (2.057mm) -
Engine: Oil Control Ring "minimum"
0.1880" (4.775mm) -
Engine: Oil Control Ring "maximum"
0.1890" (4.800mm) -
Engine: Piston Pin Clearance in Piston " minimum"
0.00004" (0.001mm) -
Engine: Piston Pin Clearance in Piston " maximum"
0.00064" (0.016mm) -
Engine: Piston Pin in Connecting Rod "minimum"
0.0002" (0.005mm) -
Engine: Piston Pin in Connecting Rod "maximum"
0.0007" (0.018mm) -
Engine: Piston Pin Diameter " minimum"
0.6875" (17.46mm) -
Engine: Piston Pin Diameter " maximum"
0.6877" (17.47mm) -
Engine: Piston Ring Clearance at Top Groove "minimum"
0.0030" (0.076mm) -
Engine: Piston Ring Clearance at Top Groove "maximum"
0.0080" (0.203mm) -
Engine: Piston Ring End Gap in Cylinder " minimum"
0.0100"(0.254mm) -
Engine: Piston Ring End Gap in Cylinder " maximum"
0.0200" (0.508mm) -
Engine: Intake Valve Stem Diameter "minimum"
0.2795" (7.099mm) -
Engine: Intake Valve Stem Diameter "maximum"
0.2800" (7.112mm) -
Engine: Intake Valve Clearance Stem to Guide " minimum"
0.0020" (0.051mm) -
Engine: Intake Valve Clearance Stem to Guide " maximum"
0.0025" (0.064mm) -
Engine: Intake Valve Face Angle
44 Degrees -
Engine: Intake Valve Seat Bore Diameter in Block " minimum"
1.4395" (36.56mm) -
Engine: Intake Valve Seat Bore Diameter in Block " maximum"
1.4405" (36.59mm) -
Engine: Intake Valve Seat Outside Diameter "minimum"
1.4700" (37.34mm) -
Engine: Intake Valve Seat Outside Diameter "maximum"
1.4710" (37.36mm) -
Engine: Intake Valve Width "minimum"
0.0310" (0.787mm) -
Engine: Intake Valve Width "maximum"
0.0470" (1.194mm) -
Engine: Intake Valve Seat Angle
45 Degrees -
Engine: Exhaust Valve Stem Diameter " minimum"
0.2780" (7.061mm) -
Engine: Exhaust Valve Stem Diameter " maximum"
0.2785" (7.074mm) -
Engine: Exhaust Valve Clearance Stem to Guide "minimum"
0.0020" (0.051mm) -
Engine: Exhaust Valve Clearance Stem to Guide "maximum"
0.0035" (0.089mm) -
Engine: Exhaust Valve Face Angle
44 Degrees -
Engine: Exhaust Valve Seat Bore Diameter in Block "minimum"
1.1890" (30.20mm) -
Engine: Exhaust Valve Seat Bore Diameter in Block "maximum"
1.1900" (30.23mm) -
Engine: Exhaust Valve Seat O.D. "minimum"
1.1920" (30.28mm) -
Engine: Exhaust Valve Seat O.D. "maximum"
1.1930" (30.30mm) -
Engine: Exhaust Valve Seat Width "minimum"
0.0310" (0.787mm) -
Engine: Exhaust Valve Seat Width "maximum"
0.0470" (1.194mm) -
Engine: Exhaust Valve Seat Angle
45 Degrees -
Engine: Valve Guide, Intake I.D. "minimum"
0.2810" (7.137mm) -
Engine: Valve Guide, Intake I.D. "maximum"
0.2820" (7.163) -
Engine: Valve Guide, Exhaust I.D. "minimum"
0.2805" (7.125mm) -
Engine: Valve Guide, Exhaust I.D. "maximum"
0.2815" (7.150mm) -
Engine: Tappet Body Diameter " minimum"
0.7475" (18.99mm) -
Engine: Tappet Body Diameter " maximum"
0.7480" (19.00mm) -
Engine: Tappet Bore Diameter "minimum"
0.7500" (19.05mm) -
Engine: Tappet Bore Diameter "maximum"
0.7515" (19.09mm) -
Engine: Tappet Clearance in Bore " minimum"
0.0020" (0.051mm) -
Engine: Tappet Clearance in Bore " maximum"
0.0040" (0.102mm) -
Engine: Valve Spring Free Length
1.600" (40.64mm) -
Engine: Valve Spring Length Open
1.055" (26.80mm) -
Engine: Valve Spring Length Closed
1.346" (34.19mm) -
Engine: Spring Load (Valve Open )
55 lbs. -
Engine: Spring Load (Valve Closed)
25 lbs -
Engine: Timing Gear "minimum" (Backlash)
0.0010" (0.025mm) -
Engine: Timing Gear "maximum" (Backlash)
0.0050" (0.127mm) -
Engine: Oil Pump Gear "minimum" (Backlash)
0.0010" (0.025mm) -
Engine: Oil Pump Gear "maximum" (Backlash)
0.0080" (0.203mm) -
Engine Torque: Gearcase Cover
8-10 ft.lbs. (11-14 Nm) -
Engine Torque: Rear Bearing Plate Screws
25-27 ft.lbs. (34-37Nm) -
Engine Torque: Starter Mounting Bolts
19-21 ft.lbs.(25-28Nm) -
Engine Torque: Connecting Rod Bolts
12-14 ft.lbs. (16-19Nm) -
Engine Torque: Flywheel Capscrews
50-55 ft.lbs. (67-75Nm) -
Engine Torque: Oil Base
18-23 ft.lbs.(24-31Nm) -
Engine Torque: Oil Pump
7-9 ft.lbs. (10-12Nm) -
Engine Torque: Valve Cover
1-2 ft.lbs. (1-3Nm) -
Engine Torque: Cylinder Bolts Asbestos Gasket (Cold)
14 ft.lbs. (22-24Nm) -
Engine Torque: Cylinder Bolts Graphoil Gasket (Cold)
14-16 ft.lbs. (19-22Nm) -
Engine Torque: Intake Manifold Mounting Screws
6-10 ft.lbs. (8-14Nm) -
Engine Torque: Exhaust Manifold Mounting Screws
9-11 ft. lbs. (12-15Nm) -
Engine Torque: 1/4" Cylinder Block Stud & Nuts
7-9 ft.lbs. (10-12Nm) -
Engine Torque: 5/16" Cylinder Block Stud & Nuts
8-10 ft.lbs. (11-14Nm) -
Engine Torque: 3/8" Cylinder Block Stud & Nuts
18-23 ft.lbs. (24-31Nm) -
Chassis: Tire Pressure
12 PSI / .5kg sq. cm -
Drive System: Ground Speed
Fwd. 0 - 5.6 Rev. 0 - 3.4 mph -
Engine: Battery
12V 280CCA -
Engine: Engine Speed
High 3600, Low 1400 RPM -
Engine: Spark Plug
Champion RS14YC -
Engine: Spark Plug Gap
.025"/ .64mm





































