Dingo TX 525 Compact Utility Loader
Product Information
- Model #: 22319
- Serial #: 280000301 - 280999999
- Product Type: Compact Utility Loaders
Loading...
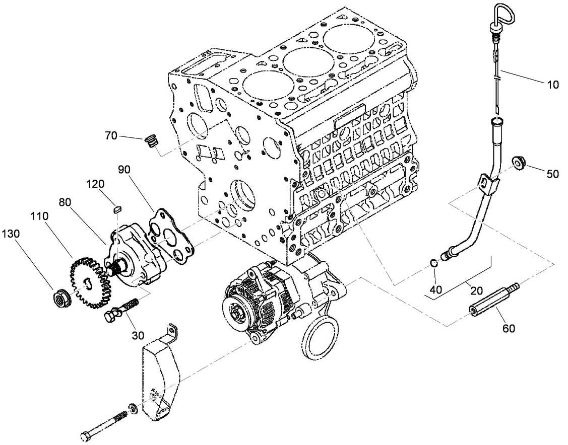
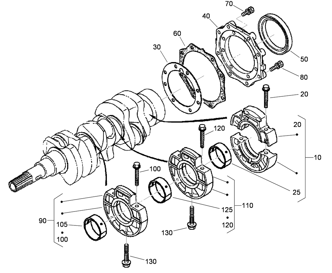
Assembly Drawings
Search for a part within assembly drawings:
-
Service Manual
-
Operator's Manual
-
Parts Catalog
Track Kit, Dingo TX 413 and 420 Compact Utility Loader (Part # 104-6106)
TX Road wheel kit (Part # 106-7620)
Road Wheel Kit for TX 427 and 525 models.
KIT-ROAD WHEEL, 5-PACK (Part # 106-7627)
Reference Guide Kit, Dingo TX Compact Utility Loaders (Part # 107-9310)
TRACK-AGGRESSIVE TREAD, NARROW (Part # 108-5640)
ALIGNMENT TOOL F/A (Part # 110-0069)
Puller Kit (Part # 112-2557)
Loader Bucket Attachment (Part # 22409)
Use this standard bucket for moving rock, dirt, sand or other materials off and around the job site. The hardened steel cutting edge offers improved cutting and digging capability for better performance to handle tough digging conditions and affords superior wear. Capacity = 4 cubic feet (1 cu. m.).
Light Materials Loader Bucket Attachment (Part # 22410)
Designed for moving light materials like chip-bark, mulch, snow and loam. The larger capacity bucket, 6.4 cubic feet (.2 cu. m.), is great for handling larger loads of lighter materials. The hardened steel cutting edge allows for improved cutting and digging capability for better performance to handle tough digging conditions and affords superior wear.
Utility Blade Attachment (Part # 22414)
The Toro Dingo hydraulic blade greatly increases the versatility of your Dingo system. This incredibly versatile attachment can be used for a variety of earth or snow moving jobs. Fill trenches where rows of trees have been planted or irrigation pipes have been installed. Keep your hydraulic blade working in the winter by pushing snow from sidewalks in one pass.
Rotary Broom, Dingo (Part # 22415)
Bore Drive Head Attachment (Part # 22420)
The Toro® Dingo® boring unit allows you to dig under sidewalks and driveways to simplify irrigation and cable installations. Shorter rod lengths and the ability to lower the bore head below grade allow you to work in both confined and open areas, increasing your productivity.
Multi-Purpose Tool, Dingo (Part # 22423)
Power Box Rake, Dingo Compact Utility Loader (Part # 22425)
Stump Grinder Attachment (Part # 22429)
The Toro® Dingo® Stump Grinder easily attaches to either Dingo or Dingo TX compact utility loaders. Make grinding stumps quicker and more productive with the stump grinder attachment for your Toro Dingo.
Tree Fork Attachment (Part # 22438)
The Toro Dingo hydraulic tree forks can help you plant trees and large shrubs quickly and effortlessly, plus move all sorts of materials around your garden center or nursery. The Dingo Compact Utility Loader is especially easy to maneuver, helping you transport and position trees or shrubs exactly where you want them.
The Eliminator Scarifier/Groomer, Dingo (Part # 22443)
Tiller Attachment (Part # 22445)
The Toro Dingo tiller attachment greatly increases the productivity and performance of your Dingo system. Break through hard soil conditions up to 6" (15.2 cm) deep. Avoid clogging the tiller by using one easy hand control to reverse the direction of the tiller to clear jams from rocks and debris.
Snowthrower, Dingo and Dingo TX (Part # 22456)
Trencher Head, Dingo Compact Utility Loader (Part # 22470)
High-Speed Trencher Head, Dingo Compact Utility Loader (Part # 22471)
Narrow Loader Bucket Attachment (Part # 22520)
Handle compact construction and remodeling sites by moving through 36" (91.4 cm) gates without a problem. This 35" (88 cm) wide bucket allows you to get through narrow spaces, including gates and doorways. Move rock, dirt, sand or other materials off and around the job site. Great for use on any Dingo® model equipped with narrow wheels and tires.
Auger Head, Dingo and Dingo TX (Part # 22802)
Universal Swivel Auger Head, Dingo and Dingo TX (Part # 22803)
Soil Cultivator, Dingo Compact Utility Loader (Part # 23101)
Concrete Breaker, Dingo Compact Utility Loaders (Part # 23135)
Dingo TX Unit Fit-up Kit (Part # 23162)
Allows 23126 to fit to Dingo TX units 22321, 22322, 22323, 22324, 22327, and 22328.
Backhoe, Dingo Compact Utility Loader (Part # 23163)
Adjustable Forks, Dingo Compact Utility Loader (Part # 23164)
Leveler Attachment (Part # 23165)
This versatile and highly productive tool is a must have attachment for all job sites. Use to grade, finish, and spread landscape materials, backfill trenches, and break up the turf. Also great for carrying and transporting materials around the job site.
-
Model #
22319 -
Serial #
280000301 - 280999999 -
Product Name
Dingo TX 525 Compact Utility Loader -
Product Brand
Toro -
Product Type
Compact Utility Loaders -
Product Series
Compact Utility Loaders -
Chassis Type
CUL - Tracked -
Engine/Motor Manufacturer
Kubota -
Engine/Motor Size
25 hp -
Engine/Motor Type
4 Cycle Diesel Tier 4 -
Engine Starter
Electric -
Transmission Type
Hydrostatic -
Traction Type
Rear WD
-
Engine: Spark Plug
None -
Engine: Spark Plug Gap
n/a -
Engine: Engine Speed
3600±75 RPM -
Engine: Battery
12V 585 CCA -
Drive System: Ground Speed
Fwd. 0 - 4.5 Rev. 0 - 2 mph -
Chassis: Tire Pressure
N/A -
Engine: Engine Oil Type
.98 Gal. Detergent Diesel Engine Oil (API CH-4 or higher)






















































