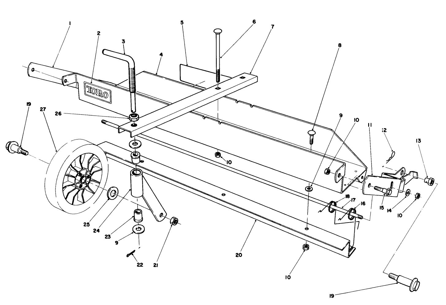
Grass Bag Assembly
Product Information
- Model #: 11-0189
- Serial #: None - None
- Product Type: Attachments
Loading...
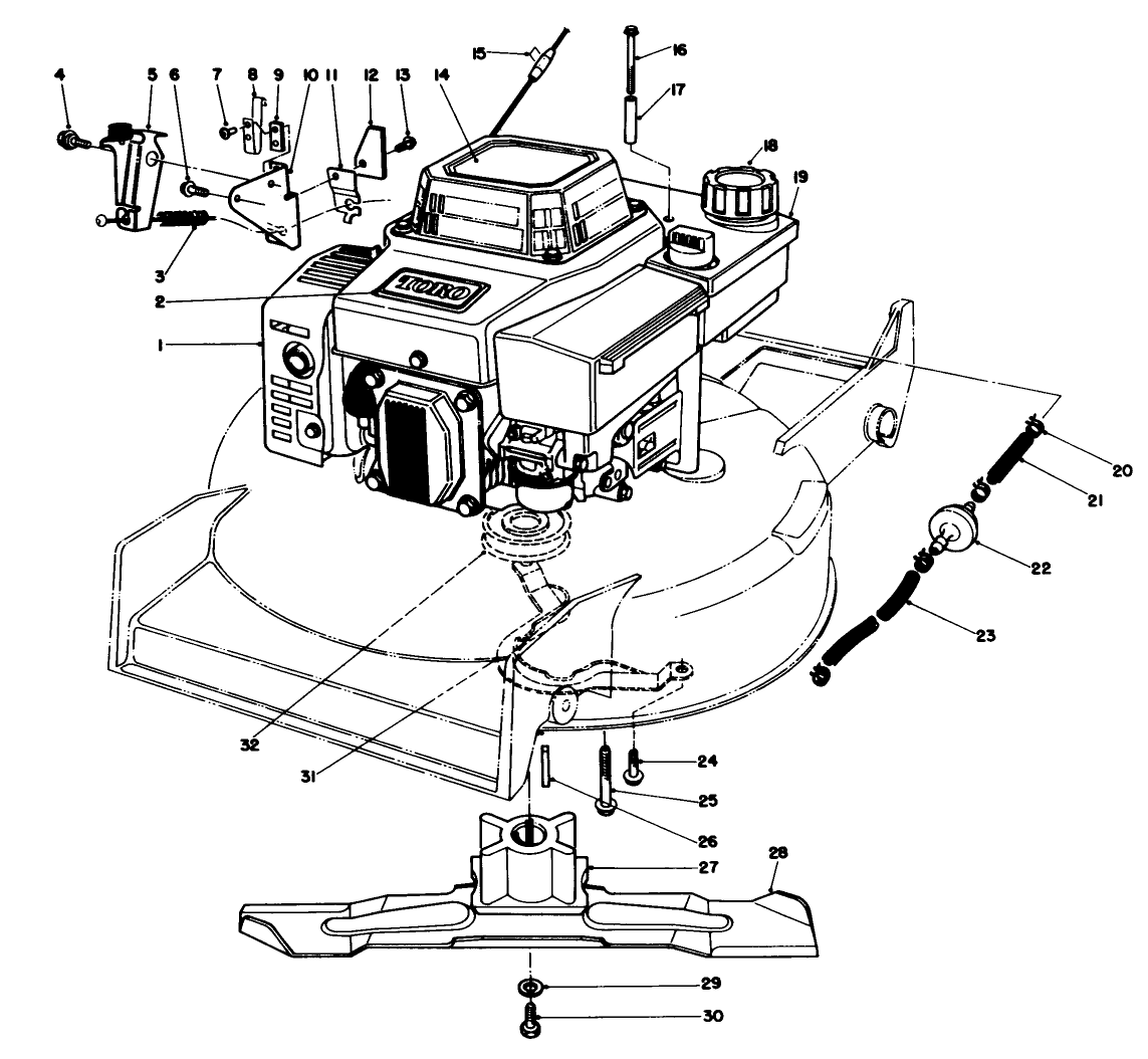
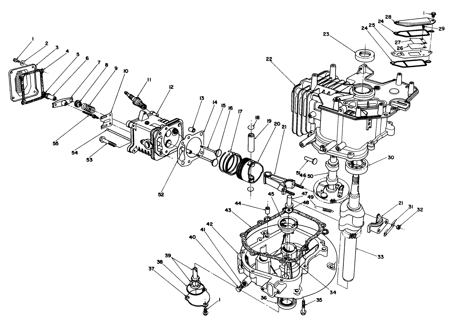
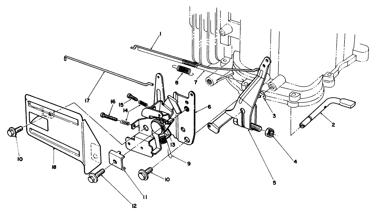
Assembly Drawings
Search for a part within assembly drawings:
-
Parts Catalog
-
Model #
11-0189 -
Serial #
None - None -
Product Name
Grass Bag Assembly -
Product Brand
Toro -
Product Type
Attachments -
Product Series
Attachments & Kits, Walk Power Mower
















