LX468 Lawn Tractor
Product Information
- Model #: 13AP91RT848
- Serial #: 1 - 1
- Product Type: Riding Products
Loading...
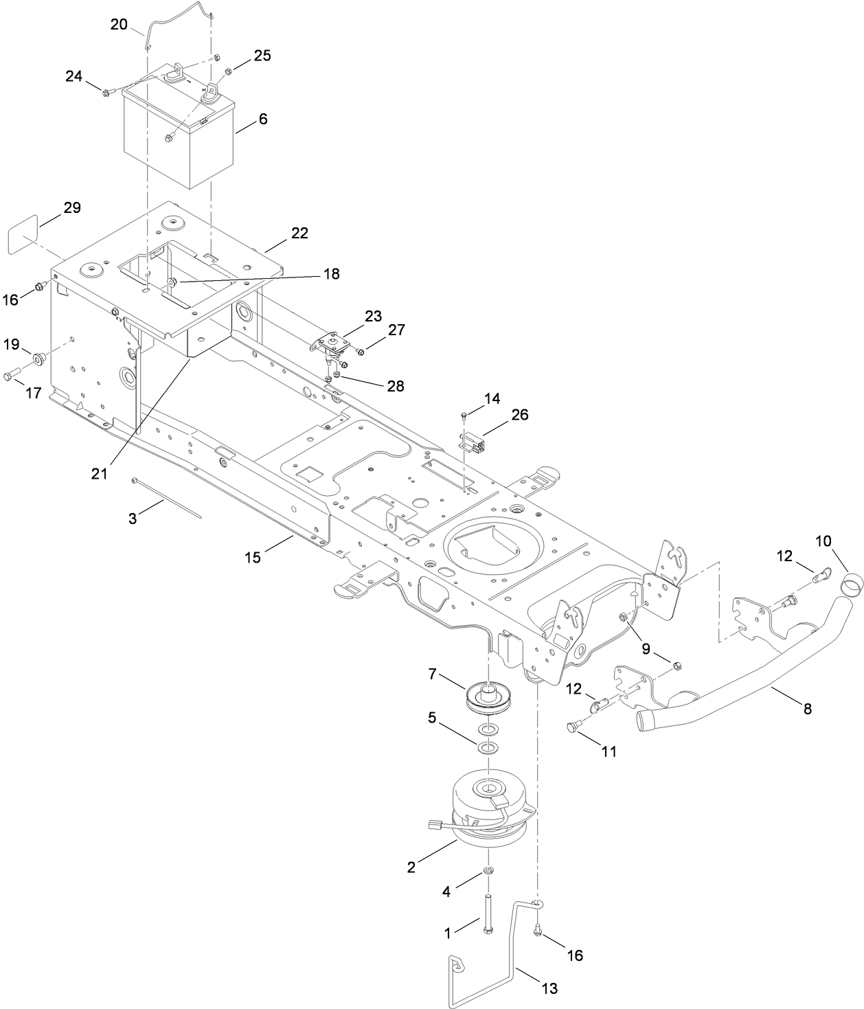
Assembly Drawings
Search for a part within assembly drawings:
-
Operator's Manual
-
Parts Catalog
Extreme Blade Kit (Part # 112-6049)
Genuine OEM Part
Please contact your local dealer
42in Two-Stage Snowthrower (Part # 190-032-101)
46in Front Blade (Part # 190-833-000)
Twin Bagger for 42-inch and 46-inch Lawn Tractors (Part # 19A30003000)
10 cu. ft. Poly Dump Cart (Part # 79991)
17 cu. ft. Poly Dump Cart (Part # 79992)
125 lb. Tow Spreader (Part # 79993)
42 inch Sweeper (Part # 79994)
48in. Dethatcher (Part # 79995)
40in. Spike Aerator (Part # 79996)
Stake Side Kit (Part # 79997)
-
Model #
13AP91RT848 -
Serial #
1 - 1 -
Product Name
LX468 Lawn Tractor -
Product Brand
Toro -
Product Type
Riding Products -
Product Series
Lawn Tractor, LX Series -
Swath
46 inch -
Discharge
Side Discharge -
Engine/Motor Manufacturer
Kohler -
Engine/Motor Size
22 hp -
Engine Starter
Electric -
Transmission Type
Hydrostatic
-
Drive System: Ground Speed
Fwd. 0 - 5.2 Rev. 0 - 2.3 mph -
Engine: Battery
12V 195CCA -
Engine: Spark Plug Gap
.030"/ .76mm -
Chassis: Height of Cut Range
1.5" - 4" -
Chassis: Tire Pressure
10 psi rear / 14 psi front -
Engine: Spark Plug
Champion XC12YC -
Engine: Engine Speed
High 3375, Low 1200 RPM -
Engine: Engine Oil Type
57.5 oz. (1.7 liters) SAE 10W-30 (w/filter)









