Power Max 726 OE Snowthrower
Product Information
- Model #: 37771
- Serial #: 313000001 - 313999999
- Product Type: Snowthrowers
Loading...
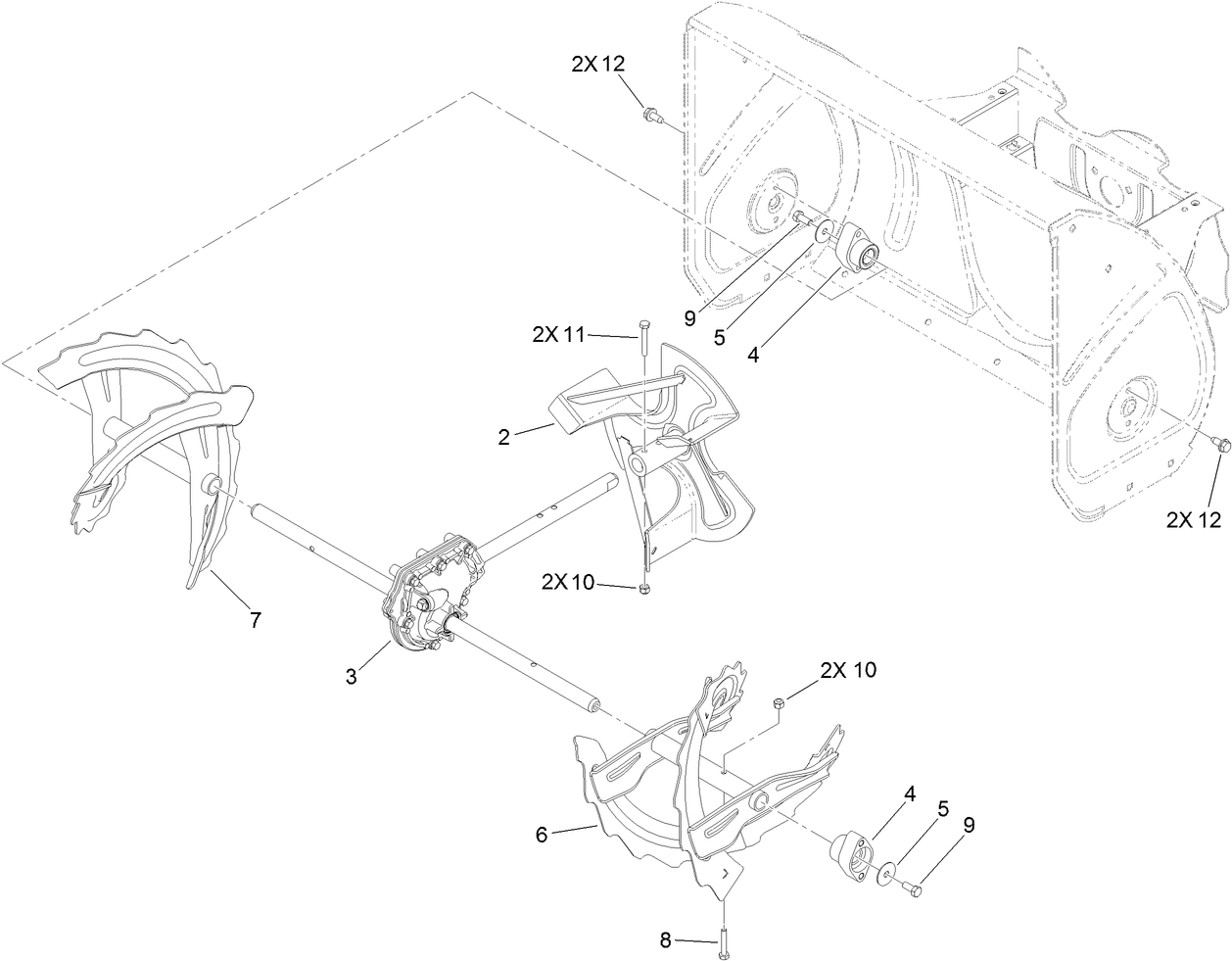
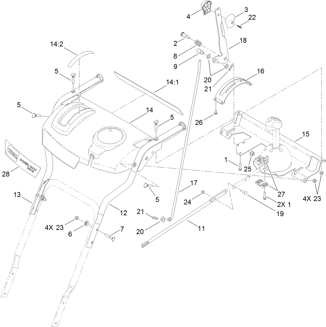
Assembly Drawings
Search for a part within assembly drawings:
-
Service Manual
-
Operator's Manual
-
Parts Catalog
Snow Blower Maintenance Kit (Part # 138-0708)
Keep your Toro snow blower running smoothly season after season with this maintenance kit for mowers 2019 or newer. This kit contains oil, an air filter, a spark plug, and fuel stabilizer. You can count on these essentials for routine maintenance on your Toro Snow blower.
Snow Blower Non-Marking Skid Replacement Kit for PowerMax Models (Part # 38211)
Replace your worn PowerMax Skid Shoes with this replacement non-marking skid kit. The kit contains 2 skid and the needed hardware. Worn skid shoes can cause damage to your pavement so check them annually for needed replacement. The Toro skid shoe for the SnowMaster is a 2 piece design with a metal bracket that attaches to the unit and a polyethylene shoe that protects the pavement.
Please contact your local dealer
Snow Blower Skid Replacement Kit for PowerMax Models (Part # 38212)
Replace your worn PowerMax Skid Shoes with this replacement skid kit. The kit contains 2 skid and the needed hardware. Worn skid shoes can cause damage to your pavement so check them annually for needed replacement.
Snow Blower Drift Breaker Kit (Part # 38213)
This drift breaker kit is for use with 24 in. and 26 in. Power Max Snowblowers. It will help to break down drifts in front of the auger housing and minimize snow accumulation across the top of the housing. This drift breaker will help optimize the performance of your Toro Snowblower.
13 in. Tire Chains for 2-Stage Snow Blowers (Part # 38214)
Toro tire chains give you an advantage over the elements. They supply the extra traction needed for ice, packed snow, deep snow and uneven surfaces. Toro's 2-link spacing design provides substantially more surface contact, providing the best possible traction in tough conditions. Toro's easy-to-install chains are a must-have
Two Stage Snow Blower Cover (Part # 490-7466)
Toro genuine snow blower cover. Specifically designed for Toro 2-Stage Power Max and Power Max HD models
Water resistant backing for extra weather protection
Heavy-duty abrasion resistant 600 Denier polyester fabric
Maintains flexibility, even on the coldest days
-
Model #
37771 -
Serial #
313000001 - 313999999 -
Product Name
Power Max 726 OE Snowthrower -
Product Brand
Toro -
Product Type
Snowthrowers -
Product Series
Snowthrower, Two Stage Power Max -
Chassis Type
Two Stage -
Swath
26 inch -
Discharge
Two Stage -
Engine/Motor Manufacturer
Briggs & Stratton -
Engine/Motor Size
205cc -
Engine/Motor Type
4 Cycle -
Engine Starter
Electric/Recoil -
Transmission Type
Friction Disc -
Traction Type
2wd
-
Drive System: Gearbox Lubricant
4.5 oz. (133ml) SAE 90 GL5 or higher -
Engine: Spark Plug Gap
.030"/ .76mm -
Engine: Spark Plug
Champion QC12YC -
Chassis: Tire Pressure
17-20 PSI / 116-137 kPa -
Engine: Engine Speed
3300±100 RPM -
Engine: Engine Oil Type
20 oz. (.6 L) 5w-30 synthetic or 5w-30 below 40F (4c) or 10w-30 above 0F (-20c)












