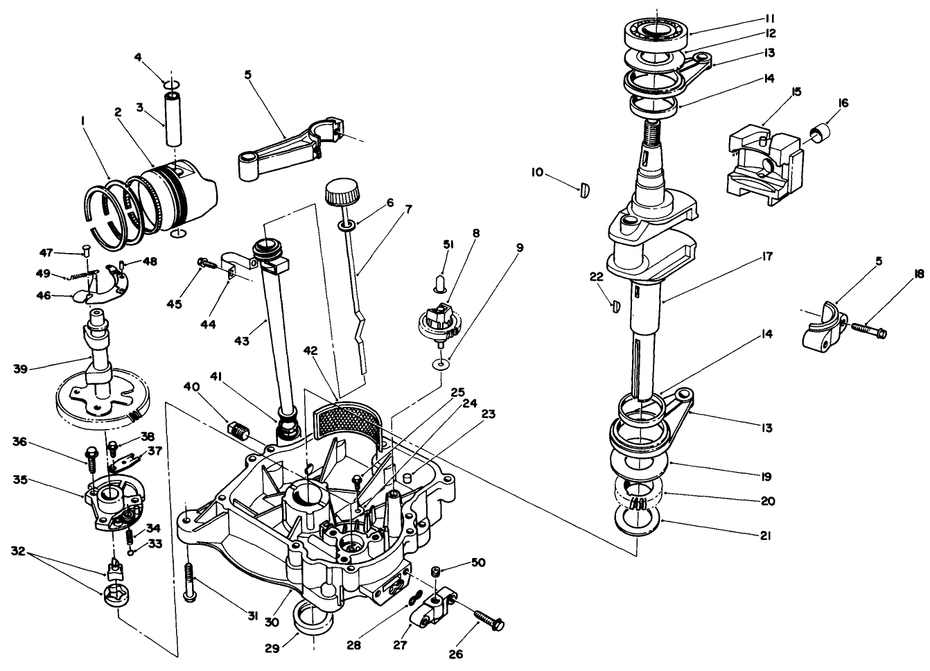
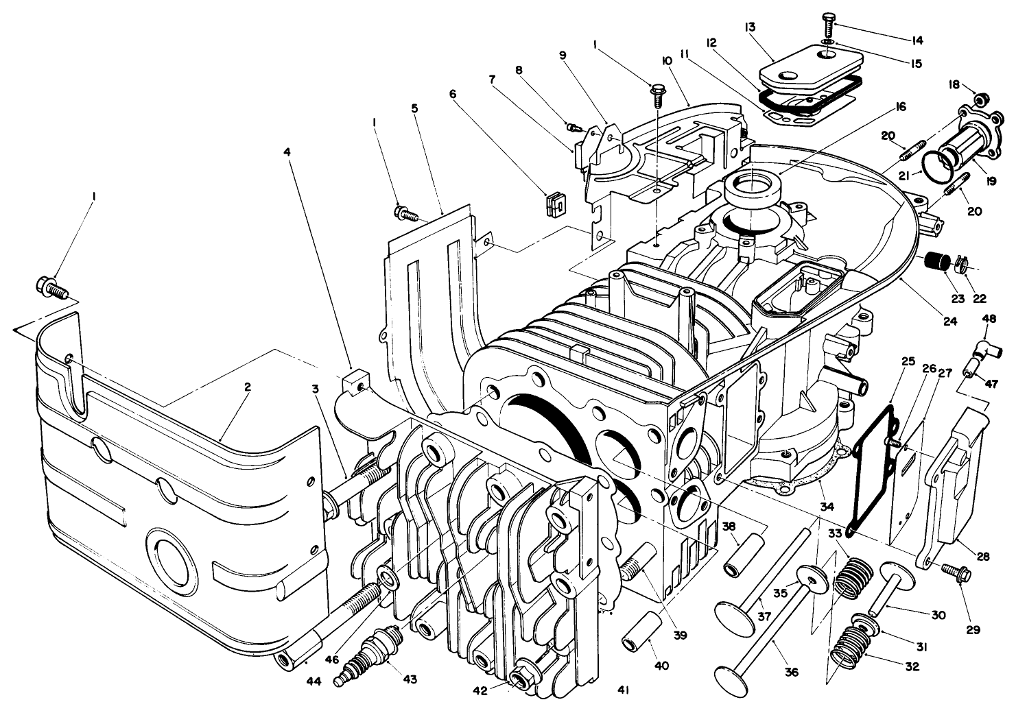
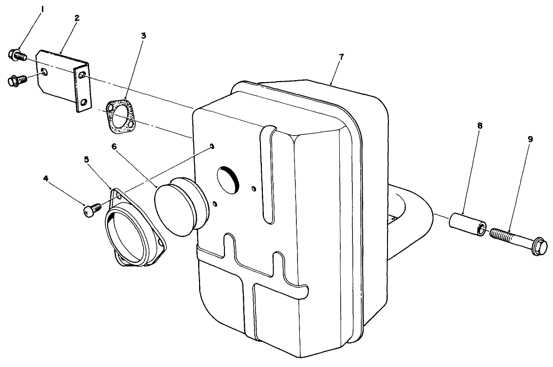
ENG REPLMNT KIT(
Product Information
- Model #: 55-7800
- Serial #: None - None
- Product Type: Engines
Loading...
Assembly Drawings
Search for a part within assembly drawings:
-
Service Manual
-
Operator's Manual
-
Service Bulletin
-
Model #
55-7800 -
Serial #
None - None -
Product Name
ENG REPLMNT KIT( -
Product Brand
Toro -
Product Type
Engines -
Product Series
Attachments & Kits, Mid-Size Mower -
Engine/Motor Manufacturer
Kawasaki -
Engine/Motor Size
12 hp -
Engine/Motor Type
4 Cycle -
Engine Starter
Recoil
-
Engine: Displacement
28.1 cu.in. (460cc) -
Engine: Bore
3.50" (89mm) -
Engine: Stroke
2.91" (74mm) -
Engine: Compression Ratio
6.4:1 -
Engine: Max. Output
12.5 hp @ 3600 rpm -
Engine: Max. Torque
20.1 ft.lbs. @ 2300 rpm -
Engine: Direction of Rotation
Counter Clockwiise Facing PTO -
Engine: Fast Idle Speed
3350 rpm -
Engine: Slow Idle Speed
1400 rpm -
Engine: Lubrication
Pressurised Lubrication -
Engine: Balancing
Reciprocating Weight -
Engine: Throttle Control
Remote Cable -
Engine: Choke Control
Automatic -
Engine: Starter
Electric Starter or Recoil -
Engine: Carburetor
Float Type Fixed Main Jet -
Engine: Ignition
Transistorized Flywheel Magneto -
Engine: Charging Coil
12 Volt 13 Amp. with Regulator -
Engine: Governor
Mechanical Governor -
Engine: Air Cleaner
Semi cyclone type with dual element -
Engine: Weight
79.36 lbs. (36kg) -
Engine: Spark Plug
Champion RCJ8 or NGK BMR4A -
Engine: Spark Plug Gap
.024-.028" (.6-.7mm) -
Engine Torque: Spark Plug Torque
20 ft.lbs. (28Nm) -
Engine Torque: Flywheel Nut Torque
62/65 ft.lbs. (83/88Nm) -
Engine Torque: Crankcase Cover Torque
12/17 ft.lbs. (17/23Nm) -
Engine Torque: Cylinder Head Torque
25/29 ft.lbs. (34/39Nm) -
Engine Torque: Oil Pump Cover
12/17 ft.lbs. (17/23Nm) -
Engine Torque: Rod Cap
14/15 ft.lbs. (19/20Nm) -
Engine Torque: Connecting Rod Bolts
14/15 ft.lbs. (19/20Nm)











