TimeCutter ZS 3200 Riding Mower
Product Information
- Model #: 74385
- Serial #: 313000001 - 313999999
- Product Type: Riding Products
Loading...
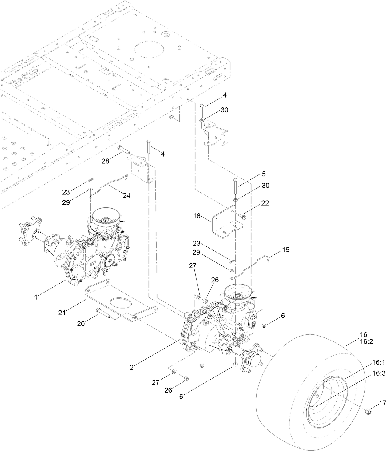
Assembly Drawings
Search for a part within assembly drawings:
-
Service Manual
-
Operator's Manual
-
Parts Catalog
-
EU Declaration of Conformity
-
Setup Instructions
Hourmeter Kit for Timecutter Mowers (Part # 116-5461)
The Toro Hour meter kit provides fractional engine hour tracking to easily track usage and service intervals. Easy to install into pre-existing slot and connects with the wiring harness leading to the seat switch.
Please contact your local dealer
Riding Mower Jack Kit (Part # 127-6666)
Genuine Toro jack mount kit. Mounts to the front of the mower and allows the owner to raise the mower to gain access to the underside of the deck to check blades or wash the deck. To best protect your investment and maintain optimal performance of your turf equipment, count on Toro genuine parts. When it comes to reliability, Toro delivers replacement parts designed to the exact engineering specifications of our equipment. For peace of mind, insist on Toro genuine parts.
Attachment Mount Kit for Residential Z-Mowers (Part # 131-3966)
Genuine OEM Part
Front Weight Kit for TimeCutter Mowers (Part # 131-7658)
This weight kit is required to get the best performance of Toro attachments such as the Cargo Carrier (79030) or the Brinly-Hardy rear mounted spreader or sprayer. The weight balances the machine installed with an attachment. The kit contains one 35 lb. weight and the hardware needed to install it. Can be easily removed when the attachment is not in use. The weight kit is included with the TimeCutter baggers (see baggers for details)
TimeCutter SS Foot Assist HOC System (Part # 79010)
The Toro Foot-Assist Height-of-Cut System allows operators to easily raise and lower the mower deck using their foot. This option is ideal for situations where the deck height or height-of-cut needs to be adjusted frequently. Specifically designed for Toro TimeCutter SS mowers, this product provides mechanical leverage to add convenience to your mower.
TimeCutter SS Sunshade (Part # 79011)
Keep cool and dry while you mow. The Toro TimeCutter sunshade increases operator comfort by shielding you from the elements. Assembles easily and offers a clean line of sight across your entire mowing area. Genuine Toro Parts and accessories are designed specifically for your machine and built to exacting standards with tight tolerances. Other parts simply don't stack up to the quality, performance, and value of Genuine Toro Parts.
Cargo Carrier, Zero-Turn-Radius Riding Mower (Part # 79040)
Deluxe Small Zero-Turn-Radius Riding Mower Storage Cover (Part # 79317)
Assist Bar and Step Kit for TimeCutter SS and MX (Part # 79339)
Toro's Step and Assist Bar Kit will help you to step in and out of your TimeCutter with ease. The telescoping bar adjusts to your height and will assist you when entering and exiting the machine. The non-slip step gives offers additional support.
TimeCutter MX & SWX 50 in. Twin Bagger (Part # 79390)
The Toro TimeCutter Twin Bagger with its 6.43 bushel (8 cu. ft.) capacity makes quick work of taking care of grass clippings or fallen leaves. When paired with one of Toro's top discharge decks, its performance can't be beat. It assembles easily and once initially installed, can be removed and put back on without tools. Includes bagger, mount kit and front weights.
10 cu. ft. Poly Dump Cart (Part # 79991)
-
Model #
74385 -
Serial #
313000001 - 313999999 -
Product Name
TimeCutter ZS 3200 Riding Mower -
Product Brand
Toro -
Product Type
Riding Products -
Product Series
Zero Radius Turn, Consumer -
Swath
32 inch -
Engine/Motor Manufacturer
KOHLER


















