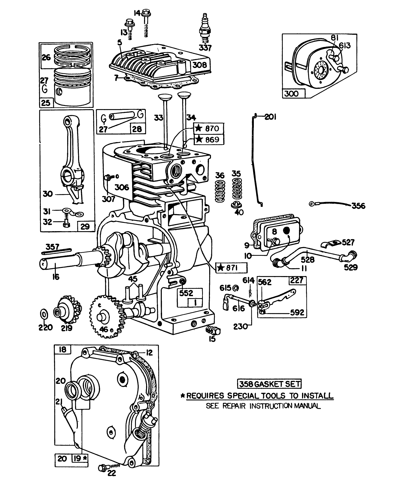
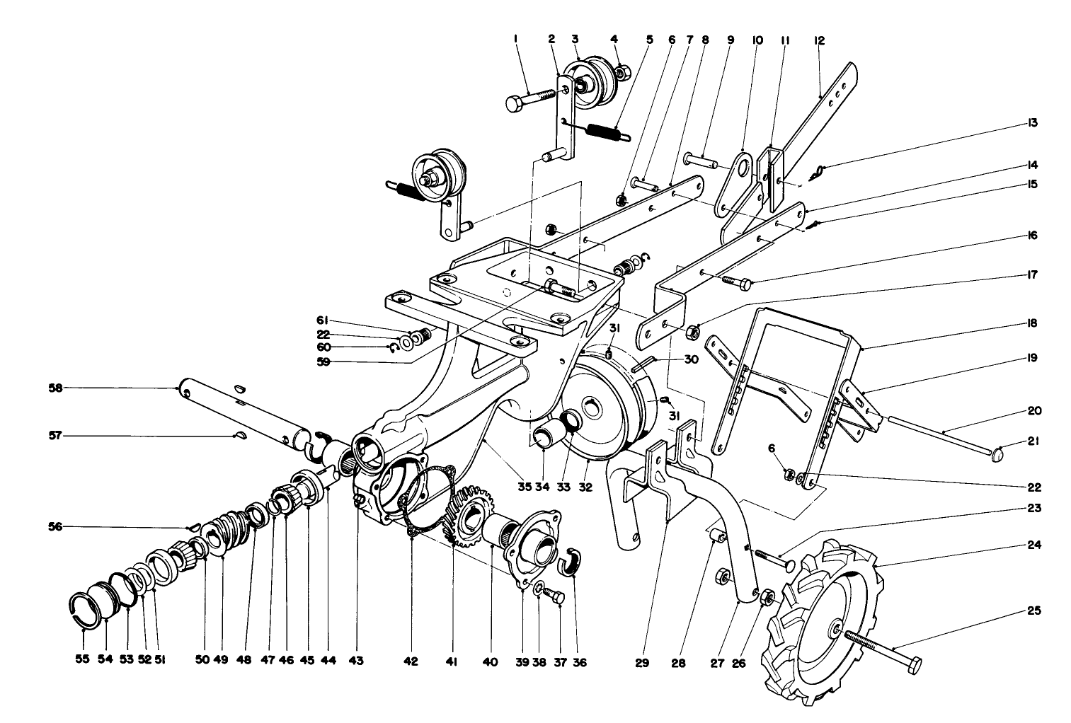
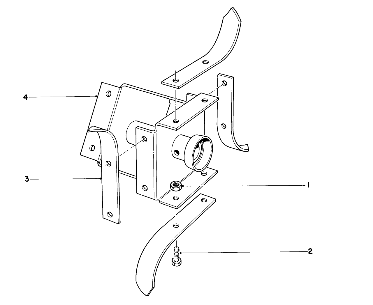
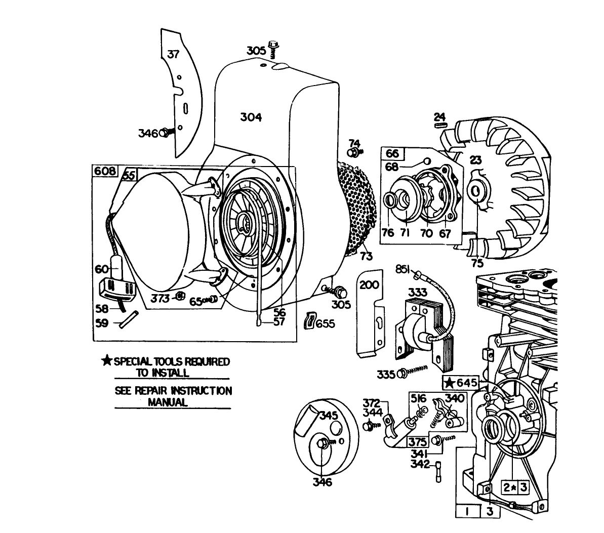
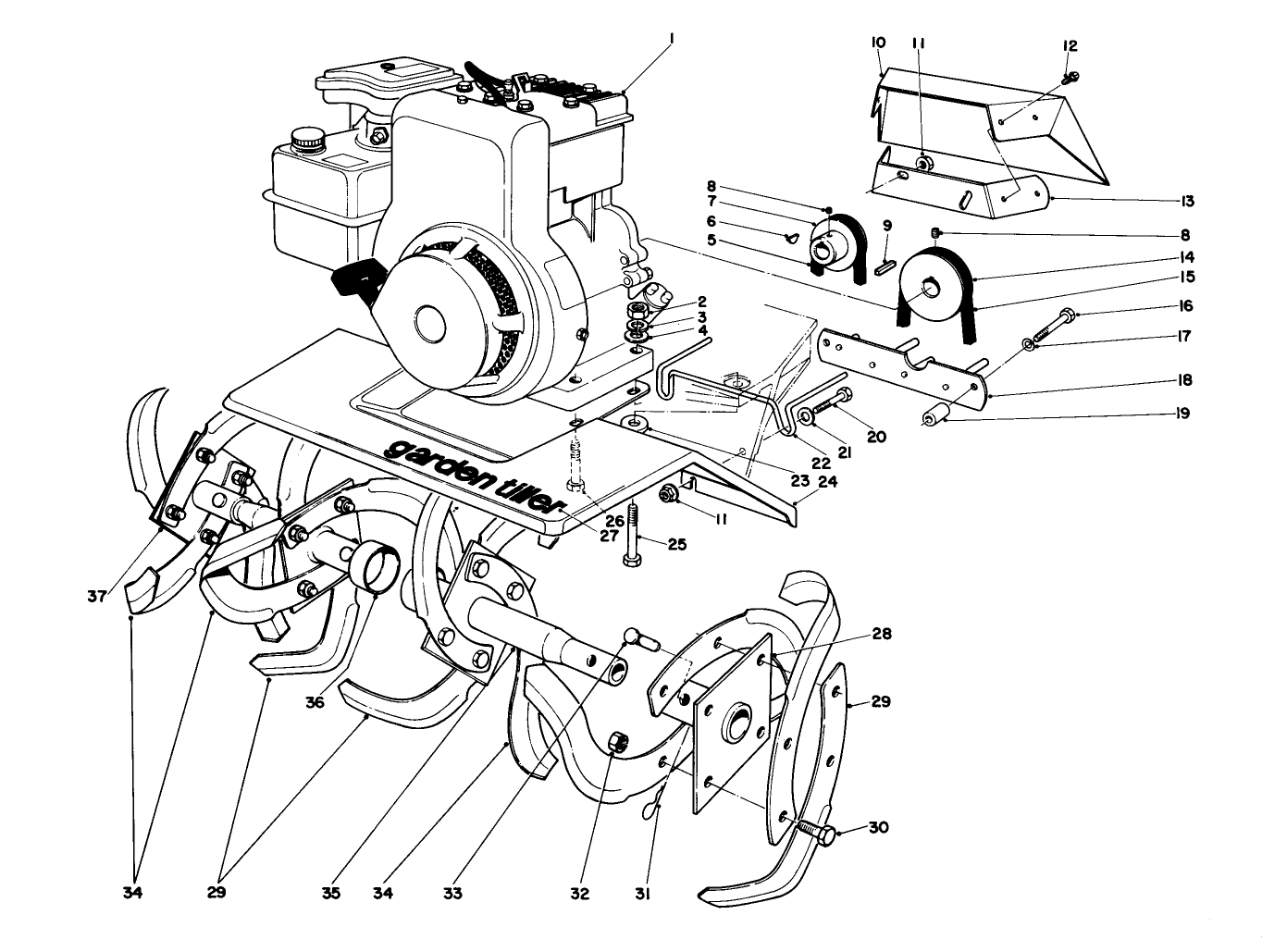
26" Tiller
Product Information
- Model #: 58226
- Serial #: 0000001 - 0999999
- Product Type: Tillers
Loading...
Assembly Drawings
Search for a part within assembly drawings:
-
Parts Catalog
-
Model #
58226 -
Serial #
0000001 - 0999999 -
Product Name
26" Tiller -
Product Brand
Toro -
Product Type
Tillers -
Product Series
Tiller -
Chassis Type
Front Tine Tiller -
Swath
26 inch -
Engine/Motor Manufacturer
Briggs & Stratton -
Engine/Motor Size
5 hp -
Engine/Motor Type
4 Cycle -
Engine Starter
Recoil -
Transmission Type
NA









