2 hp Edger
Product Information
- Model #: 58411
- Serial #: 8000001 - 8999999
- Product Type: Edgers
Loading...
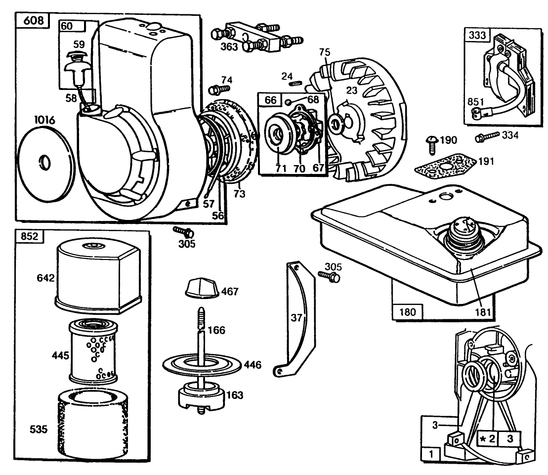
Assembly Drawings
Search for a part within assembly drawings:
-
Operator's Manual
-
Parts Catalog
-
Model #
58411 -
Serial #
8000001 - 8999999 -
Product Name
2 hp Edger -
Product Brand
Toro -
Product Type
Edgers -
Product Series
Edgers -
Engine/Motor Manufacturer
Briggs & Stratton -
Engine/Motor Size
2 hp -
Engine/Motor Type
4 Cycle -
Engine Starter
Recoil -
Transmission Type
Hand Push





