3.5 hp Edger
Product Information
- Model #: 58435
- Serial #: 4000001 - 4999999
- Product Type: Edgers
Loading...
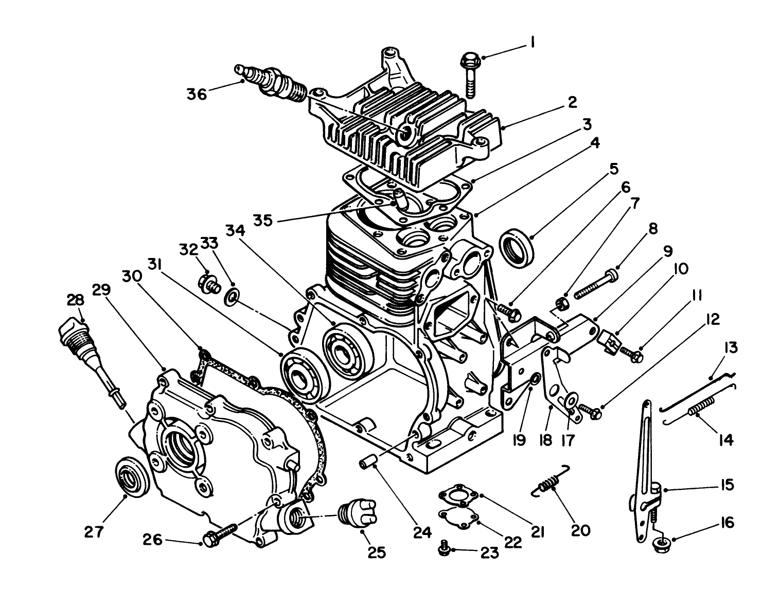
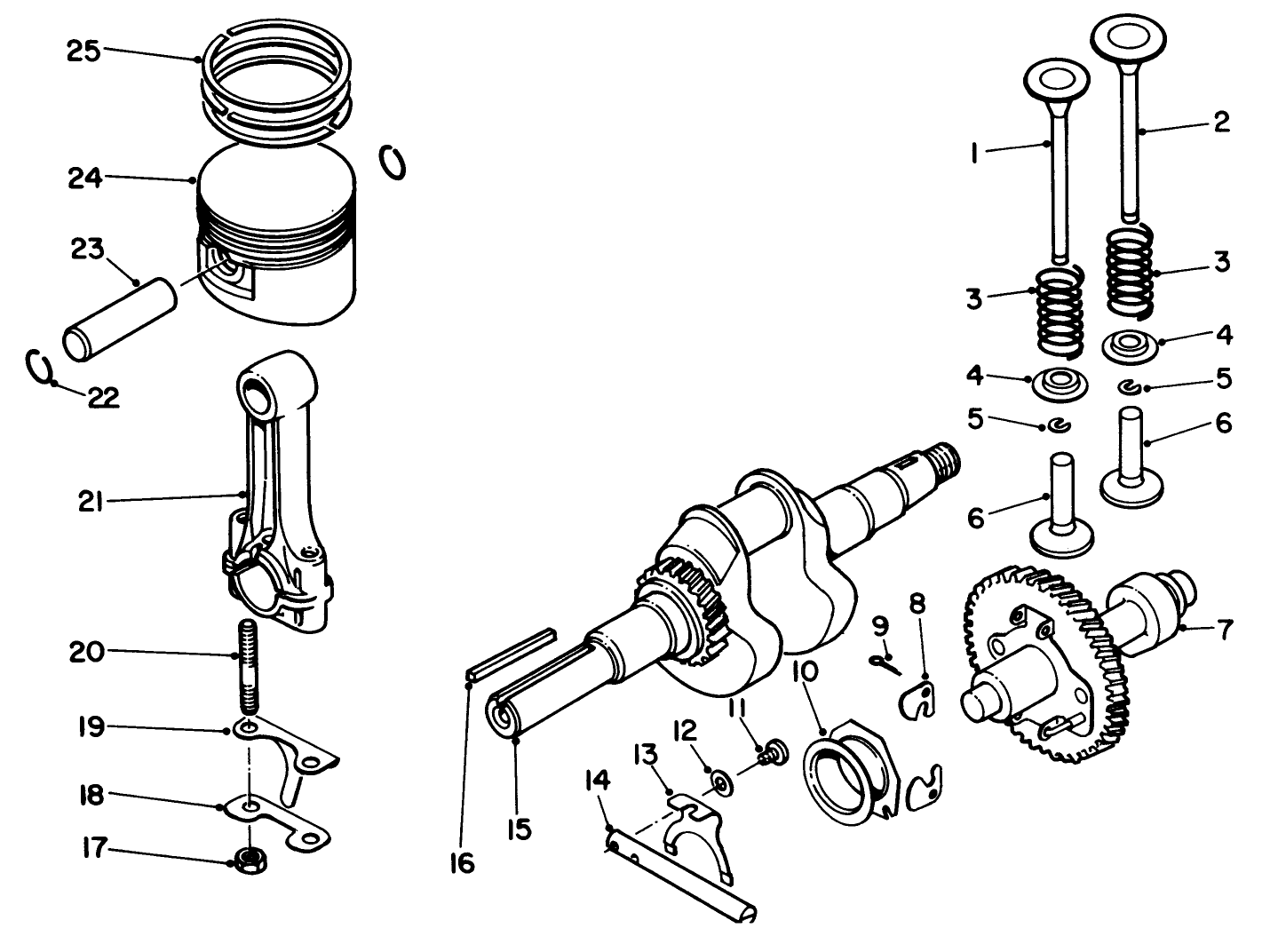
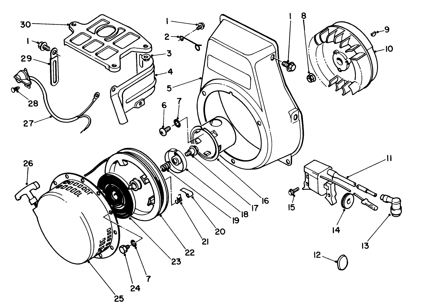
Assembly Drawings
Search for a part within assembly drawings:
-
Operator's Manual
-
Parts Catalog
-
Model #
58435 -
Serial #
4000001 - 4999999 -
Product Name
3.5 hp Edger -
Product Brand
Toro -
Product Type
Edgers -
Product Series
Edgers -
Engine/Motor Manufacturer
Suzuki -
Engine/Motor Size
3.5 hp -
Engine/Motor Type
4 Cycle -
Engine Starter
Recoil -
Transmission Type
Hand Push







