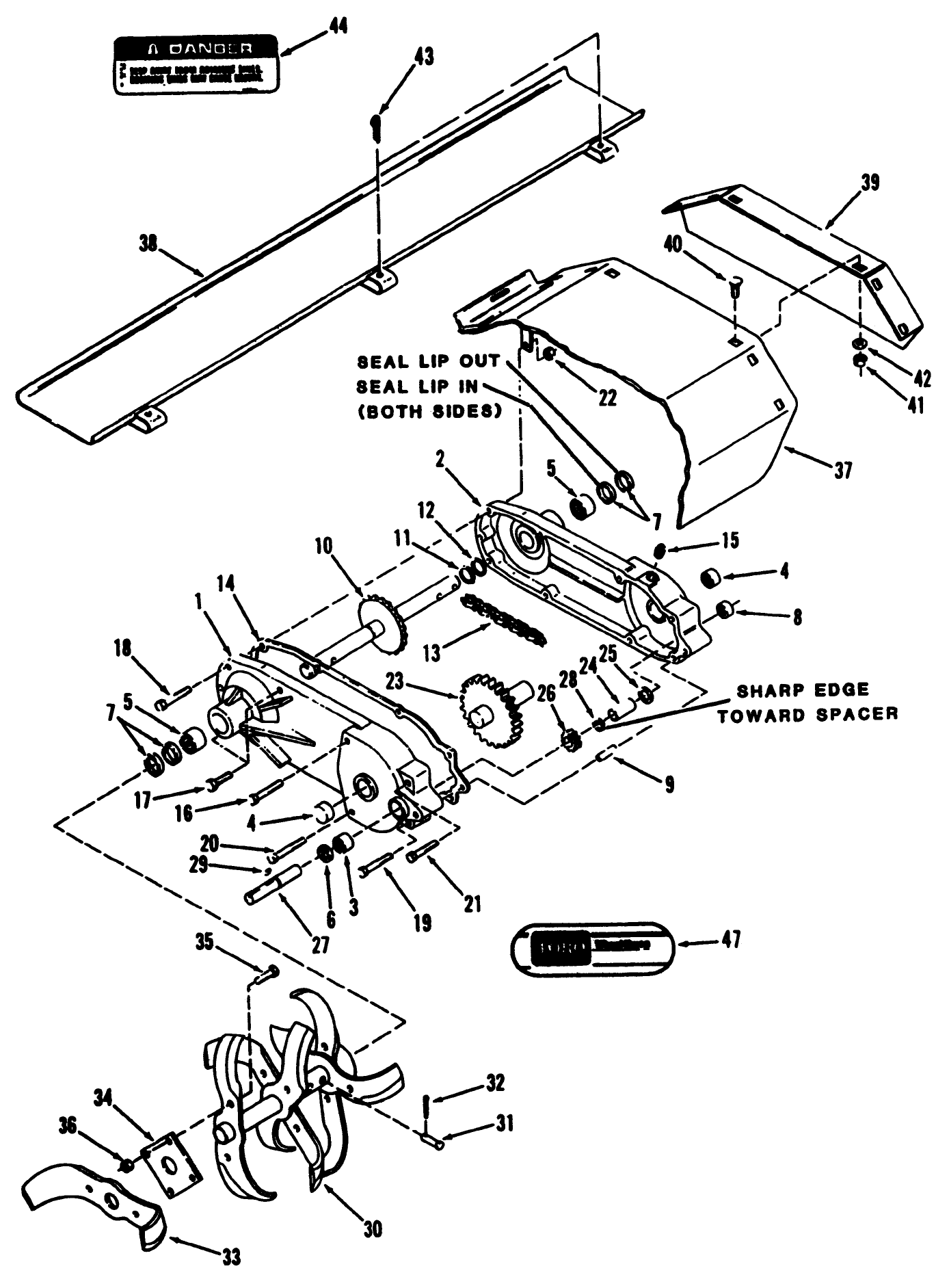
36" Tiller
Product Information
- Model #: 07-36TL05
- Serial #: 2000001 - 2999999
- Product Type: Attachments
Loading...
Assembly Drawings
Search for a part within assembly drawings:
-
Operator's Manual
-
Parts Catalog
-
Model #
07-36TL05 -
Serial #
2000001 - 2999999 -
Product Name
36" Tiller -
Product Brand
Toro -
Product Type
Attachments -
Product Series
Attachments & Kits, Consumer Riding -
Swath
36 inch

