Replacement Engine, 4-Cycle
Product Information
- Model #: 59265
- Serial #: 4000001 - 4999999
- Product Type: Engines
Loading...
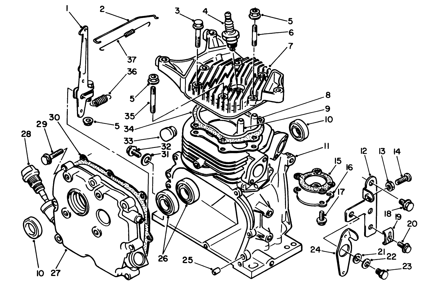
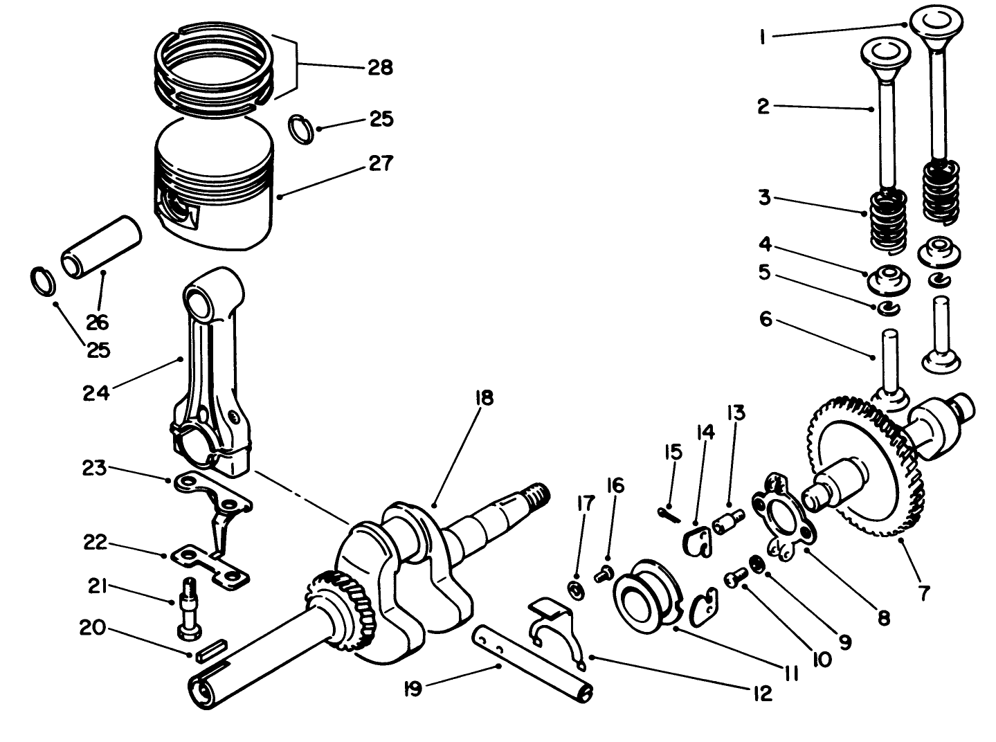
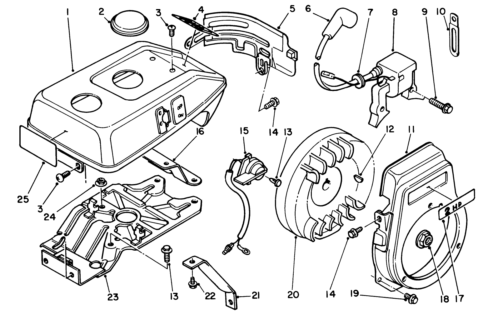
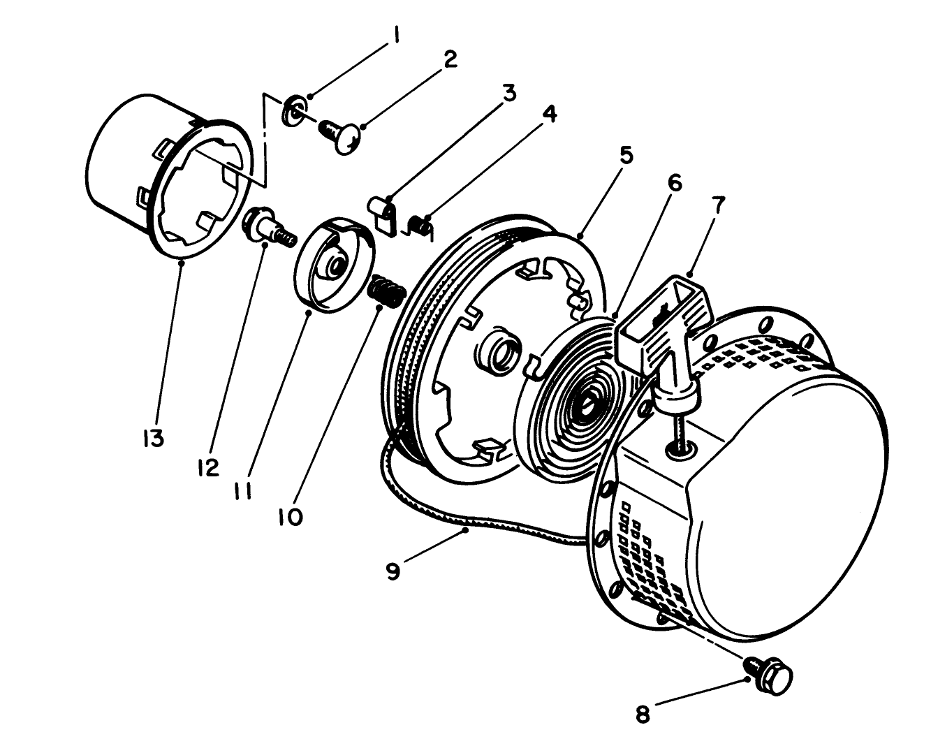
Assembly Drawings
Search for a part within assembly drawings:
-
Parts Catalog
-
Model #
59265 -
Serial #
4000001 - 4999999 -
Product Name
Replacement Engine, 4-Cycle -
Product Brand
Toro -
Product Type
Engines -
Product Series
Attachments & Kits, Walk Power Mower -
Engine/Motor Manufacturer
Suzuki -
Engine/Motor Size
2 hp -
Engine/Motor Type
4 Cycle -
Engine Starter
Recoil






