Image Not Found

Product Information

  • Model #: 60216
  • Serial #: 316000001 - 316999999
  • Product Type: Concrete Equipment

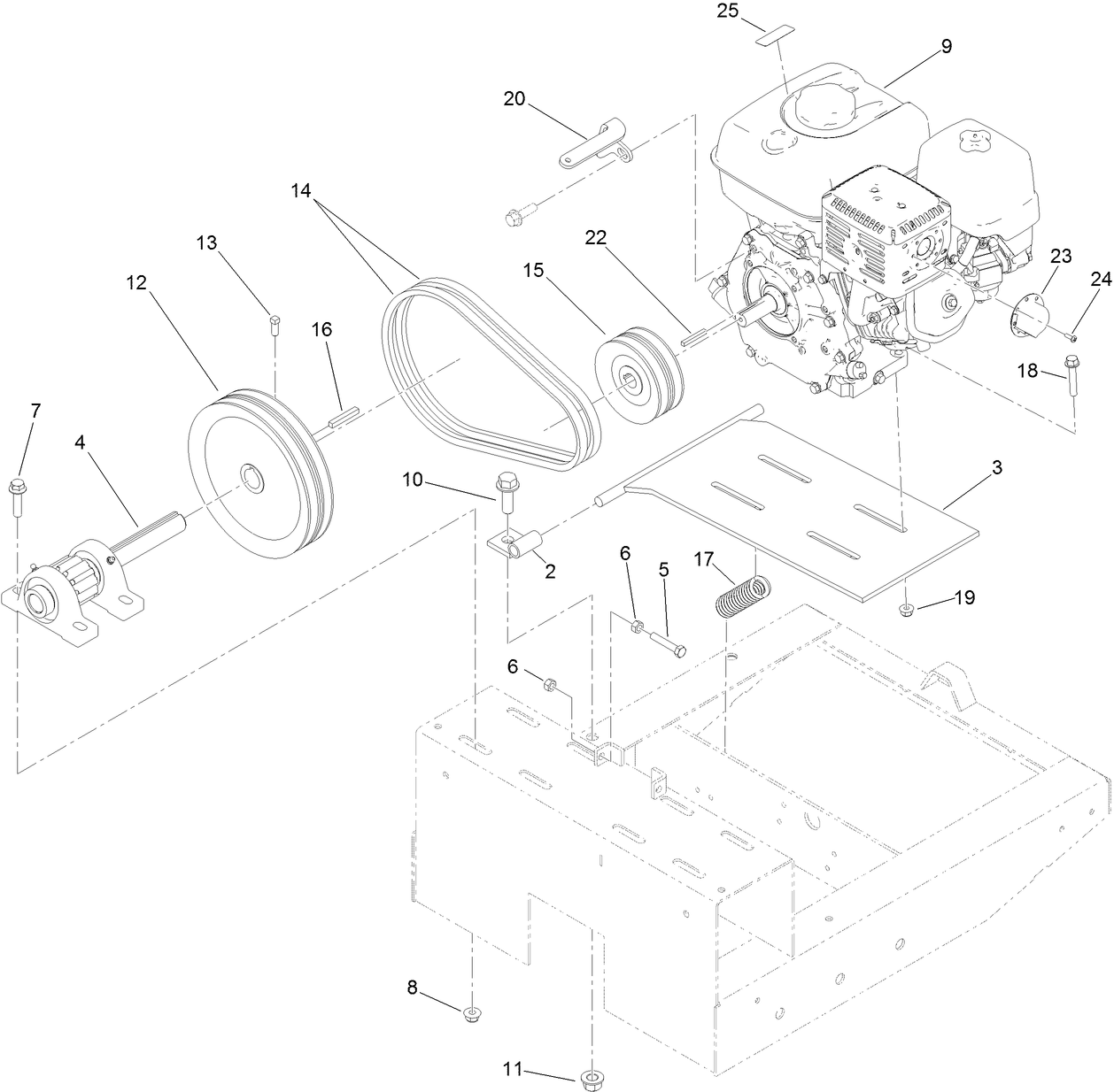
Assembly Drawings

Search for a part within assembly drawings:

Image Not Found
31 inch Forged Tow Pole Hitch, CM Series Concrete Mixer or MM Series M (Part # 68056)
Image Not Found
31 inch Pintel Tow Pole Hitch, CM Series Concrete Mixer or MM Series M (Part # 68058)
Image Not Found
31 inch Stamped Tow Pole Hitch, CM Series Concrete Mixer or MM Series (Part # 68060)
Image Not Found
Trailer Light Kit, Side-Dump Mixers (Part # 68062)
  • Model #
    60216
  • Serial #
    316000001 - 316999999
  • Product Name
    MMX-658H-S Mortar Mixer
  • Product Brand
    Toro
  • Product Type
    Concrete Equipment

Register your product

Registering your product will ensure notification of important updates and expedite warranty service should it be necessary.

Register Now