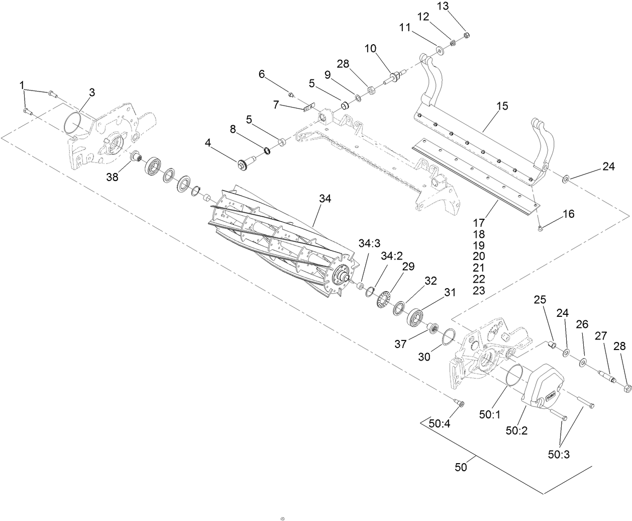
8-Blade Cutting Unit
Product Information
- Model #: 03638
- Serial #: 400000000 - 401420000
- Product Type: Attachments
Loading...
Assembly Drawings
Search for a part within assembly drawings:
-
Operator's Manual
-
Parts Catalog
-
Service Bulletin
Left-Hand Groomer Kit, Reelmaster 5010-H Series Cutting Unit with 7in (Part # 03403)
Right-Hand Groomer Kit, Reelmaster 5010-H Series Cutting Unit with 7in (Part # 03404)
Weight Kit for 8-Blade or 11-Blade DPA Cutting Unit with 7in Reel, Ree (Part # 03405)
Rear Roller Brush Kit, Reelmaster 5010-H Series Cutting Unit with 7in (Part # 03408)
Rear Roller Brush Kit, Reelmaster 5010-H Series Cutting Unit with 7in (Part # 03409)
Flex Grass Basket Kit (Part # 03415)
Catch grass clippings for easy cleanup and a better look overall.
Compact Flex Grass Basket Kit (Part # 03416)
Catch grass clippings for easy cleanup and a better look overall.
Weight Kit, Reelmaster 3575, 5010, or 5010-H Series Cutting Units with (Part # 03418)
Weight Kit, Reelmaster 3575, 5010, or 5010-H Series Cutting Units with (Part # 03419)
7" (17.8 cm) Verticutter Cutting Unit (Part # 03619)
Rear Roller Brush Kit, Reelmaster 5010-H Series 22-inch Cutting Unit w (Part # 03659)
22in Fairway Grooming Brush Kit, Reelmaster 5010-H Series C (Part # 03719)
Universal Groomer Cartridge, Reelmaster 3555, 3575, 5010, and 5010-H S (Part # 03765)
Grooming Brush, Reelmaster 3555, 5010, and 5010-H Series 22-inch Cutti (Part # 03767)
Universal Groomer Drive Kit, Reelmaster 3575, 5010, and 5010-H Series (Part # 03768)
Collar Kit (Part # 104-8215)
Contains 100-4959 @ 2, 104-1835 @ 2
22 Inch Wiehle Scraper Assembly (Part # 107-2993-03)
Toro OEM 22 Inch Wiehle Scraper Assembly.
Rear Roller Scraper Kit (22.00 Inch) (Part # 107-3280)
Contains 107-2999 @ 1, 107-3279 @ 1, 107-3281 @ 1, 3290-357 @ 2, 104-8300 @ 4, 104-8301 @ 2
Gauge Bar Assembly (Part # 108-6715)
Toro OEM Gauge Bar Assembly.
Edgemax Bedknife (Part # 108-9095)
22.19 Inch Fairway Cut Standard Bedknife (Part # 108-9096)
Toro 22.19 Inch OEM Fairawy Cut Standard Bedknife. You can count on the quality and reliability of this replacement Fairway Cut bedknife. Be sure to verify the make and serial number to ensure correct part.
Comb/Scraper Kit (Part # 110-1735)
Contains 115-8298-03 @ 1, 104-1844 @ 1, 115-8299 @ 1, 110-1731-03 @ 1, 3296-16 @ 4, 3229-2 @ 4, 3256-67 @ 8
22.00 Inch Hight Height of Cut Roller Brush (Part # 110-1740)
Toro 22.00 Inch OEM High Height of Cut Roller Brush. This roller has a 3.50 inch diameter. This is a powered roller brush created to control grass build up and keep you cutting longer. To insure you are getting the correct part for your equipment, please use our model and serial number search to verify that this will fit your machine.
22.19 Inch Fairway Cut Standard Bedknife (Part # 110-4074)
Toro 22.19 Inch OEM Fairawy Cut Standard Bedknife. You can count on the quality and reliability of this replacement Fairway Cut bedknife. Be sure to verify the make and serial number to ensure correct part.
22.19 Inch Low Cut Standard Bedknife (Part # 110-4084)
Toro 22.19 Inch OEM Low Cut Standard Bedknife. You can count on the quality and reliability of this replacement Low Cut bedknife. Be sure to verify the make and serial number to ensure correct part.
RM Dpa High Hoc Kit (Part # 110-9600)
Contains 120-0404 @ 1, 120-0405 @ 1, 119-0626 @ 8, 106-9758 @ 4, 3230-30 @ 4, 104-8300 @ 4, 112-7451 @ 2, 48-9220 @ 4, 104-8301 @ 4, 322-16 @ 2, 32128-20 @ 2, 32128-20 @ 2
3X22 Inch Full Front Roller Scraper (Part # 110-9602-03)
Toro OEM 3X22 Inch Full Front Roller Scraper.
Basket Cylinder Limit Kit (Part # 110-9604)
Shoulder Roller Scraper (22.00 Inch) (Part # 110-9609-03)
Toro OEM Shoulder Roller Scraper (22.00 Inch).
22.00 Inch Full Front Roller Assembly (Part # 114-5412)
Toro 22.00 Inch OEM Full Front Roller Assembly. This roller has a 3.00 inch diameter. This Assembly comes with the roller tube, roller shaft, oil seals, stainless steal bearings, seals, lock nuts, grease fittings, grease & the roller rebuild kit. This roller is smooth, unlike the Wiehle roller that has groves built in. Toro OEMs are created to keep your equipment up and running with the highest quality parts. To verify that this fits your Toro equipment, please do a model & serial number search.
22.00 Inch Plastic Shoulder Roller Assembly (Part # 114-5421)
Toro 22.00 Inch OEM Plastic Shoulder Roller Assembly. This roller has a 3.00 inch diameter. This Assembly comes with a plastic roller, roller shaft, oil seals, stainless steal bearings, seals, lock nuts, grease fittings, roller rebuild kit & grease. A Wiehle roller has groves built into the roller. This roller is molded out of an aluminum core, with a plastic molding on the outside. A shoulder roller groves get smaller closer to the edges, where as a standard Wiehle has evenly spaced from one end to the other. Toro OEMs are created to keep your equipment up and running with the highest quality parts. To verify that this fits your Toro equipment, please do a model & serial number search.
Roller Rebuild Kit (Part # 114-5430)
Contains 114-3717 @ 2, 112-5290 @ 2, 112-7494 @ 4, 114-5411 @ 2
Roller Seal Tool Kit (Part # 115-0803)
22.19 Inch Low Cut EdgeMax™ Bedknife (Part # 119-4280)
Toro 22.19 Inch OEM Low Cut EdgeMax™ Bedknife. The EdgeMax™ is a tougher medal crafted with precision to give you an amazing cut every time. You can count on the quality and reliability of this replacement Low Cut bedknife. Be sure to verify the make and serial number to ensure correct part.
Kickstand (Part # 119-8010-03)
22.19 Inch Low Cut Standard Bedknife (Part # 120-1640)
Toro 22.19 Inch OEM Low Cut Standard Bedknife. You can count on the quality and reliability of this replacement Low Cut bedknife. Be sure to verify the make and serial number to ensure correct part.
RM Hd Dpa MVP Kit (Part # 120-7230)
Contains 120-5118 @ 2, 120-5116 @ 2, 106-5344 @ 4, 108-0015 @ 2, 3296-33 @ 2, 137-6130 @ 2, 119-4155 @ 2, 120-5120 @ 2, 119-4039 @ 2
Rear Roller Adjustment Kit, Reelmaster DPA Reel Mowers (Part # 125-0570)
Paper Reel (Part # 125-5610)
Toro OEM Paper-Reel, Toro (10 Pack).
Reel Shim (Part # 125-5611)
LD FWY BROOMER KIT (Part # 127-7120)
Edgemax Lowcut Bedknife (Part # 127-7132)
BEDBAR-AGGRESSIVE, 7IN (Part # 131-3221-03)
GROOMER/RRB SEAL KIT (Part # 131-3233)
8 Blade EdgeSeries (ES) Reel 22 Inch (Part # 131-6805)
Toro 8 Blade 22 Inch OEM EdgeSeries (ES) Reel. The EdgeSeries (ES) Reel is an upgraded version of the Standard Reel with stronger steel, longer lasting & more durable. You can count on the quality and reliability of this replacement EdgeSeries (ES) Reel. Be sure to verify the make and serial number to ensure correct part.
Angle Indicator (Part # 131-6828)
Toro OEM Angle Indicator
Angle Indicator Mount (Part # 131-6829)
Toro OEM Angle Indicator Mount
GROOMER ROD KIT (Part # 131-6845)
Broomer Kit, Reelmaster 3555, 3575, 5010, and 5010-H Series 22-inch Cu (Part # 132-7125)
5 Blade EdgeSeries (ES) Reel 22 Inch (Part # 133-8205)
Toro 5 Blade 22 Inch OEM EdgeSeries (ES) Reel. The EdgeSeries (ES) Reel is an upgraded version of the Standard Reel with stronger steel, longer lasting & more durable. You can count on the quality and reliability of this replacement EdgeSeries (ES) Reel. Be sure to verify the make and serial number to ensure correct part.
REEL DRIVE ADAPTER (Part # TOR4074)
-
Model #
03638 -
Serial #
400000000 - 401420000 -
Product Name
8-Blade Cutting Unit -
Product Brand
Toro -
Product Type
Attachments











