20" Hydraulic Slit Seeder
Product Information
- Model #: 23508
- Serial #: 400000000 - 409419999
- Product Type: Seeders
Loading...
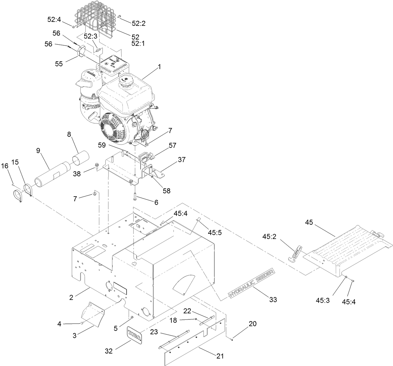
Assembly Drawings
Search for a part within assembly drawings:
-
Operator's Manual
-
Parts Catalog
-
Product Warranty
-
Reference Guide
-
ACMA Declaration of Conformity
-
EU/UK Declaration of Conformity
-
Model #
23508 -
Serial #
400000000 - 409419999 -
Product Name
20" Hydraulic Slit Seeder -
Product Brand
Toro -
Product Type
Seeders -
Product Series
Turf Maintenance Equipment -
Chassis Type
Walk Behind -
Swath
20 inch -
Engine/Motor Manufacturer
Kohler -
Engine/Motor Type
4 Cycle -
Engine Starter
Recoil -
Transmission Type
Hydrostatic -
Traction Type
Rear WD
-
Engine: Engine Oil Type
44 oz. (1.3l) 5w-30 or 10w / API SH or higher -
Engine: Engine Speed
3600±100 RPM -
Engine: Spark Plug
Champion RC12YC -
Engine: Spark Plug Gap
.030"/ .76mm -
Drive System: Ground Speed
0-3 mph -
Chassis: Tire Pressure
24 psi -
Engine: Ignition Coil Air Gap
0.011in (0.3mm) -
Drive System: Gearbox Lubricant
HYPR-OIL 500








