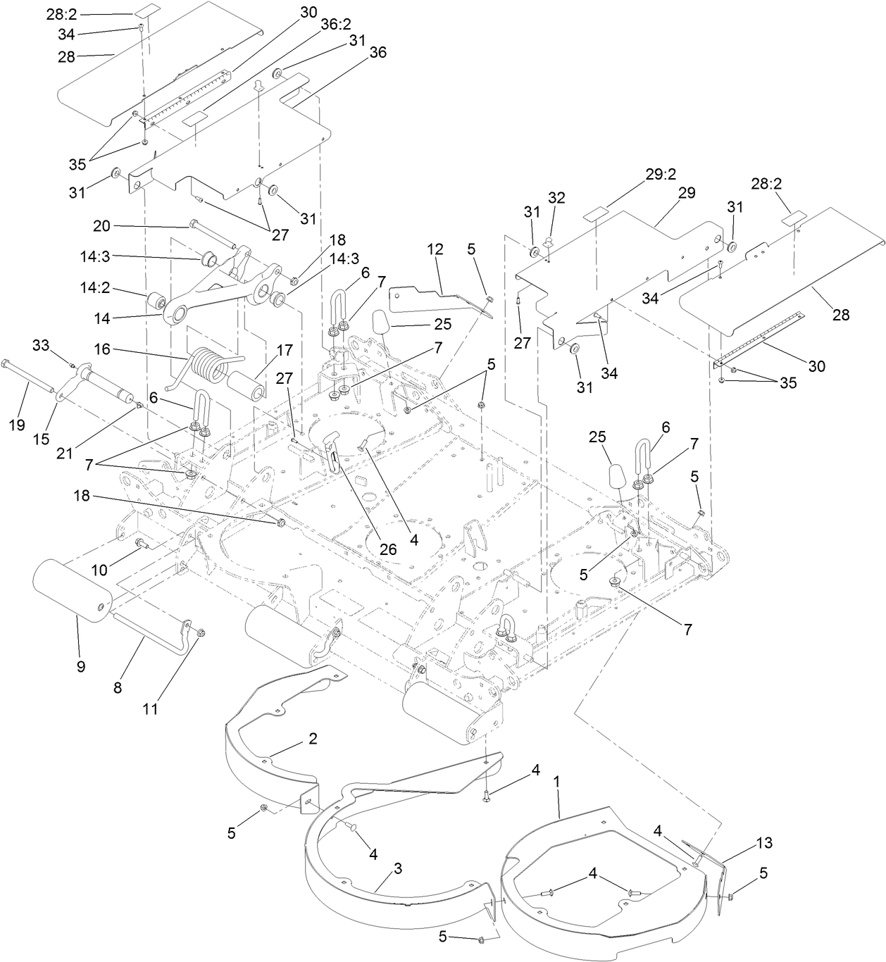
100in. Cutting Unit
Product Information
- Model #: 31101
- Serial #: 406000000 - 408999999
- Product Type: Attachments
Loading...
Assembly Drawings
Search for a part within assembly drawings:
-
Operator's Manual
-
Parts Catalog
-
Model #
31101 -
Serial #
406000000 - 408999999 -
Product Name
100in. Cutting Unit -
Product Brand
Toro -
Product Type
Attachments -
Swath
72 inch











