ProLine H800 Direct Collect Mower 50” (126 cm) Cutting Width
Product Information
- Model #: 31051
- Serial #: 321000000 - 321000100
- Product Type: Riding Products
Loading...
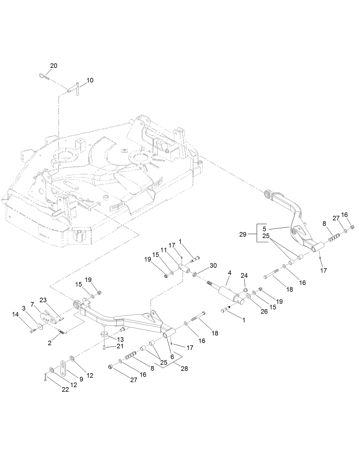
Assembly Drawings
Search for a part within assembly drawings:
-
Service Manual
-
Operator's Manual
-
Parts Catalog
-
EU Declaration of Conformity
-
Setup Instructions
-
Schematic Drawing - Electrical
-
Schematic Drawing - Hydraulic
-
ACMA Declaration of Conformity
-
EU/UK Declaration of Conformity
Slope Sensor Kit (Part # 02950)
TUV 15KPH Speed Decal Kit (Part # 02969)
TUV 25KPH Speed Decal Kit (Part # 02990)
Mulching Kit (Part # 134-1718)
Arm Rest Kit (Part # 134-3594)
Debris Suppression Kit (Part # 134-4690)
CUTTER DECK (Part # 31059)
-
Model #
31051 -
Serial #
321000000 - 321000100 -
Product Name
ProLine H800 Direct Collect Mower 50” (126 cm) Cutting Width -
Product Brand
Toro -
Product Type
Riding Products








































